ICS 23. 040. 40
P 72
备案号:J1254-2011
中华人民共和 国石油化工彳亍≥lk标准
SH/T 3425—2011
石油化工钢制管道用盲板
Steel line blanks in petrochemical engineering
2011-05-18 发布
2011-06-01 实施
中华人民共利I国工立禾口信总化部 发布
SH/T 3425—2011
目 次
刖 H...........................................................................................................................III
1 范围........................................................................................................................1
2规范性引用文件.................................................................................................. 1
3 一般规定..................................................................................................................1
3.1公称压力和公称直径................................................................................................1
3.2压力-温度额定值...................................................................................................1
3.3密封面型式和代号...................................................................................................1
3.4型式和代号............................................................................................................2
4结构型式、尺寸与公差................................................................................................2
4. 1 结构型式...............................................................................................................2
4.2尺寸系列...............................................................................................................8
4.3盲板的厚度计算和8字盲板、单垫环的开孔尺寸............................................................24
4.4尺寸公差和表面粗糙度..........................................................................................26
5 材料.....................................................................................................................26
5. 1 一般要求............................................................................................................26
5. 2 技术要求............................................................................................................26
6制造及热处理.........................................................................................................28
6. 1 制造..................................................................................................................28
6.2热处理...............................................................................................................28
7检验和试验............................................................................................................29
7.1检验..................................................................................................................29
7. 2 水压试验............................................................................................................29
8产品质量证明书......................................................................................................30
9标志、防护和包装...................................................................................................30
9. 1 标志..................................................................................................................30
9.2 防护..................................................................................................................31
9. 3 包装..................................................................................................................31
用词说明.....................................................................................................................32
I
标准分享网WWW. bzfxw. com免费下载
SH/T 3425—2011
刖 百
根据国家发展和改革委员会办公厅《2008年行业标准计划》(发改办工业[2008] 1242号)的要求, 标准编制组经广泛调查研究,认真总结实践经验,参考有关国际标准和国外先进标准,并在广泛征求 意见的基础上,制定本标准。
本标准共分9章。
本标准主要技术内容是:钢制管道用盲板(包括8字盲板、单盲板和单垫环)的结构型式、公称 压力、尺寸系列、制造、检验等技术要求。
本标准由中国石油化工集团公司负责管理,由中国石油化工集团公司配管设计技术中心、站负责日 常管理,由中国石化工程建设公司负责具体技术内容的解释。执行过程中如有意见和建议,请寄送日 常管理单位和主编单位。
本标准日常管理单位:中国石油化工集团公司配管设计技术中心站
通讯地址:北京市朝阳区安慧北里安园21号
邮政编码:100101
电 话:010-84877282
传 真:010-64949514
本标准主编单位:中国石化工程建设公司
通讯地址:北京市朝阳区安慧北里安园21号
邮政编码:100101
本标准参编单位:无锡市华尔泰机械制造有限公司
本标准主要起草人员:王琼张宝江李忠云
本标准主要审查人员:汪建羽葛春玉张德姜张发有王金富李永红梁启周雷云周
袁灿康久常王泽琪白殿武高晋陈永亮许丹徐明才 汪庆华单承家
本标准为首次发布。
III
SH/T 3425—2011
石油化工钢制管道用盲板
1范围
本标准规定了公称压力PN20 (CLASS 150)〜尸N420 (CLASS2500),公称直径ZWI5〜ZVV600钢制管 道用盲板的结构型式、尺寸系列、材料、制造和检验等技术要求。
本标准适用于石油化工钢制管道用盲板的制造及验收,盲板包括8字盲板、单盲板和単垫环。
2规范性引用文件
下列文件中的条款通过本标准的引用而成为本标准的条款。凡是注日期的引用文件,其随后所有 的修改单(不包括勘误的内容)或修订版均不适用于本标准,然而,鼓励根据本标准达成协议的各方研 究是否可使用这些文件的最新版本。凡是不注日期的引用文件,其最新版本适用于本标准。
GB 713锅炉和压力容器用钢板
GB 3531低温压力容器用低合金钢钢板
GB/T 4237不锈钢热轧钢板和钢带
GB/T 4238耐热钢钢板和钢带
GB/T 12228通用阀门碳素钢锻件技术条件
GB/T 20801. 2压力管道规范.工业管道 第2部分:材料
JB 4726压力容器用碳素钢和低合金钢锻件
JB 4727低温压力容器用低合金钢锻件 .
JB 4728压力容器用不锈钢锻件
JB/T 4730承压设备无损检测
SH/T 3403管法兰用金属环垫
SH/T 3406石油化工钢制管法兰
SH/T 3407管法兰用缠绕垫片 Y .,K l
3 —般规定
3.1公称压力和公称直径
公称压力对应的公称直径范围见表Io
表1公称压力对应的公称直径范围
|
公称压力PN(CLASS) |
20(150) |
50(300) |
110(600) |
150(900) |
260(1 500) |
420(2 500) |
|
公称直径DN |
15-600 |
15—600 |
15 〜600 |
15—600 |
15—600 |
15—300 |
3.2压力一温度额定值
钢制管道用盲板的压力一温度额定值应符合国家现行标准SH/T 3406的规定。
3.3密封面型式和代号
钢制管道用盲板的密封面型式和代号见表2。
表2密封面型式和代号
|
密封面型式- |
全平面— |
突面 |
凸面 |
凸环连接面 |
凹环连接面 |
|
一 代号 |
FF |
RF |
LM |
MRJ |
FRJ |
|
注1:盲板的公称压力为〃V20(CLASS150),密封面型式为凸环连接面(MRJ)和凹环连接面(FRJ)时,公称直径 为 DN25〜DN600。 注2:盲板的密封面型式为凸面(LM)时,最小公称压力为尸N50(CLASS300)。____________________ | |||||
1
标准分享网WWW. bzfxw. com免费下载
SH/T 3425—2011
3.4型式和代号
盲板的型式和代号见表3。
J产学發表3盲板型式和代号諄
|
____盲板型式____ |
单垫环 | |||
|
»“ "JB尸 |
PB |
PS | ||
4结构型式、尺寸曲差夕
4.1结构型式/,六/ %, 、
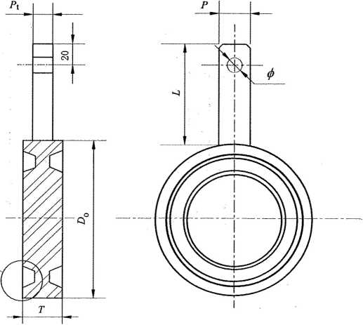
4.1.1 8字盲板的醯型式如图1所示,腹板上前的直彳■(0)应尊法里螺⅛L相同,且不应妨碍法
兰之间紧固件的紧固…,⅛⅛⅛∕ 凰\ ^A\
b) 密封面型式为RF和LM
2
SH/T 3425TOll
密封面型式为MRJ
、,d)密封面型式为FRbf
5^^S≡^S Λ⅛5≡SSSζ''
图1 8字盲板的结构
3
标准分享网WW. bzfxw. com 免费下载
SH/T 3425—2011
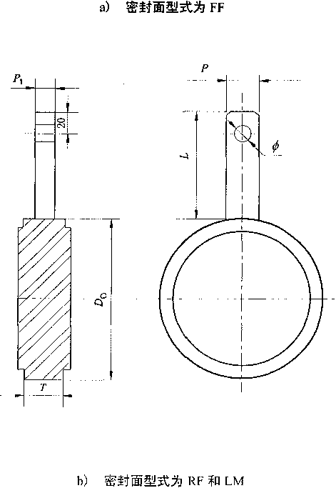
4.1.2单盲板的结构型式如图2所示,手柄宽度为25mm时,吊装孔直径(¢)为16mm;手柄宽度 为40mm时,吊装孔直径(¢)为20mm。
4
SH/T 3425—2011
OZ/I+18Z
d)密封面型式为FRJ
图2单盲板的结构
5
标准分享网www.bzfxw.com免费下载
SH/T 3425→011
4. 1.3单垫环的结构型式如图3所示,手柄宽度为25mm时,吊装孔直径(0)为16mm;手方丙宽度 为40mm时,吊装孔直径(0)为20mm"图申科2.为识别%y
b)密封面型式为RF和LM
6
20
5
2
C) ≡1B⅛^ MRJ
d) as^s FRJ
画3#儈斗Si5⅞昔
冢≡φ⅜swww. bzfxw∙ COnI»灘-H避
7
SH/T 3425—2011
4. 2尺寸系列
4. 2.1公称压力PN20(CLASS150),密封面型式为FF和RF的盲板尺寸见表4。密封面为RF时,密 封面的尺寸应符合SH/T 3406的相关规定,表中的厚度不包括突台高度。
表4公称压力TW20(CLASSI50),密封面型式为FF和RF的盲板尺寸 单位:mm
|
公称直径 DN |
内径尺寸 Qi |
外径尺寸 Do |
中^心线距离 A |
盲板厚度 7 |
腹板宽度 W |
腹板厚度 % |
手柄宽度 P |
手柄厚度 Pt |
手柄长度 Z |
|
15 |
16.0 |
44.0 |
60.3 |
3.0 |
38 |
3.0 |
25 |
3.0 |
100 |
|
20 |
21.0 |
53.0 |
69.9 |
,3.0 |
38 |
3 0 |
25 |
3.0 |
100 |
|
25 |
27.0 |
63.0 |
79.4 |
3.0 |
38 |
3.0 |
25 |
3.0 |
100 |
|
(32) |
42.0 |
72.0 |
88.9 |
6 4 |
38 |
6.4 |
25 |
3.0 |
100 |
|
40 |
48.0 |
82.0 |
98.4 |
6.4 |
:38 |
6.4 |
25 |
3.0 |
100 |
|
50 |
60.0 |
102.0 |
120.7 |
6.4 |
51 |
6.4 |
25 |
3.0 |
100 |
|
(65) |
73.0 |
121.0 |
139.7 |
6.4 |
51- |
6.4 |
25 |
3.0 |
100 |
|
80 |
89.0 |
133.0 |
152.4 |
6.4 |
64 |
6.4 |
25 |
3.0 |
100 |
|
100 |
114.0 |
172.0 |
190.5 |
.9. 7 |
;64 |
9.7 |
25 |
3.0 |
100 |
|
(125) |
141.0 |
193.0 |
215.9 |
9.7 |
76 |
9.7 |
25 |
3.0 |
100 |
|
150 |
168.0 |
219.0 |
241.3 |
12.7 |
76 |
10.0 |
40 |
6.0 |
100 |
|
200 |
219.0 |
276.0 |
298. 5 |
12.7 |
76 : |
10.0 |
40 |
6.0 • |
100 |
|
250 |
273.0 |
336.0 |
362.0 |
15.7 |
102 |
10.0 |
40 |
6.0 |
100 |
|
300 |
324.0 |
405.0 |
431. 8 |
19.1 |
102 |
10.0 |
40 |
6.0 |
100 |
|
350 |
356.0 |
446. 0 |
476. 3 |
19.1 |
108 |
10.0 |
40 |
6.0 |
100 |
|
400 |
406.0 |
509. 0 |
539. 8 |
22.4 |
108 |
12.0 |
40 |
8.0 |
100 |
|
450 |
457.0 |
544.0 |
577.9 |
25.4 |
114 |
12.0 |
40 |
8.0 |
120 |
|
500 |
508. 0 |
602.0 |
635.0 |
28.4 |
121 |
14.0 |
40 |
8.0 |
120 |
|
600 |
610.0 |
713.0 |
749.3 |
31.8 |
140 |
16.0 |
40 |
10.0 |
120 |
4. 2. 2公称压力PN50 (CLASS300),密封面型式为FF和RF的盲板尺寸见表5。密封面为RF时,密 封面的尺寸应符合SH/T3406的相关规定,表中的厚度不包括突台高度。
表5公称压力PN50(CLASS300),密封面型式为FF和RF的盲板尺寸 单位:mm
|
公称直径 DN |
内径尺寸 Oi |
外径尺寸 A |
中心线距离 力 |
盲板厚度 T |
腹板宽度 W |
腹板厚度 % |
手柄宽度 P |
手柄厚度 Pt |
手柄长度 L |
|
15 |
16.0 |
50.0 |
66.7 |
6.4 |
38 |
6.4 |
25 |
3.0 |
100 |
|
20 |
21.0 |
64.0 |
82.6 |
6.4 |
38 |
6.4 |
25 |
3.0 |
100 |
|
25 |
27.0 |
70.0 |
88.9 |
6.4 |
38 |
6.4 |
25 |
3.0 |
100 |
8
SH/T 3425—2011
表5(续) 公称压力PN50(CLASS300),密封面型式为FF和RF的盲板尺寸 单位:mm
|
公称直径 DN |
内径尺寸 Oi |
外径尺寸 D。 |
中心线距离 J |
盲板厚度 T |
腹板宽度 W |
腹板厚度 名 |
手柄宽度 P |
手柄厚度 Pt |
^ffi长度 丄 |
|
(32) |
42.0 |
79.0 |
98.4 |
6.4 |
38 |
6.4 |
25 |
3.0 |
100 |
|
40 |
48.0 |
92.0 |
114.3 |
6.4 |
38 |
6.4 |
25 |
3.0 |
100 |
|
50 |
60.0 |
108.0 |
127.0 |
9.7 |
51 |
9.7 |
25 |
3.0 |
100 |
|
(65)∙ |
73.0 |
127.0 |
149.2 |
9.7 |
51 |
9.7 |
25 |
3.0 |
100 |
|
80 |
89.0 |
146.0 |
168.3 |
9.7 |
64 |
9.7 |
25 |
3.0 |
100 |
|
100 |
114.0 |
178.0 |
200.0 |
12.7 |
64 |
10.0 |
25 |
6.0 |
100 |
|
(125) |
141.0 |
213.0 |
235.0 |
15.7 |
76 |
10.0 |
25 |
6.0 |
100 |
|
150 |
168.0 |
247.0 |
269.9 |
15.7 |
76 |
10.0 |
40 |
6.0 |
100 |
|
200 |
219.0 |
304.0 |
330.2 |
22.4 |
76 |
10.0 |
40 |
8.0 |
100 |
|
250 |
273.0 |
357.0 |
387.4 |
25.4 |
102 |
10.0 |
40 |
8.0 |
100 |
|
300 |
324.0 |
417.0 |
450.8 |
28.4 |
102 |
12.0 |
40 |
10.0 |
100 |
|
350 |
356. 0 |
481.0 |
514.4 |
31.8 |
108 |
12.0 |
40 |
10.0 |
120 |
|
400 |
406.0 |
535.0 |
571.5 |
38.1 |
108 |
16.0 |
40 |
10.0 |
120 |
|
450 |
457.0 |
592.0 |
628.6 |
41.1 |
114 |
18.0 |
40 |
12.0 |
120 |
|
500 |
508.0 |
649.0 |
685. 8 |
44.5 |
121 |
20.0 |
40 |
12.0 |
120 |
|
600 |
610.0 |
770.0 |
812.8 |
50.8 |
140 |
26.0 |
40 |
12.0 |
140 |
4.2.3公称压力TwlIo(CLASS600),密封面型式为FF和RF的盲板尺寸见表6。密封面为RF时, 密封面的尺寸应符合SH/T 3406的相关规定,表中的厚度不包括突台高度。
表6公称压力尸NIIO(CLASS600),密封面型式为FF和RF的盲板尺寸 单位:mm
|
公称直径 DN |
内径尺寸 Qi |
外径尺寸 D0 |
中心线距离 A |
盲板厚度 T |
腹板宽度 W |
腹板厚度 肌 |
手柄宽度 尸 |
手柄厚度 Λ |
手柄长度 L |
|
15 |
16.0 |
50.0 |
66.7 |
6.4 |
38 |
6.4 |
25 |
3.0 |
100 |
|
20 |
21.0 |
64.0 |
82.6 |
6.4 |
38 |
6.4 |
25 |
3.0 |
100 |
|
25 |
27.0 |
70.0 |
88.9 |
6.4 |
57 |
6.4 |
25 |
3.0 |
100 |
|
(32) |
37.0 |
79.0 |
98.4 |
9.7 |
57 |
9.7 |
25 |
3.0 |
100 |
|
40 |
43.0 |
92.0 |
114.3 |
9.7 |
67 |
9.7 |
25 |
3.0 |
100 |
|
50 |
55.0 |
108.0 |
127.0 |
9.7 |
57 |
9.7 |
25 |
3.0 |
100 |
|
(65) |
67.0 |
127.0 |
149.2 |
12.7 |
67 |
10.0 |
25 |
6.0 |
100 |
|
80 |
83.0 |
146.0 |
168.3 |
12.7 |
67 |
10.0 |
25 |
6.0 |
100 |
9
标准分享网WWW. bzfxw. com免费下载
SH/T 3425—2011
表6 (续) 公称压力PNIlO(CLASS600),密封面型式为FF和RF的盲板尺寸 单位:mm
|
公称直径 DN |
内径尺寸 Di |
外径尺寸 D0 |
中心^^ |
盲板厚度 7 |
腹板宽度 W |
手柄宽度 ` P |
手柄厚度 A |
手木丙长度 L | ||
|
100 |
108.0 |
76 / |
W |
6.0 |
100 | |||||
|
(125) |
135.0 |
19. 1 |
86 |
100 | ||||||
|
150 |
162.0 . |
八92. 1 |
22.4 |
86 |
10.0 |
100 | ||||
|
200 |
212.― |
349∙ 2 |
95 |
Z |
120 | |||||
|
250 |
26岁0 |
飞曜0 |
43L8 |
35. 1 |
105 |
12.0 |
40 ∖ |
120 | ||
|
300 |
^ #5.0 |
匠。 |
489.0 |
105 |
^?、=麼空曇 14.0 |
— |
40 |
⅝画, |
K 120 | |
|
350 |
'/488. 0 |
527.0 |
44.5 |
114 , |
宣施道耋 |
40 |
\120 | |||
|
400- |
'561.0 |
603.2 |
50.s8 i |
124 ; |
18. 0 |
40 | ||||
|
450 -------—J |
609.0 |
654.0 |
53. 8 |
133 J |
维° |
40 |
3尊 | |||
|
500 I |
^^0f |
678.0 |
63.屋 |
133 1 |
图 |
12.给7 |
2勲 m等— | |||
|
600 f |
787.0 |
:838.2 |
73.2 |
30. 0 |
^40 |
12.1 ‰ |
^l 4| | |||
4. 2. 4 ;&縫为PN150 (CLASS900),密封面型式为FF利RF的盲板尺寸M表7。密封例 Rl ∣⅜, 密封面俗展荷⅜合SH/T3466的相关规定,•表中的厚度不包括突台高度。: Irel I
^t成称压力/W150装LASS900),密封面型式为FF和RF的盲扳尺寸
|
公称直戚 DN |
内径戻j |
外径尺寸 D° |
市心线距离 |
肓板厚度 |
腹板宽度 W |
^ft厚度 眩 |
手柄⅛⅛度 |
手柄厚皮: Pt ‰ |
丁柄K皮 |
|
15 |
I躋# 1 |
60.0 |
:82. 6 |
嘴6. 4 •蒙 |
38; |
3. Of ^ |
^^¾]Q0 | ||
|
20 |
勺 66.0 |
88. 9 零 |
≡ 6.4 I |
41 |
6.4 ....1⅛.... 6.售竺莓 |
3. |
需孑 1 100 | ||
|
25 |
3 I 75.0 |
"通1海瀆 |
6. 4 罰 |
25 | |||||
|
(32) |
甯.^^ |
3\5.0 |
IlLI |
9. 7 ^J |
;- |
/100 | |||
|
40 |
4310 |
丿如 |
⅛23. ⅝ 1 |
」J ; |
10.0 |
/ 3.0 |
/ 100 | ||
|
50 |
55. OV |
139. X |
rv~ |
100 | |||||
|
(65) |
67.0 飞 |
\電0. 5 |
12.7 |
1(). 0 |
6.() |
100 | |||
|
80 |
83.0 |
15.7 |
67 |
10.0 |
⅛-/ /0 |
100 | |||
|
100 |
108.0 |
202叱. |
^^t. 3% |
19. 1 |
76 |
10. ?/ |
‘6.0 |
100 | |
|
(125) |
135.0 |
243. 0 飞 |
√ 27^^ |
^2^^ |
Ii 2^ ; |
' /O - |
8.0 |
120 | |
|
150 |
162.0 |
284.0 |
317. 5 |
,25. 4 |
86 |
∖q.^ |
,/*40 |
8.0 |
120 |
|
200 |
212.0 |
354. 0 |
393.7 |
TrLF, |
^^^^ 0 |
40 |
10.0 |
120 | |
|
250 |
265.0 |
430.0 |
469.9 |
41. 1 |
105 |
12.0 |
40 |
10.0 |
120 |
10
SH/T 3425—2011
表7 (续) 公称压力TWI 50(CLASS900),密封面型式为FF和RF的盲板尺寸 单位:mm
|
公称直径 DN |
内径尺寸 Oi |
外径尺寸 2),/ |
离 |
盲板厚度 T |
腹板宽動 W / |
^^厚度 :;^hA |
手柄宽度 P |
手柄厚度 務 |
手柄长度 £ |
|
300 |
315.0 |
./」(/ ■” /94@> |
V,》— |
47.⅛ |
:. \ 105/ |
% 40 |
10.0 |
120 | |
|
350 |
346. 0 / |
歹斤)~<~ △516/ 0、 -∙∙'' 7 |
货备8. 8 |
53.8 |
114 |
10.0 |
120 | ||
|
400 |
39分 |
616.0 |
60.5 |
124 |
20. 0'''∖ Q |
12.0 |
120 | ||
|
450 |
巡犷 |
T血.0 |
685.8 |
66.5 |
133 |
24.0 |
\12.0 ■ |
140 | |
|
500 |
/ 497. 0 / |
/‘69, 0 |
749. 3 |
73.2 |
133 |
28.0 J |
'4。 |
12. 0 |
140 |
|
600 / |
597. 0 / |
833購} |
901.7 |
-⅛9 :: |
Na战三: |
40.0 ; |
40\ |
14.0 |
160 |
4. 2. 5 .公称压力W260 (CLASS 1500),密封面型式为FF和RF的盲破尺寸见表?。:密封而为RF时, 密封而的尺守丿敏守合SH/T 3406的相关规定,表中的胃度不包括突台高度。 Y : j」
表8 /公称压力PN26G (CLASS 1⅛00),密封M型式为FF和RF的盲板尺戈,;i '\ ⅝⅛: mm
|
aP热尺寸 |
外径甚 |
申心经旗强 / |
髭板^P |
腹板宽度 W |
.腹聲畳度 |
手柄宽度 P |
尾柄应应 |
%•柄长度 ⅞ L | |||
|
16.0 |
60.汕: |
82.6 |
量38专二 |
6,4 |
25 |
⅛. 0 |
弓100 | ||||
|
21.0 |
66.0 |
二褪9二 |
25 |
WO |
100 | ||||||
|
25 I |
w |
w |
b |
zf |
xw |
.c |
om |
y 0 ; |
Wo | ||
|
縮H |
35.0 |
85.0 |
111. 1 |
9.7- |
簣64 I |
⅛W⅛A |
25 |
取。 |
5 100 | ||
|
41.0 |
93•震羣 |
123.8 |
12.7 |
10,0 |
25 |
Wo . |
J 100 | ||||
|
祈廩 |
1 |
53.0 |
139. 0 |
二 12.7 |
10. 0 |
25 |
6. 0 |
• 100 | |||
|
(65) Btl |
∣3.0 1 |
160. 0 |
190. 5 |
15.7 |
76 胃 |
25 |
;‘6. 0 |
ʃ 100 | |||
|
「I[ 颯崑 |
7析 |
170. U |
⅛o4⅜⅜ |
19. 1 |
「76竇 |
25 |
If 0 |
i00 | |||
|
IOd匿 |
1 t1≡ |
205[¾⅛ |
⅛¾⅛⅛⅜ |
⅛∣⅛⅛⅛⅛ |
陣89皆 |
40 . |
/8.0 : |
120 | |||
|
(125)( |
b⅝i.¾ |
25θt⅛⅝ |
292. 1 |
28.4 |
可89 |
4。/I |
8, 0 |
120 | |||
|
150 A |
m.n |
278∣ 0⅛÷- |
f = W |
35. 1 |
I Miil |
&。 |
120 | ||||
|
200 |
p48[θ |
393. Γ ^ |
I 102 |
:1 味覇三 |
lt,∙t, |
120 | |||||
|
250 |
^稲丁 |
/10. 0 |
140 | ||||||||
|
300 |
303% 逑 |
侬・°、 |
571.5 |
60.5 |
114 |
10.0 |
140 | ||||
|
350 |
333.0 ‘ |
"^⅛0 |
66.5 |
127 |
^^^^ 4 |
10.0 |
140 | ||||
|
400 |
381.0 |
碗^/ |
ζ^^8 f |
$陷晚音g |
2巡1 / |
/ 40 |
12.0 |
160 | |||
|
450 |
429.0 |
700. 0 飞 |
774. 7 |
85.9 |
146 |
3必, |
40 |
12.0 |
160 | ||
|
.500 |
478.0 |
751.0 |
831.萨縊 |
F爾.3~ |
m月⅛T^ |
38.0 |
40 |
14.0 |
180 | ||
|
600 |
575.0 |
896.0 |
990.6 |
111.3 |
178 |
50.0 |
40 |
18.0 |
200 | ||
11
标准分享网 www.bzfxw.com 免费下载
SH/T 3425—2011
4.2.6公称压力尸N420(CLASS2500),密封面型式为FF和RF的盲板尺寸见表9。密封面为RF时, 密封面的尺寸应符合SH/T3406的相关规定,表中的厚度不包括突台高度。
表9公称压力/W420(CLASS2500),密封面型式为FF和RF的盲板尺寸 单位:mm
|
公称直多 DN |
2内径尺寸 R |
外径尺寸 。。 |
中心线距离 / |
盲板厚度 T |
腹板宽度 W |
腹板厚度 名 |
手柄宽度 尸 |
手柄厚度 R |
手柄长度 L |
|
15 |
16.0 |
66.0 |
88.9 |
9.7 |
38 |
9.7 |
25 |
3.0 |
IOO |
|
20 |
21.0 |
73.0 |
95.2 |
9.7 |
41 |
9.7 |
25 |
3.0 |
IOO |
|
25 |
27.0 |
82.0 |
1.08. 0 |
9.7 |
64 '• |
9.7 |
.25 |
3.0 |
IOO |
|
(32) |
35.0 |
100.0 |
130. 2 |
12.7 |
64 |
10. 0 ' |
25 |
6.0 |
IOO |
|
40 |
41.0 |
113.0 |
146. 0 |
15.7 |
70 |
10.0 |
25 |
6.0 |
IOO |
|
50 |
53.0 |
141.0 |
171.4 |
15.7 |
70 |
10.0 |
25 |
6.0 |
IOO |
|
(65) |
63.0 |
163.0 |
196.8 |
19. 1 |
76 |
10.0 |
25 |
6. 0 |
IOO |
|
80 |
78.0 |
192.0 |
228.6 |
22.4 |
”76 |
10.0 |
40 |
8.0 |
120 |
|
100 |
102.0 |
231.0 |
273.0 |
28.4 |
89 |
10.0 |
40 |
10.0 |
120 |
|
(125) |
128.0 |
275.0 |
323.8 |
35. 1 |
89 |
10.0 |
40 |
12.0 |
140 |
|
150 |
154.0 |
313.0 |
368.3 |
41. 1 |
89 |
12.0 |
40 |
12.0 |
140 |
|
200 |
198.0 |
383.0 |
438.2 |
53.8 |
102 |
14.0 |
40 |
12.0 |
140 |
|
250 |
248.0 |
471.0 |
539.8 |
66.5 |
114 |
22.0 |
40 |
12.0 |
160 |
|
300 |
289.0 |
545.0 |
619.1 |
79.2 |
114 |
30.0 |
40 |
12.0 |
160 |
4.2. 7公称压力/W50(CLASS300),密封面型式为LM的盲板尺寸见表10。密封面的尺寸应符合SH/T 3406的相关规定,表中的厚度不包括凸台高度。
表10公称压力尸N50(CLASS300),密封面型式为LM的盲板尺寸 单位:mm
|
公称直径 DN |
内径尺寸 Qi |
外径尺寸 D。 |
中心线距离 4 |
盲板厚度 T |
腹板宽度 W |
腹板厚度 名 |
手柄宽度 尸 |
手柄厚度 A |
手柄长度 L |
|
15 |
16.0 |
50.0 |
66.7 |
6.4 |
38 |
6.4 |
25 |
3.0 |
100 |
|
20 |
21.0 |
64.0 |
82.6 |
6.4 |
38 |
6.4 |
25 |
3.0 |
100 |
|
25 |
27. 0 |
70.0 |
88.9 |
6.4 |
38 |
6.4 |
25 |
3.0 |
100 |
|
(32) |
42.0 |
79.0 |
98.4 |
6.4 |
38 |
6.4 |
25 |
3.0 |
100 |
|
40 |
48.0 |
92.0 |
114. 3 |
6.4 |
38 |
6.4 |
25 |
3.0 |
100 |
|
50 |
60.0 |
108. 0 |
127.0 |
9.7 |
51 |
9.7 |
25 |
3.0 |
100 |
|
(65) |
73.0 |
127.0 |
149.2 |
9.7 |
51 |
9.7 |
25 |
3.0 |
100 |
|
80 |
89.0 |
146.0 |
168.3 |
9.7 |
64 |
9.7 |
25 |
3.0 |
100 |
|
100 |
114.0 |
178.0 |
200.0 |
12.7 |
64 |
10.0 |
25 |
6.0 |
100 |
12
SH/T 3425—2011
表10 (续) 公称压力PN50(CLASS300) ,密封面型式为LM的盲板尺寸 单位:mm
|
公称直径 DN |
内径尺寸 A |
外径尺寸 °。 |
中心线距离 / |
盲板厚度 T |
腹板宽度 W |
腹板厚度 % |
手柄宽度 P |
手柄厚度 爲 |
手柄长度 L |
|
(125) |
141.0 |
213.0 |
235. 0 |
15.7 |
76 |
10.0 |
25 |
6.0 |
100 |
|
150 |
168.0 |
247.0 |
269.9 |
15.7 |
76 |
10.0 |
40 |
6.0 |
100 |
|
200 |
219.0 |
304.0 |
330.2 |
22.4 |
76 |
10.0 |
40 |
8.0 |
100 |
|
250 |
273.0 |
357.0 |
387.4 |
25.4 |
102 |
10.0 |
40 |
8.0 |
100 |
|
300 |
324.0 |
417.0 |
450. 8 |
28.4 |
102 |
12.0 |
40 |
10. O |
100 |
|
350 |
356.0 |
481.0 |
514.4 |
31.8 |
108 |
12.0 |
40 |
10.0 |
120 |
|
400 |
406.0 |
535. 0 |
571. 5 |
38. 1 |
108 |
16.0 |
; 40 |
10. 0 |
120 |
|
450 |
457.0 |
592.0 |
628.6 |
41. 1 |
114 |
18.0 |
40 |
12.0 |
120 |
|
500 |
508.0 |
649.0 |
685. 8 |
44. 5 |
121 |
20.0 |
40 |
12.0 |
120 |
|
600 |
610.0 |
770.0 |
812.8 |
53.8 |
140 |
26.0 |
40 |
12. 0 |
140 |
4. 2.8公称压力PNIlO(CLASS600),密封面型式为LM的盲板尺寸见表11。密封面的尺寸应符合 SH/T 3406的相关规定,表中的厚度不包括凸台高度。
表11公称压力PNIlO(CLASS600),密封面型式为LM的盲板尺寸 单位:mm
|
公称直径 DN |
内径尺寸 A |
外径尺寸 A) |
中心线距离 A |
盲板厚度 T |
腹板宽度 W |
腹板厚度 % |
手柄宽度 尸 |
手柄厚度 Pt |
手柄长度 L |
|
15 |
16.0 |
50.0 |
66.7 |
6.4 |
38 . |
6.4 |
25 |
3.0 |
100 |
|
20 |
21.0 |
64.0 |
82.6 |
6.4 |
38 |
6.4 |
25 |
3.0 |
100 |
|
25 |
27.0 |
70.0 |
88.9 |
6.4 |
57 |
6.4 |
25 |
3.0 |
100 |
|
(32) |
37.0 |
79.0 |
98.4 |
9.7 |
57 |
9.7 |
25 |
3.0 |
100 |
|
40 |
43.0 |
92.0 |
114.3 |
9.7 |
67 |
9.7 |
25 |
3.0 |
100 |
|
50 |
55.0 |
108.0 |
127.0 |
9.7 |
57 |
9.7 |
25 |
3.0 |
100 |
|
(65) |
67.0 |
127.0 |
149.2 |
12.7 |
67 |
10.0 |
25 |
6.0 |
100 |
|
80 |
83.0 |
146.0 |
168.3 |
12.7 |
67 |
10.0 |
25 |
6.0 |
100 |
|
100 |
108.0 |
189.0 |
215.9 |
15.7 |
76 |
10.0 |
40 |
6.0 |
100 |
|
(125) |
135.0 |
236.0 |
266.7 |
19. 1 |
86 |
10.0 |
40 |
6.0 |
100 |
|
150 |
162.0 |
262.0 |
292. 1 |
22.4 |
86 |
10.0 |
40 |
8.0 |
100 |
|
200 |
212.0 |
316.0 |
349.2 |
28.4 |
95 |
10.0 |
40 |
8.0 |
120 |
|
250 |
265.0 |
395.0 |
431.8 |
35. 1 |
105 |
12.0 |
40 |
10.0 |
120 |
|
300 |
315.0 |
453.0 |
489.0 |
41. 1 |
105 |
14.0 |
40 |
10.0 |
120 |
|
350 |
346.0 |
488.0 |
527.0 |
44.5 |
114 |
14.0 |
40 |
10.0 |
120 |
13
标准分享网WWW. bzfxw. com免费下载
SH/T 3425—2011
表11 (续) 公称压力PNIlO(CLASS600),密封面型式为LM的盲板尺寸 单位:mm
|
公称直径 DN |
内径尺寸 Oi |
外径尺寸 D0 |
中4^落 |
盲板厚度 T |
腹板宽度 W |
⅜fej⅛ |
手柄宽度 |
手柄厚度 Pt |
手柄长度 Z |
|
400 |
397.0 |
56^^ |
10.0 |
120 | |||||
|
450 |
448.0 |
r |
57.0 |
133 |
26¾' |
12.0 |
120 | ||
|
500 |
497. 0 / |
/ 723.9 |
63.5 |
133 |
24.0 |
∖12.0 |
120 | ||
|
600 |
5心 |
838.2 |
76.2 |
152 |
30.0 |
费¾ |
140 |
4. 2.9公称压力PNI50(CLASS900),密封面型式为LM的盲板尺寸见表⑵密封面而尺寸应符合 SH/T3406而相关规定:表中的厚度不包括凸台高度。\4Λ \
表12公称压力Zw[50(CLASS900),密封面型式为LM的盲板尺寸’ % ¥位:mm
|
公称直径 DN J |
‘内径過 5 Al I |
法卜径尺寸 D° |
中心线距离 / |
盲板厚度 |
腹板宽度 |
腹板厚度 % |
手柄宽度 P |
手^>废 次上 |
手柄长度 I ɪ | |
|
15 J |
^^1 |
60.0 |
82.6 |
蹙厥 |
6.4 |
25 |
IlOO | |||
|
20 J |
2k Of |
66.0 |
88.9 |
6j4,茎 |
41 |
6.4 |
25 |
∣. y |
‰ IOO | |
|
25 f I |
27.0 |
75.0 |
101.6 |
6.4 |
57 |
6.4 |
25 |
3∣C^ |
∣oo | |
|
(32∣ J |
wM. I |
85.0 |
111.1 |
9.7 |
57 |
9.7 |
25 |
3⅜¾ |
/ 1)0 | |
|
40∣ |
93.0 |
門B: 8 |
67 |
9.7 |
25 |
3∣0 ?: | ||||
|
501 I |
139.0 |
165. 1 |
12.7 霎 |
:57 - |
10.0 |
25 |
6.0 |
¥ ⅛θ | ||
|
(65)1 |
善g.(I |
160.0 |
190.5 |
12.7 |
67 |
10.0 |
25 |
6.0 |
:joo | |
|
80 Y |
⅛^^^ OT |
164.0 |
190.5 |
15. 7 |
67 |
10. 0 |
25 |
Ioo | ||
|
100 ⅛ |
蒙宣筠~~Γ |
202.0 |
235. 0 |
19. i |
76 |
10.0 |
40 |
寅,。 |
100 | |
|
(125) I |
、243.0 |
279. 4 |
I 25^^ |
10.0 |
40 |
/ 120 | ||||
|
150 |
Vt2∙f⅜ |
∖284∙。 |
噂 |
2^^J |
^^6 |
10.0 |
40 |
F 120 | ||
|
200 |
⅝54.0 |
393. 7 |
95 |
12.0 |
4。/ |
米 f |
120 | |||
|
250 |
2^.W |
喰O |
469. 9 |
4L 1 |
105 |
12.0 |
40 / |
10.0 |
120 | |
|
300 |
ɪ 315⅛ _____% |
•533.4 |
5(0 |
寥105 |
16.0 |
10.0 |
120 | |||
|
350 |
346. 0 ⅜ |
邑 558.8 |
53.8 |
114 |
18.0 |
/ 40冷 |
10. O |
120 | ||
|
400 |
397.0 |
⅝. |
60.5 |
124 |
20. |
ɪ '12.0 |
120 | |||
|
450 |
448.0 |
6编參 |
69.9 |
133 |
40 |
12.0 |
140 | |||
|
500 |
497.0 |
694.∖ |
^5∑S≈≤⅛⅛jς⅞S^Q |
/40 |
12.0 |
140 | ||||
|
600 |
597.0 |
833.0 |
90M |
91.9 |
152 |
40 |
14.0 |
160 | ||
4. 2. 10公称压力PN260(CLASS1500),晶面型式为例的盲板尺寸见表13。密封面的尺寸应符合
SH/T 3406的相关规定,表中的厚度不包括凸台高度。
14
SH/T 3425—2011
表13公称压力/W260(CLASS1500),密封面型式为LM的盲板尺寸 单位:mm
|
公称直径 DN |
内径尺寸 A |
外径尺寸 |
-盲板厚度7 T |
s^^⅛⅛ |
腹板厚度 |
手柄宽度 P |
手柄厚度 Pt |
手柄长度 L | ||
|
15 |
16.0 |
38 ( |
25 |
3.0 |
100 | |||||
|
20 |
21.0 ___^ |
9.7 |
\ 25 |
3.0 |
100 | |||||
|
25 (32) |
27% |
8<0 |
IOL 6 111.1 |
9.7 9.7 |
64 64 |
9A |
3.0 3.0 |
100 100 | ||
|
40 |
/ ¾r ^...Ki - |
、6.0 |
100 | |||||||
|
50 / |
53.0 / |
k¾6.0 |
100 | |||||||
|
(65', |
⅛戋 |
^lo |
100 | |||||||
|
8/■ |
TMO |
]7^r 0 |
25¾ % |
居 W1 ¾ |
100 | |||||
|
3SJ | ||||||||||
|
V1&.0 -_L~察一............................................................ |
205.0 |
241.3 |
≡U^J |
二 89 |
10.0 |
40 |
—j A— ⅛"rf⅝0 A |
120 | ||
|
夕 128.0 |
250.0 |
292.1 |
31.8 |
一 89 |
10.0 |
40 I |
8.0 |
120 | ||
|
J 150 |
? *154. 0 |
2*^^ |
317.5 |
35. 1 |
89 |
10.0 |
40号 |
;zθ魏 I |
120 | |
|
I foo |
I 203. 0 |
34^^ |
393. 7 |
44.5 |
102 |
12.0 |
40 |
I ⅝^ I |
120 | |
|
f嘉U |
I 255.0 |
43W^^ |
482. 6 |
53. 8 |
隆 114 - |
14.0 |
40 |
Γ (10. 0⅛ ? |
140 | |
|
£ ɜθl g A层季衣Wæ½0 |
■ 303.0 |
51⅝. 0 |
114 |
20. 0 |
40 |
I 1(10 |
140 | |||
|
1 I 333.0 |
575∣^ |
635. 0 |
127 |
24.0 |
40 |
号參將興甌j |
140 | |||
|
I ^o⅛⅝ |
g ¥ 381.0 |
636.磁 |
704. 8 |
79^^- |
133 |
28.0 |
40 |
3 參 |
160 | |
|
~4-→— |
W 429.0 |
7¾O |
9卷^^ |
146 |
310 |
40 l |
⅛^) I |
160 | ||
|
矮 %78.0 |
7^⅛ |
Ii^^⅛ |
豊152 |
38. 0 |
40 I |
^R^ 0 f |
180 | |||
|
⅛00 1袁 |
5簞.0 ⅛亀 |
8風情 |
^M).6 |
—IlOj |
,17^^ |
;Wo |
40 f ⅜ |
200 | ||
4. 2.11公称压力/W420 (CLASS2 500),密式为LM的盲板丿
合SH/T3406的相关规定,表中的厚度不包括凸台高度。
N ⅛ 14公称压力PN420 (CLASS2500);密封面型式为LM的肓派尽寸
又寸见表14。密封面的尺寸应符
单位:mm
|
公称直径 DN |
年雜 _— |
外径尺寸 |
中心触离 A |
7板厚陵 T |
腹板宽度 W |
腹板厚度 |
侬宽度 |
赁柄厚度 |
手柄长度 L |
|
15 |
N |
88.9 |
9.7 |
38 |
3.0 |
100 | |||
|
20 |
21.0 |
κ^‰ |
參翦% |
9.7 |
3.0 |
100 | |||
|
25 |
27.0 |
8^^1 |
H |
9.7 |
X*y" /^ 64^^ |
/ 9步 |
25 |
3.0 |
100 |
|
(32) |
35.0 |
100.0 |
12.7 |
6‰^ |
产 10.0 |
25 |
6.0 |
100 | |
|
40 |
41.0 |
113.0 |
146.0 |
15.7 |
70 |
10.0 |
25 |
6.0 |
100 |
15
标准分享网WWW. bzfxw. com免费下载
SH/T 3425—2011
表14 (续) 公称压力PN420(CLASS2500),密封面型式为LM的盲板尺寸 单位:mm
|
公称直径 DN |
内径尺寸 Di |
外径尺寸 °。 |
中心线距离 A |
盲板厚度 T |
腹板宽度 W |
腹板厚度 Wx |
手柄宽度 P |
手柄厚度 A |
手柄长度 Z |
|
50 |
53.0 |
141.0 |
171.4 |
15.7 |
,70 |
10.0 |
25 |
6.0 |
IOO |
|
(65) |
63.0 |
163.0 |
196.8 |
19. 1 |
76 |
10.0 |
25 |
6.0 |
IOO |
|
80 |
78.0 |
192.0 |
228.6 |
22.4 |
76 |
10.0 |
40 |
8.0 |
120 |
|
100 |
102.0 |
231. 0 |
273.0 |
28.4 |
89 |
10.0 |
40 |
10.0 |
120 |
|
(125) |
128.0 |
275.0 |
323.8 |
35. 1 |
89 |
10.0 |
40 |
12.0 |
140 |
|
150 |
154.0 |
313.0 |
368.3 |
41. 1 |
89 |
12.0 |
40 |
12.0 |
140 |
|
200 |
198.0 |
383.0 |
438.2 |
53.8 |
102 |
14.0 |
40 |
12.0 |
140 |
|
250 |
248.0 |
471.0 |
539.8 |
66. 5 |
114 |
22.0 |
40 |
12.0 |
160 |
|
300 |
289.0 |
545.0 |
619.1 |
79.2 |
114 |
30.0 |
40 |
12.0 |
160 |
4. 2. 12公称压力PN20(CLASS150),密封面型式为MRJ的盲板尺寸见表15。密封面的尺寸应符合 国家现行标准SH/T 3403的有关规定;图中的Th等于椭圆型金属环垫的环高和T之和。
表15公称压力PN20(CLASS150),密封面型式为MRJ的盲板尺寸 单位:mra
|
公称直径 DN |
内径尺寸 A |
中心线距离 A |
盲板厚度 T |
腹板宽度 歹 |
腹板厚度 % |
手柄宽度 P |
手柄厚度 Pt |
手柄长度 Z |
|
25 |
34.0 |
79.4 |
6.4 |
51 |
6.4 |
25 |
3.0 |
IOO |
|
(32) |
42.0 |
88.9 |
6. 4 |
51 |
6.4 |
25 |
3.0 |
IOO |
|
40 |
48.0 |
98.4 |
6.4 |
57 |
6.4 |
25 |
3.0 |
IOO |
|
50 |
60.0 |
120.7 |
6.4 |
57 |
6.4 |
25 |
3.0 |
IOO |
|
(65) |
73.0 |
139.7 |
9.7 |
57 |
9. 7 |
25 |
3.0 |
IOO |
|
80 |
89.0 |
152.4 |
9.7 |
57 |
9.7 |
25 |
3.0 |
IOO |
|
100 |
114.0 |
190.5 |
9.7 |
64 |
9.7 |
25 |
3.0 |
100 |
|
(125) |
141.0 |
215.9 |
12.7 |
76 |
10.0 |
25 |
3.0 |
IOO |
|
150 |
168.0 |
241. 3 |
12.7 |
83 |
10.0 |
40 |
6.0 |
IOO |
|
200 |
219.0 |
298.5 |
15.7 |
95 |
10.0 |
40 |
6.0 |
100 |
|
250 |
273.0 |
362.0 |
19. 1 |
102 |
10.0 |
40 |
6.0 |
IOO |
|
300 |
324.0 |
431.8 |
22.4 |
121 |
10.0 |
40 |
6.0 |
100 |
|
350 |
356. 0 |
476. 3 |
22.4 |
127 |
10.0 |
40 |
6.0 |
120 |
|
400 |
406.0 |
539.8 |
25.4 |
127 |
12.0 |
40 |
8.0 |
120 |
|
450 |
457. 0 |
577.9 |
28.4 |
127 |
12.0 |
40 |
8.0 |
120 |
|
500 |
508.0 |
635.0 |
28.4 |
127 |
14.0 |
40 |
8.0 |
120 |
|
600 |
610. 0 |
749. 3 |
35. 1 |
152 |
16.0 |
40 |
10.0 |
120 |
16
SH/T 3425—2011
4. 2. 13公称压力PN50 (CLASS300),密封面型式为MRJ的盲板尺寸见表16。密封面的尺寸应符合 国家现行标准SH/T 3403的有关规定;图中的几等于椭圆型金属环垫的环高和T之和。
表16公称压力/W50(CLASS300), 一密封面型式为MRJ的盲板尺寸 单位:mm
|
公称直径 DN |
内径尺寸 Oi |
中心线距离 A |
盲板厚度 T |
腹板宽度 W |
腹板厚度 % |
手柄宽度 P |
手柄厚度 A |
手柄长度 丄 |
|
15 |
21.0 |
66.7 |
6.4 |
38 |
6.4 |
25 |
3.0 |
100 |
|
20 |
27.0 |
82.6 |
9.7 |
45 |
9.7 |
25 |
3.0 |
100 |
|
25 |
34.0 |
88.9 |
9. 7 |
51 |
9.7 |
25 |
3.0 |
100 |
|
(32) |
42.0 |
98.4 |
9.7 |
51 |
9. 7 |
25 |
3.0 |
100 |
|
40 |
48.0 |
114.3 |
9.7 |
57 |
9.7 |
25 |
3.0 |
100 |
|
50 |
60.0 |
127.0 |
12.7 |
• 57 |
10.0 |
25 |
3.0 |
100 |
|
(65) |
73. 0 |
149.2 |
15.7 |
57 |
10.0 |
25 |
3.0 |
100 |
|
80 |
89.0 |
168.3 |
15.7 |
57 |
10.0 |
25 |
3.0 |
100 |
|
100 |
114.0 |
200.0 |
15.7 |
64 |
10.0 |
25 |
6.0 |
100 |
|
(125) |
141.0 |
235.0 1 |
19. 1 |
76 |
10.0 |
25 |
6. 0 |
100 |
|
150 |
168.0 |
269.9 |
22.4 |
83 |
10.0 |
40 |
6.0 |
100 |
|
200 |
219.0 |
330.2 |
25.4 |
95 |
10.0 |
40 |
8.0 |
100 |
|
250 |
273.0 |
387.4 |
28.4 |
102 |
10.0 |
40 |
8.0 |
120 |
|
300. |
324.0 |
450. 8 |
35. ,1 |
..121 |
12: 0 |
40 |
10.0 |
120 |
|
350 |
356.0 |
514.4 |
38. 1 |
127 |
12.0 |
40 |
10.0 |
140 |
|
400 |
406.0 |
571.5 |
41. 1 |
127 |
16.0 |
40 |
10.0 |
140 |
|
450 |
457.0 |
628.6 |
44.5 |
127 |
18.0 |
40 |
12.0 |
140 |
|
500 |
508.0 |
685. 8 |
50.8 |
127 |
20.0 |
40 |
12.0 |
140 |
|
600 |
610.0 |
812.8 |
57.2 |
152 |
26. 0 |
40 |
12.0 |
160 |
4.2. 14公称压力PNlIO (CLASS600),密封面型式为MRJ的盲板尺寸见表17。密封面的尺寸应符 合国家现行标准SH/T 3403的有关规定;图中的几等于椭圆型金属环垫的环高和T之和。
表17公称压力尸NIlo(CLASS600),密封面型式为MRJ的盲板尺寸 单位:mm
|
公称直径 DN |
内径尺寸 Di |
中心线距离 A |
盲板厚度 T |
腹板宽度 % |
腹板厚度 % |
手柄宽度 P |
手柄厚度 |
手柄长度 L |
|
15 |
21.0 |
66.7 |
6.4 |
38 |
6.4 |
25 |
3.0 |
100 |
|
20 |
27.0 |
82.6 |
9.7 |
45 |
9.7 |
25 |
3.0 |
100 |
|
25 |
34.0 |
88.9 |
9.7 |
51 |
9.7 |
25 |
3.0 |
100 |
|
(32) |
42.0 |
98.4 |
9.7 |
57 |
9.7 |
25 |
3.0 |
100 |
17
标准分享网WWW. bzfxw. com免费下载
SH/T 3425—2011
表17(续) 公称压力/W110(CLASS600),密封面型式为MRJ的盲板尺寸 单位:mm
|
公称直径 DN |
内径尺寸 Oi |
中心线距离 A |
K板厚饭’ |
腹板宽度 W |
^^^^ |
手柄宽度 |
手柄厚度 Pt |
手柄长度 Z | ||
|
40 |
48.0 |
日" |
1- ^^々3 7⅜⅛τ> |
χ,¾ |
3.0 |
100 | ||||
|
50 |
60.0 |
^^ 7 |
51 |
io. (T% |
∖ 3∙0 |
100 | ||||
|
(65) |
73.0 / |
15. 7 |
57 |
10.0 |
Q飞。 |
100 | ||||
|
80 |
15.7 |
67 |
10.0 |
100 | ||||||
|
100 |
114. (^ |
一从5. |
19. 1 |
73 |
10.0 |
6.0 |
120 | |||
|
(125) |
.141.0 |
/ 266. |
22.4 |
■ :?3 |
10.0 |
40 |
[120 | |||
|
150 |
/ ι⅛a^ J |
292. ® |
28.4 |
73 |
10.0 |
40 |
%8声i电 |
「% 120 | ||
|
200 / |
^ ¾Io∕ |
349.2 |
35.1 |
83 |
i 10.0 |
40 |
*,. |
ʌ ^120 | ||
|
25。启 |
/2初, |
431.8 |
41. 1 |
121 |
■ 12.0 |
40 |
10⅛0 | |||
|
300 ? |
324./0 |
489.0 |
47.8 |
;14.0 |
40 |
ιo∙V. |
‘-1⅜ | |||
|
350 I |
35⅛ 0 |
527. O |
50.8 |
121 |
套抹^^ |
!4( |
io. 011 |
^⅝ I | ||
|
4001 J |
I 10| 0 |
603. |
57.2 |
I 127 |
[^^^ |
鑫氯 |
Iθ∙θ∣ l |
f^⅜60 | ||
|
450j % |
裁方5?. 0 |
654.0 |
^^^^e |
133 |
■4C |
12.0 ⅛ |
‰/ 装 ^^Jtfo | |||
|
500 ⅛ i |
吋礎.0 |
723∙ 9 " |
落堂⅛‰9号ξ塞 |
=m⅛⅜fr ⅛χ |
JO |
12.0 I |
::一三:一一: |
9 L | ||
|
6001 |
610.0 |
838. |
82.6 |
I懸2 ; |
,理^B |
-40 |
12. 0 I I | |||
4. 2.15公称丿單力PN150 (CLASS900),密封面型式为MRJ的盲板尺寸见表18。密封电的尺寸应符 合国家耽j标准SH/T 3403的有关规定;图中的号卷椭圆型金属环垫的环高和7之和。
表18,公称压力尸N15CKebASS900),密封面型式为MRJ的盲板尺寸 M 瞭位;mm
|
公称直径 DN |
\緜尽扌\ 、「网 I/ |
中心线距韓 |
7' |
壇板^S 鼠家 |
廖板厚麗 |
手柄宽度 |
手柄 |
好精长度 |
|
15 |
:2L 0 . |
\ 82.6 I |
9.7 |
38 |
-</ %?癖茎 |
3.0 |
# 100 | |
|
20 |
27.6 |
‰.9 |
9.7 |
45 |
I B 7 |
25 ; |
/3.0 |
/ 100 |
|
25 |
34.⅛ |
/制蜃 |
9.7 |
51 , |
9.7 |
25丿/ |
100 | |
|
(32) |
42. 0 \ |
12.7 |
54 |
10.0 |
25 |
^^燙 |
100 | |
|
40 |
48.0 |
‰. 12. 7 |
54 |
10.0 |
3. 0 |
100 | ||
|
50 |
60. 0 |
:15.7 |
51 |
10.0 |
25 — |
/ 6.0 |
120 | |
|
(65) |
73.() |
190.¼^ |
爲Iaj |
FfS |
si^β^^0 |
∙^∕χ |
6.0 |
120 |
|
80 |
89.0 |
190.5 |
19. 1 |
67 |
10.0 |
25 |
6.0 |
120 |
|
100 |
114.0 |
235.0 |
25.4 |
-^‰s^ |
S^^^^ |
40 |
6.0 |
120 |
|
(125) |
141.0 |
279.4 |
28.4 |
73 |
10.0 |
40 |
8.0 |
140 |
18
SH/T 3425—2011
表18(续) 公称压力尸N150(CLASS900),密封面型式为MRJ的盲板尺寸 单位:mm
|
公称直径 DN |
内径尺寸 A |
中心线距禽 |
腹板宽度 W |
手柄宽度: |
手柄厚度 .Pt |
手柄长度 Z | ||
|
150 ^ |
168.0 |
^^≡^^^ |
8.0 |
140 | ||||
|
200 |
219.0 / |
79 |
10.0 |
160 | ||||
|
250 |
47.8 |
121 |
12.0 % |
k 10.0 、. |
160 | |||
|
300 |
57.2 |
121 |
16.0 |
\1。,。 |
160 | |||
|
350 |
夕 5^^^ |
维0 |
160 | |||||
|
400 , |
? 406. 0 / |
l"'-∙'' |
127 |
j∙÷'.∙:'.- -::]_:•_ ■-」:" |
160 | |||
|
450 / |
6馭8 . |
…- |
「=;三「― 5,=,, |
24. 0 |
M 40 1 |
U.(K |
180 | |
|
500 / |
Wo |
7⅛∣3⅞∣ |
響感装一 |
127 |
|?i 40 |
180 | ||
|
6立 |
s^6⅛. 0 |
901. 7 |
98.6 |
40.0 |
40 |
T⅛1 |
220 |
4. 2.je ^»fkJj ∕W260(CLASS 1500),E≡M≡⅛⅛ MRJ 的ff板尺寸见表 19。沛驾呷'Q尺寸应符 ⅛∣WWW⅛SH∕T 3403的有关规定;:图中Ss葡:椭圆型金属环里的环高和 WW ⅛
SS
|
£、表19公称压力PN260(CLASS1500),密封面型式为M;RJ的盲板尺寸〔 J单位:mm | ||||||||
|
公称泊彳仝” |
?内径尺寸 I Qi |
中心线距离 ≡s |
胸厚帽 |
腹板宽度 |
腹板厚度 |
TI柄宽度 鑫P |
手痴版U |
吊柄长度 |
|
⅛般⅝ |
I 21.0 S 27.0 |
9.7 |
「5「 |
9.7 |
JJ 25 急25 |
.,I loo | ||
|
:34.0 |
","7,T |
^^^^^ |
J , 100 | |||||
|
您 } |
I 42.0 |
道承莓 |
F 12. 7 ; |
嚏25 |
金必 |
I loo | ||
|
4() 50 |
I ⅛ 48.0 岸 ^60. 0 |
165. 1 |
^19.1 ¾ |
号25 § 25 |
鋭Ir^ |
J 100 J 120 | ||
|
(电% |
b *3. 0 |
190. 5 |
-七 礴22. 4 ≡ |
鬻25 |
/護00 , |
F 120 | ||
|
80 |
脸0 |
痛3. 2 |
善28. 4源 |
Uko善 |
i 25 |
/。> , |
120 | |
|
100 ^ |
^114⅛ |
241. 3 |
'31.8 |
10.0 |
馨40 / |
120 | ||
|
(125) Z |
292. 1 |
10. 0 |
与40 J |
8.(), |
140 | |||
|
150 |
幺 168. o / |
317.5 |
41. 1 |
10.0 |
I 40- |
8.0 |
140 | |
|
20() |
219. O |
7耐窘 |
12.() |
旣^^W |
,Jtoo |
160 | ||
|
250 |
您.0* |
P ¾6 |
63.5 |
133 |
14.0 |
/ 10.0 |
180 | |
|
300 |
324.0 承 |
73.2 |
133 |
20. 0 |
10.0 |
200 | ||
|
350 |
356.0 二 |
y.2 |
140 |
∕4∙Q∣ |
10.0 |
220 | ||
|
400 |
406. 0 |
方04% |
146 |
⅛^嬢 |
/40 |
12.0 |
220 | |
|
450 |
457.0 |
774. 7、 |
.98.6 |
152 |
耽/ |
40 |
12.0 |
240 |
|
500 |
508.0 |
831.8 |
]0^^』 |
¾^^⅛i^^^s^κ |
—38. 0 |
40 |
14.0 |
240 |
|
600 |
610.0 |
990.6 |
127.0 |
178 |
50.0 |
40 |
18.0 |
280 |
19
标准分享网WWW. bzfxw. com免费下载
SH/T 3425—2011
4. 2.17公称压力/W420 (CLASS2500),密封面型式为MRJ的盲板尺寸见表20。密封面的尺寸应符 合国家现行标准SH/T 3403的有关规定;图中的乙等于椭圆型金属环垫的环高和T之和。
表20公称压力7W420(CLASS2500),密封面型式为MRJ的盲板尺寸 单位:mm
|
公称直径 DN |
内径尺寸 Qi |
中心线距离 A |
盲板厚度 T |
腹板宽度 W |
腹板厚度 % |
手柄宽度 P |
手柄厚度 Λ |
手柄长度 L |
|
15 |
21.0 |
88.9 |
12.7 |
41 |
9.7 |
25 |
3.0 |
IOO |
|
20 |
27.0 |
95.2 |
15.7 |
48 |
9.7 |
25 |
3. 0 |
IOO |
|
25 |
34.0 |
108.0 |
15.7 |
54 |
9.7 |
25 |
3.0 |
IOO |
|
(32) |
42.0 |
130.2 |
19. 1 |
54 |
10.0 |
25 |
6.0 |
IOO |
|
40 |
48.0 |
146.0 |
22.4 |
61 |
10.0 |
25 |
6.0 |
120 |
|
50 |
60.0 |
171.4 |
25.4 |
57 |
10.0 |
25 |
6.0 |
120 |
|
(65) j |
73.0 |
196.8 |
28.4 |
61 |
10.0 |
25 |
6.0 |
120 |
|
80 |
89.0 |
228.6 |
31.8 |
76 |
10.0 |
40 |
8.0 |
140 |
|
100 |
114.0 |
273.0 |
38. 1 |
83 |
10.0 |
40 |
10.0 |
140 |
|
(125) |
141.0 |
323.8 |
47.8 |
89 |
10.0 |
40 |
12.0 |
160 |
|
150 |
168.0 |
368.3 |
57.2 |
95 |
12.0 |
40 |
12.0 |
180 |
|
200 |
219.0 |
438.2 |
69.9 |
95 |
14.0 |
40 |
12.0 |
180 |
|
250 |
273.0 |
539.8 |
82.6 |
95 |
22.0 |
40 |
12.0 |
200 |
|
300 |
324.0 |
619. 1 |
98.6 |
152 |
30.0 |
40 |
12.0 |
220 |
4. 2.18公称压力PN20(CLASSI50),密封面型式为FRJ的盲板尺寸见表21。密封面的尺寸应符合 国家现行标准SH/T 3406的有关规定。
表21公称压力/W20(CLASS150),密封面型式为FRJ的盲板尺寸 单位:mm
|
公称直径 DN |
内径尺寸 Oi |
外径尺寸 |
中心线距离 / |
盲板厚度 T |
腹板宽度 W |
腹板厚度 斬 |
手柄宽度 P |
手柄厚度 Pt |
手柄长度 L |
|
25 |
34.0 |
63.5 |
79.4 |
19. 1 |
51 |
6.0 |
25 |
6.0 |
100 |
|
(32) |
42.0 |
73.0 |
88.9 |
19. 1 |
51 |
6.0 |
25 |
6.0 |
100 |
|
40 |
48.0 |
82.5 |
98.4 |
19. 1 |
57 |
6.0 |
25 |
6.0 |
100 |
|
50 |
60.0 |
102.0 |
120.7 |
19. 1 |
57 |
6.0 |
25 |
6.0 |
100 |
|
(65) |
73.0 |
121.0 |
139.7 |
22.4 |
57 |
6.0 |
25 |
6.0 |
100 |
|
80 |
89.0 |
133.0 |
152.4 |
22.4 |
57 |
6.0 |
25 |
6.0 |
100 |
|
100 |
114.0 |
171.0 |
190.5 |
22.4 |
64 |
8.0 |
25 |
8.0 |
100 |
|
(125) |
141.0 |
194.0 |
215.9 |
25.4 |
70 |
8.0 |
25 |
8.0 |
100 |
|
150 |
168.0 |
219.0 |
241.3 |
25.4 |
83 |
8.0 |
40 |
8.0 |
100 |
|
200 |
219.0 |
273.0 |
298.5 |
28.4 |
95 |
10.0 |
40 |
10.0 |
100 |
20
SH/T 3425—2011
表21 (续) 公称压力尸N20(CLASS150),密封面型式为FRJ的盲板尺寸 单位:mm
|
公称直径 DN |
内径尺寸 Oi |
外径尺寸 D0 |
中心线距离 力 |
盲板厚度 7 |
腹板宽度 ,W |
腹板厚度 % |
手柄宽度 P |
手柄厚度 Pt |
手柄长度 Z |
|
250 |
273.0 |
330. 0 |
362.0 |
31,8 |
102 |
10.0 |
40 |
10.0 |
100 |
|
300 |
324.0 |
406.0 |
431.8 |
35. 1 |
121 |
10.0 |
40 |
12.0 |
100 |
|
350 |
356.0 |
425.0 |
476.3 |
35.1 |
127 |
12.0 |
40 |
12.0 |
120 |
|
400 |
406.0 |
483.0 |
539.8 |
38. 1 |
127 |
12.0 |
40 |
12.0 |
120 |
|
450 |
457.0 |
546.0 |
577.9 |
41. 1 |
127 |
14.0 |
40 |
12. 0 |
120 |
|
500 |
508.0 |
597.0 |
635.0 |
41. 1 |
127 |
14.0 |
40 |
12.0 |
120 |
|
600 |
610.0 |
711.0 |
749.3 |
.47.8 |
152 |
18.0 |
40 |
12.0 |
120 |
4. 2.19公称压力P7√5O(CLASS3OO),密封面型式为FRJ的盲板尺寸见表22。密封面的尺寸应符合 国家现行标准SH/T 3406的有关规定。
表22公称压力PN50 (CLASS300),密封面型式为FRJ的盲板尺寸 单位:mm
|
公称直径 DN |
内径尺寸 A |
外径尺寸 A> |
中心线距离 N |
盲板厚度 T |
腹板宽度 W |
腹板厚度 % |
手柄宽度 P |
手柄厚度 Pt |
手柄长度 丄 |
|
15 |
21.0 |
51.0 |
66. 7 |
15.7 |
38 |
6.0 |
25 |
6.0 |
100 |
|
20 |
27.0 |
63.5 |
82.6 |
19. 1 |
45 |
6.0 |
25 |
6.0 |
100 |
|
25 |
34,0 |
70.0 |
88.9 |
19.1 |
51 |
6.0 |
25 |
6.0 |
100 |
|
(32) |
42.0 |
79. 50 |
98.4 |
22.4 |
51 |
6.0 |
25 |
6.0 |
100 |
|
40 |
48.0 |
90.5 |
114.3 |
22.4 |
57 . |
6.0 |
25 |
6.0 |
120 |
|
50 • |
60.0 |
108.0 |
127.0 |
25.4 |
57 |
10.0 |
25 |
6.0 |
120 |
|
(65) |
73.0 |
127.0 |
149.2 |
28.4 |
57 |
10.0 |
25 |
6.0 |
120 |
|
80 |
89.0 |
146.0 |
168,3 |
28.4 |
57 |
10.0 |
25 |
6.0 |
120 |
|
100 |
114.0 |
175.0 |
200.0 |
31.8 |
64 |
10.0 |
25 |
8.0 |
120 |
|
(125) |
141.0 |
210.0 |
235.0 |
35.1 |
70 |
10.0 |
25 |
8.0 |
.120 |
|
150 |
168.0 |
241.0 |
269.9 |
35.1 |
• 83 |
10.0 |
40 |
8.0 |
120 |
|
200 |
219.0 |
302.0 |
330.2 |
41.1 |
95 |
10.0 |
40 |
10.0 |
120 |
|
250 |
273.0 |
356.0 |
387.4 |
44.5 |
102 |
10.0 |
40 |
10. 0 |
120 |
|
300 |
324.0 |
413.0 |
450.8 |
50.8 |
121 |
10.0 |
40 |
10.0 |
140 |
|
350 |
356.0 |
457.0 |
514.4 |
53.8 |
127 |
12.0 |
40 |
10.0 |
140 |
|
400 |
406.0 |
508.0 |
571.5 |
57.2 |
127 |
14.0 |
40 |
12.0 |
160 |
|
450 |
457.0 |
575.0 |
628.6 |
60.5 |
127 |
18.0 |
40 |
12.0 |
160 |
|
500 |
508.0 |
635.0 |
685.8 |
69.9 |
127 |
22.0 |
40 |
12. 0 |
160 |
|
600 |
610.0 |
749.0 |
812.8 |
79.2 |
152 |
26.0 |
40 |
12. 0 |
160 |
21
标准分享网WWW. bzfxw. com免费下载
SH/T 3425—2011
4. 2. 20公称压力PΛH10(CLASS600),密封面型式为FRJ的盲板尺寸见表23。密封面的尺寸应符合 国家现行标准SH/T 3406的有关规定。
表23公称压力/W110(CLASS600),密封面型式字f咤的直板尺寸 单位:mm
|
公称直径 DN |
内径尺寸 Di |
外径尺旷 |
⅛^⅛⅛ |
^≡禧 J” T |
S^^^ / |
^^^ |
手柄厚度 B |
手柄长度 Z | ||
|
15 |
21.0 |
^^7 |
19. 1 |
38 |
6.0 ' |
A 6.0 |
IOO | |||
|
20 |
270/ |
/ 82.6 |
22.4 |
45 |
6.0 _ |
2— |
>6^0 |
IOO | ||
|
25 |
i 88.9 |
二2奥建;] |
^^^^ |
6,0 |
25 飞', |
6. 0 , |
IOO | |||
|
(32) |
-J 42? 0 |
7^0 |
:98.4 |
22.4 |
10.0 |
25 |
6,0 |
LOO | ||
|
40 |
疗90. 5 |
:U磐3 |
隙喔耀黑 |
■::熊藝, |
9 0 |
25 |
1 6. 0 |
120 | ||
|
50 |
W |
/ 108. 0 |
FSn |
28. -1 |
25 |
欣03 |
,Al 20 | |||
|
(65) |
:127.0 |
149.2 |
31.∣g∙⅛ |
5⅛∣⅜∣≡ |
10.0 , |
25 |
6; 6 |
& i⅛o | ||
|
80 |
皆胡? |
146.0 |
168.3 |
31∙∣H |
10. 0 |
25 |
6.b |
ζ 120 | ||
|
IOoj |
175.0 |
215.9 |
⅛⅛ |
64 |
40 |
8. 0 |
120 | |||
|
(125) |
f般5年 |
210.0 |
26(5. 7 |
38 J |
10.0 |
40 |
8.0 |
140 | ||
|
150: I |
⅛ J =三一.三二緩.] |
241.0 |
. 292.1 . |
.…44. 5 — |
83 |
10.0 |
140 | |||
|
200 I |
302.0 |
. |
. |
40 |
16.0 |
J」4(I • | ||||
|
356.0 |
431.8 |
i⅛⅛⅛⅜ / |
102 |
40 |
10. Q g |
,1601 | ||||
|
30® I |
.324∙° |
413.0 |
P 489.0 |
二礴5 i |
115 |
40 |
ιθ∙1β |
甘高 ∙⅛⅛S S | ||
|
350 I |
崔敍城0∣ |
457.0 |
毒窟卷:蒙: |
⅛ W. 5 < ⅛ |
W≡M⅛ |
40 |
ιθ.p^ |
參尹A" 舞 160 | ||
|
400 |
FirT M®. Q I !皂 |
508.0 |
603. 2 |
I 73. 2傳 |
127 |
18.0 |
40 |
12f0^: | ||
|
450 |
575.0 |
:654.0 |
79. ⅛¾⅛ |
127 ' |
22.0 |
⅛∣ 40 |
12。 |
t 160 | ||
|
500 |
A 635. 0 |
;723.9 |
J 88.9 |
127 |
26.0 |
40 |
•160 | |||
|
600 |
⅜49.0 |
` 838.2 |
⅞uoM⅛ |
⅛lδ⅛ : |
32.0 |
:盘! 40 |
/1W»- |
180 | ||
4. 2. 21公称压力PM50、(CLASS900),密封面型式为FRJ的盲板尺寸见表24。密时间的尺寸应符合 国家现行标准SH/T 3406的有关规定。
表24公称压力/W150(CLASS900),密封面型式为FRJ的盲板尺寸 单位:mm
|
公称直径 DN |
内径尺寸 Di |
如径3卜 A |
中心线距离 ■/ |
门板厚度 T |
腹板宽度 W |
腹板厚眼 弘 |
国柄厚度 'A |
手柄长度 L | |
|
15 |
21.0 |
60. 5 |
82.6 |
22. 4 |
38 |
6.0 |
25 |
6.0 |
100 |
|
20 |
27.0 |
66.5 |
88.9 |
22.4 |
45 |
6. 0 |
产25 |
6.0 |
120 |
|
25 |
34.0 |
71.5 |
101.6 |
22.4 |
.51 |
6.() |
25 |
6.0 |
120 |
|
(32) |
42.0 |
81.0 |
111. 1 |
25.4 |
51 |
10.0 |
25 |
6.0 |
120 |
22
SH/T 3425—2011
表24 (续) 公称压力/W150(CLASS900),密封面型式为FRJ的盲板尺寸 单位:mm
|
公称直径 DN |
内径尺寸 Di |
外径尺寸 |
中心咿离 |
^^^^ss^ 一盲板厚度 T |
腹 ^Iw⅛ W |
,腹板厚度 |
手柄宽度 P |
手柄厚度 Pt |
手柄长度 Z |
|
40 |
48.0 |
、]^^^^ |
^^r^ |
6.0 |
120 | ||||
|
50 |
60.0 / |
31.8 |
51 |
6.0 |
120 | ||||
|
(65) |
73% |
190. 5 |
35. 1 |
67 |
6.0 |
140 | |||
|
80 |
、..0 |
190.5 |
35. 1 |
67 |
10.0 \ |
" a。 |
140 | ||
|
100 |
JuM |
181.0 |
235. 0 |
41. 1 |
73 |
10.0 ■ |
140 | ||
|
(125) J |
141.0 / |
216i0 |
279, 4 |
44. 5 |
73 |
10.0 |
⅜呻: |
140 | |
|
150 / |
體喃F |
241.0 |
317.5 |
47.8 |
73 |
10.0 |
40%爲 |
140 | |
|
20項 |
堂^ |
308?0 |
393. 7° |
57. 2 |
二8() |
12.0 |
40 * |
160 | |
|
2# [ |
\7|0 |
362.0 |
469. 9 |
'63.5 |
姦⑵ |
12.0 |
40 \ |
180 | |
|
-/冒 H3氮0 |
419.0 |
533.4 |
:73.2 |
^- 悪⑵ |
14.0 |
40 |
180 | ||
|
黑金56. 0 |
■ 467^^ |
558.8 |
82.6 |
121 |
18.0 |
40 |
180 | ||
|
⅛0Θ |
:jθ6.θ |
52^^ |
616.0 |
91.9 |
127 |
20.0 |
40 |
I 180 | |
|
∣4⅛S 、二:一三: |
:|457; 0 |_i________ |
594.0 |
685.8 |
101.6 |
133 |
26.0 |
40 |
I 180 | |
|
貴5倉^^B^® |
J 508. 0 ___I............. |
648.0 |
749.3 - |
111.3 - |
127 |
32∙ ° ; |
40 |
I ⅜0 * |
18。 |
|
:^610. 0 |
772. 0 |
901.7 |
133.4 — |
140 |
_400 |
40 |
鳶 |
I 220 | |
|
4. 2. 22 ⅛称压力P7√26O(CLASS 1500) J密封面型式为FRJ的盲板尺寸见表25。 合用家现ħ标准SH/T 34p6的有关规定O:' I ^^ 1表25公新压力力侬0(北炉S1500),,密封面型式为FRJ的盲板斥 |
S |
lg j寸应符 单位:mm | |||||||
|
公*献 ⅛rl |
承⅛尺寸 |
外径只寸 |
中心^k离 等Nj |
肓板厚度 T |
一腹‘板宽巾 S PT ■ |
腹板厚度: |
手柄宽度j |
手柄长度 L | |
|
60] |
82.6 |
;22.4 |
留3 |
6.0 |
25 / |
100 | |||
|
201 |
2% A |
66^^ |
88. 9 |
25.4 |
3 45屢 |
10,0 |
25夕: |
120 | |
|
25¾ |
7*5 |
101.6 |
^^^^^^^^^^^^ 25.4 |
10.0 |
____________________i__ |
120 | |||
|
(32) |
I 42.0 -⅛_________a. |
* 81H)囈 |
111. 1 |
25.4 |
10.0 |
Js⅛. |
Zo |
120 | |
|
40 |
垣.豆 |
92. 0 |
123. 8 |
28.4 |
二57 |
10.0 |
∕6∙0 |
120 | |
|
50 |
⅛0 |
喫両 |
165.1 |
35. 1 |
54 |
10. 0 / |
6.0 |
120 | |
|
(65) |
73. K |
^^0% |
仁 190.5 |
38. 1 |
57 |
6.0 |
140 | ||
|
80 |
89.0 |
蒙^M |
44.5 |
73 J |
10.0 |
25 |
6.0 |
140 | |
|
100 |
114.0 |
‰^ |
-iA 3 |
^-^ |
10.0 |
40 |
8.0 |
140 | |
|
(125) |
141.0 |
229.小 |
二;?妬 |
53.8 |
76 |
(TO |
40 |
8.0 |
160 |
|
150 |
168.0 |
248, 0 |
31*‰ |
⅛^J-⅛5 |
^⅛^θ5^ |
10.0 |
40 |
8.0 |
160 |
|
200 |
219.0 |
318.0 |
393.7 |
73.2 |
86 |
14.0 |
40 |
10.0 |
160 |
23
标准分享网WWW. bzfxw. com免费下载
SH/T 3425—2011
表25 (续) 公称压力PN260(CLASSI500),密封面型式为FRJ的盲板尺寸 单位:mm
|
公称直径 DN |
内径尺寸 Oi |
外径尺寸 Do |
中心线距离 A |
盲板厚度 T |
腹板宽度 W |
腹板厚度 % |
手柄宽度 P |
手柄厚度 Pt |
手柄长度 Z |
|
250 |
273.0 |
371.0 |
482.6 |
82.5 |
133 |
14.0 |
40 |
10.0 |
180 |
|
300 |
324. 0 |
438.0 |
571.5 |
101.6 |
133 |
20.0 |
40 |
10.0 |
200 |
|
350 |
356.0 |
489.0 |
635.0 |
111.3 |
140 |
24.0 |
40 |
10. 0 |
220 |
|
400 |
406.0 |
546.0 |
704.8 |
124.0 |
146 |
28.0 |
40 |
12.0 |
220 |
|
450 |
457.0 |
613.0 |
774.7 |
133.0 |
152 |
34.0 ' |
40 |
12.0 |
240 |
|
500 |
508.0 |
673.0 |
831.8 |
142.7 |
165 |
38.0 |
40 |
14.0 |
240 |
|
600 |
610.0 |
794.0 |
990. 6 |
168.1 |
178 |
54.0 |
40 |
20.0 |
260 |
4. 2. 23公称压力PN420(CLASS2500),密封面型式为FRJ的盲板尺寸见表26。密封面的尺寸应符合 国家现行标准SH/T 3406的有关规定。
表26公称压力Tw420(CLASS2500)密封面型式为FRJ的盲板尺寸 单位:mm
|
公称直径 DN |
内径尺寸 G |
外径尺寸 DO |
中心线距离 A |
盲板厚度 T |
腹板宽度 W |
腹板厚度 % |
手柄宽度 P |
手柄厚度 Pt |
手柄长度 L |
|
15 |
21.0 |
65.0 |
88.9 |
25.4 |
38 |
10.0 |
25 |
6.0 |
120 |
|
20 |
27.0 |
73.0 |
95.2 |
28.4 |
45 |
10.0 |
25 |
6.0 |
120 |
|
25 |
34. 0 |
82.5 |
108.0 |
28.4 |
54 |
10.0 |
25 |
6.0 |
120 |
|
(32) |
42.0 |
102.0 |
130.2 |
35. 1 |
54 |
10.0 |
25 |
6.0 |
120 |
|
40 |
48.0 |
114.0 |
146.0 |
38. 1 |
61 |
10.0 |
25 |
6.0 |
120 |
|
50 |
60.0 |
133.0 |
171.4 |
41.1 |
57 |
10.0 |
25 |
8.0 |
140 |
|
(65) |
73.0 |
149. 0 |
196.8 |
47.8 |
61 |
10.0 |
25 |
8.0 |
140 |
|
80 |
89.0 |
168.0 |
228.6 |
50.8 |
76 |
10.0 |
40 |
8.0 |
140 |
|
100 |
114.0 |
203.0 |
273.0 |
63.5 |
83 |
10.0 |
40 |
12.0 |
160 |
|
(125) |
141.0 |
241.0 |
323.8 |
73.2 |
89 |
10.0 |
40 |
12.0 |
160 |
|
150 |
168.0 |
279.0 |
368.3 |
82.6 |
95 |
12.0 |
40 |
12.0 |
180 |
|
200 |
219.0 |
340.0 |
438.2 |
98.6 |
95 |
18.0 |
40 |
12.0 |
180 |
|
250 |
273.0 |
425.0 |
539.8 |
117.3 |
91 |
34.0 |
40 |
12.0 |
200 |
|
300 |
324.0 |
495.0 |
619.1 |
133.4 |
152 |
34.0 |
40 |
12.0 |
220 |
4. 2. 24本标准表4〜表26中盲板厚度计算所用材料的许用应力按现行国家标准GB/T 20801. 2的有 关规定取值,碳钢和低合金钢的厚度附加量(C)取1.5mm,不锈钢的厚度附加量(C)取O. 0mm。
4. 3盲板的厚度计算和8字盲板、单垫环的开孔尺寸
24
SH/T 3425—2011
4. 3.1法兰间的盲板如图4所示,盲板的计算厚度应按式(1)计算,盲板的设计厚度应按式(2)计 算:
(1)
Tpi= tm +C ................................................... (2)
式中: ;m..计算厚度,mm;
A--突面、凹凸面、平面法兰垫片的内径或金属环垫的平均直径,mm;
P——设计压力,MPa;
Rt —~在设计温度下材料的许用应力,MPa;
W -- 焊缝接头强度降低系数;
Ej —焊接接头系数;
Tpi..盲板的设计厚度,mm;
C--厚度附加量,为腐蚀、冲蚀裕量和机械加工深度的总和,mm。
a)密封面为FF或RF的盲板 b)密封面为MRJ的盲板 c)密封面为FRJ的盲板
图4法兰间的盲板
4. 3.2 8字盲板、单垫环的开孔尺寸应符合下列要求:
a)对于公称直径小于或等于DN25,密封面型式为FF、RF和LM的8字盲板和单垫环,孔的 尺寸与壁厚为Sch40的管子内径相同;
b)对于公称直径大于QN25,密封面型式为FF、RF和LM,公称压力为尸N20 (CLASS 150)和 PN50(CLASS300)的8字盲板和单垫环,孔的尺寸与管子的外径相同;
c)对于公称直径大于DN25,密封面型式为FF、RF和LM,公称压力为PNllO(CLASS600) 尸N150(CLASS900)的8字盲板和单垫环,孔的尺寸与壁厚为SchlOS的管子内径相同;
d)对于公称直径大于DN25,密封面型式为FF、RF和LM,公称压力为ZwIlO(CLASS600) RVI50(CLASS900)的8字盲板和单垫环,孔的尺寸与壁厚为SchlOS的管子内径相同;
e)对于密封面型式为FF、RF和LM,公称压力为7W260 (CLASS 1500)的8字盲板和单垫环, 孔的尺寸与壁厚为Sch40的管子内径相同;
f)对于密封面型式为FF、RF和LM,公称压力为PN420(CLASS2500)的8字盲板和单垫环, 当公称直径小于或等于DM50,孔的尺寸与壁厚为Sch40的管子内径相同;当公称直径为 DN200和Jcw250,孔的尺寸与壁厚为Sch60的管子内径相同;当公称直径为Jew300,孔的尺 寸与壁厚为Sch80的管子内径相同;
25
标准分享网WWW. bzfxw. com免费下载
SH/T 3425—2011
用词说明
对本标准条文中要求执行严格程度用的助动词,说明如下:
(-)表示要求很严格、非这样做不可并具有法定责任时,用的助动词为"必须"(must)。
(二)表示要准确地符合标准而应严格遵守时,用的助动词为:
正面词采用"应”(ShaI1);
反面词采用''不应”或"不得"(shall not)。 ∙
(三)表示在几种可能性中推荐特别合适的一种,不提及也不排除其他可能性,或表示是首选的
但未必是所要求的,一或表示不赞成但也不禁止某种可能性时,用的助动词为:
正面词采用"宜”(ShoUld)I............ .
反面词采用"不宜”(shouldnot)。
(四)表示在标准的界限内所允许的行动步骤时,用的助动词为:
正面词采用"可”(may);
反面词釆用“不必"(need not)
32
§ I
中华人民共和国
4-1汕化工行业标准 石油化工钢制管道用盲板
SH/T 3425—2011
*
中国石化出版社出版
中国石化集团公司工程标准发行总站发行 地址:北京市东城区安定门外大街58号 邮编:100011 电话:(010) 84271850
石化标准编辑部电话:(OIO) 84289937
读者服务部电话:(OIo) 84289974
http: //www.sinopec-press.com
E-mail: press@sinopec. com. cn 版权专有不得翻印
*
开本880X1230 1/16 印张2.5字数69千字 2011年8月第1版201(年8月第1次印刷
*
书号:155114-0334 定价:30. 00 元 (购买时请认明封面防伪标识)
标准分享网WWW. bzfxw. com免费下载