交流电气装置的接地
DL/T 621-1997
中华人民共和国电力工业部1997-09-02批准 1998-01-01实施
前言
本标准是根据原水利电力部1979年1月颁发的SDJ8—79《电力设备接地设计技术规程》和1984年3月颁发的SD119—84《500kV电网过电压保护绝缘配合与电气设备接地暂行技术标准》,经合并、修订之后提出的。
本标准较修订前的两个标准有如下重要技术内容的改变:
1) 增加了电阻接地系统交流电气装置保护接地接地电阻的规定;
2) 修订了有效接地系统接地装置接地线热稳定校验的规定;提出3~66kV不接地、消弧线圈接地和高电阻接地系统进行异地两相短路接地线热稳定校验的要求;
3) 补充了接地网非等间距布置时的接地网接触电位差、跨步电位差的计算方法;
4) 修订了杆塔接地装置和自然接地极冲击系数的计算方法;
5) 提出接地装置耐腐蚀的工作寿命的要求;
6) 增加了气体绝缘全封闭组合电器(GIS)的接地规定;
7) 参考IEC有关标准补充了低压建筑物电气装置的接地系统和接地装置等内容。
本标准发布后,SDJ8—79和SD119—84第六章500kV电网电气设备接地即行废止。
本标准的附录A、附录B、附录C、附录D和附录E是标准的附录,附录F是提示的附录。
本标准由电力工业部科学技术司提出。
本标准由电力工业部绝缘配合标准化技术委员会归口。
本标准起草单位:电力工业部电力科学研究院高压研究所。
本标准起草人:杜澍春。
本标准委托电力工业部电力科学研究院高压研究所负责解释。
1 范围
本标准规定了交流标称电压500kV及以下发电、变电、送电和配电电气装置(含附属直流电气装置,并简称为A类电气装置)以及建筑的电气装置(简称B类电气装置)的接地要求和方法。
2 名词术语
本标准采用下列名词术语。
2.1 接地grounded
将电力系统或建筑物中电气装置、设施的某些导电部分,经接地线连接至接地级。
2.2 工作接地working ground、系统接地System ground
在电力系统电气装置中,为运行需要所设的接地(如中性点直接接地或经其他装置接地等)。
2.3 保护接地protective ground
电气装置的金属外壳、配电装置的构架和线路杆塔等,由于绝缘损坏有可能带电,为防止其危及人身和设备的安全而设的接地。
2.4 雷电保护接地lightning protective ground
为雷电保护装置(避雷针、避雷线和避雷器等)向大地泄放雷电流而设的接地。
2.5 防静电接地static protective ground
为防止静电对易燃油、天然气贮罐和管道等的危险作用而设的接地。
2.6 接地极grounding electrode
埋入地中并直接与大地接触的金属导体,称为接地极。兼作接地作用的直接与大地接触的各种金属构件、金属井管、钢筋混凝土建(构)筑物的基础、金属管道和设备等称为自然接地极。
2.7 接地线grounding conductor
电气装置、设施的接地端子与接地极连接用的金属导电部分。
2.8 接地装置grounding connection
接地线和接地极的总和。
2.9 接地网grounding grid
由垂直和水平接地极组成的供发电厂、变电所使用的兼有泄流和均压作用的较大型的水平网状接地装置。
2.10 集中接地装置concentrated grounding connection
为加强对雷电流的散流作用、降低对地电位而敷设的附加接地装置,一般敷设3~5根垂直接地极。在土壤电阻率较高的地区,则敷设3~5根放射形水平接地极。
2.11 接地电阻ground resistance
接地极或自然接地极的对地电阻和接地线电阻的总和,称为接地装置的接地电阻。接地电阻的数值等于接地装置对电压与通过接地极流入地中电流的比值。按通过接地极流入地中工频交流电流求得的电阻,称为工频接地电阻;按通过接地极流入地中冲击电流求得的接地电阻,称为冲击接地电阻。
2.12 接地装置对地电位potential of grounding connection
电流经接地装置的接地极流入大地时,接地装置与大地零电位点之间的电位差。
2.13 接触电位差touch potential difference
接地短路(故障)电流流过接地装置时,大地表面形成分布电位,在地面上离设备水平距离为0.8m处与设备外壳、架构或墙壁离地面的垂直距离1.8m处两点间的电位差,称为接触电位差;接触网孔中心对接地网接地极的最大电位差,称为最大接触电位差。
2.14 跨步电位差step potential difference
接地短路(故障)电流流过接地装置时,地面上水平距离为0.8m的两点间的电位差,称为跨步电位差。接地网外的地面上水平距离0.8m处对接地网边缘接地极的电位差,称为最大跨步电位差。
2.15 转移电位diverting potential
接地短路(故障)电流流过接地装置时,由一端与接地装置连接的金属导体传递的接地装置对地电位。
2.16 外露导电部分exposed conductive part
平时不带电压,但故障情况下能带电压的电气装置的容易触及的导电部分。
2.17 装置外导电部分extraneous conductive part
不属电气装置组成部分的导电部分。
2.18 中性线neutral conductor
与低压系统电源中性点连接用来传输电能的导线。
2.19 保护线protective conductor
低压系统中为防触电用来与下列任一部分作电气连接的导线:
a) 线路或设备金属外壳;
b) 线路或设备以外的金属部件;
c) 总接地线或总等电位联结端子板;
d) 接地极;
e) 电源接地点或人工中性点。
2.20 保护中性线 PEN conductor
具有中性线和保护线两种功能的接地线。
2.21 等电位联结equiptential bonding
各外露导电部分和装置外导电部分的电位实质上相等的电气连接。
2.22 等电位联结线equiptential bounding conductor
为确保等电位联结而使用的保护线。
3 A类电气装置接地的一般规定
3.1 电力系统中电气装置、设施的某些可导电部分应接地。接地装置应充分利用自然接地极接地,但应校验自然接地极的热稳定。按用途接地有下列4种:
a) 工作(系统)接地;
b) 保护接地;
c) 雷电保护接地;
d) 防静电接地。
3.2 发电厂、变电所内,不同用途和不同电压的电气装置、设施,应使用一个总的接地装置,接地电阻应符合其中最小值的要求。
注:本标准中接地电阻除另外注明外,均指工频接地电阻。
3.3 设计接地装置时,应考虑土壤干燥或冻结等季节变化的影响,接地电阻在四季中均应符合本标准的要求,但雷电保护接地的接地电阻,可只考虑在雷季中土壤干燥状态的影响。接地装置的接地电阻可按附录A计算。
3.4 确定发电厂、变电所接地装置的型式和布置时,考虑保护接地的要求,应降低接触电位差和跨步电位差,并应符合下列要求。
a) 在110kV及以上有效地接地系统和6~35kV低电阻接地系统发生单相接地或同点两相接地时,发电厂、变电所接地装置的接触电位差和跨步电位差不应超过下列数值

式中:Ut——接触电位差,V;
Us——跨步电位差,V;
ρf——人脚站立处地表面的土壤电阻率,Ω·m;
t——接地短路(故障)电流的持续时间,s。
b) 3~66kV不接地、经消弧线圈接地和高电阻接地系统,发生单相接地故障后,当不迅速切除故障时,此时发电厂、变电所接地装置的接触电位差和跨步电位差不应超过下列数值
Ut=50+0.05ρf (3)
Ut=50+0. 2ρf (4)
c) 在条件特别恶劣的场所,例如水田中,接触电位差和跨步电位差的允许值宜适当降低。
d) 接触电位差和跨步电位差可按附录B计算。
4 A类电气装置保护接地的范围
4.1 电气装置和设备的下列金属部分,均应接地:
a) 电机、变压器和高压电器等的底座和外壳;
b) 电气设备传动装置;
c) 互感器的二次绕组;
d) 发电机中性点柜外壳、发电机出线柜和封闭母线的外壳等;
e) 气体绝缘全封闭组合电器(GIS)的接地端子;
f) 配电、控制、保护用的屏(柜、箱)及操作台等的金属框架;
g) 铠装控制电缆的外皮;
h) 屋内外配电装置的金属架构和钢筋混凝土架以及靠近带电部分的金属围栏和金属门;
i) 电力电缆接线盒、终端盒的外壳,电缆的外皮,穿线的钢管和电缆桥架等;
j) 装有避雷线的架空线路杆塔;
k) 除沥青地面的居民区外,其他居民区内,不接地、消弧线圈接地和高电阻接地系统中无避雷线架空线路的金属杆塔和钢筋混凝土杆塔;
l) 装在配电线路杆塔上的开关设备、电容器等电气设备;
m) 箱式变电站的金属箱体。
4.2 电气设备和电力生产设施的下列金属部分可不接地:
a) 在木质、沥青等不良导电地面的干燥房间内,交流标称电压380V及以下、直流标称电压220V及以下的电气设备外壳,但当维护人员可能同时触及电气设备外壳和接地物件时除外;
b) 安装在配电屏、控制屏和配电装置上的电测量仪表、继电器和其他低压电器等的外壳,以及当发生绝缘损坏时在支持物上不会引起危险电压的绝缘子金属底座等;
c) 安装在已接地的金属架构上的设备(应保证电气接触良好),如套管等;
d) 标称电压220V及以下的蓄电池室内的支架;
e) 由发电厂、变电所区域内引出的铁路轨道,但本标准6.2.16所列的场所除外。
5 A类电气装置的接地电阻
5.1 发电厂、变电所电气装置的接地电阻
5.1.1
发电厂、变电所电气装置保护接地的接地电阻要求如下。
a) 有效接地和低电阻接地系统中发电厂、变电所电气装置保护接地的接地电阻宜符合下列要求。
1) 一般情况下,接地装置的接地电阻应符合下列要求
R≤2000/I (5)
式中R——考虑到季节变化的最大接地电阻,Ω;
I——计算用的流经接地装置的入地短路电流,A。
公式(5)中计算用流经接地装置的入地短路电流,采用在接地装置内、外短路时,经接地装置流入地中的最大短路电流对称分量最大值,该电流应按5~10年发展后的系统最大运行方式确定,并应考虑系统中各接地中性点间的短路电流分配,以及避雷线中分走的接地短路电流。
2) 当接地装置的接地电阻不符合式(5)要求时,可通过技术经济比较增大接地电阻,但不得大于5Ω,且应符合本标准6.2.2的要求。
b) 不接地、消弧线圈接地和高电阻接地系统中发电厂、变电所电气装置保护接地的接地电阻应符合下列要求。
1) 高压与发电厂、变电所电力生产用低压电气装置共用的接地装置应符合下式要求
R≤120/I (6)
但不应大于4Ω。
2) 高压电气装置的接地装置,应符合下式要求
R≤250/I (7)
式中:R——考虑到季节变化的最大接地电阻,Ω;
I——计算用的接地故障电流,A。
但不宜大于10Ω。
注:变电所的接地电阻值,可包括引进线路的避雷线接地装置的散流作用。
3) 消弧线圈接地系统中,计算用的接地故障电流应采用下列数值:①对于装有消弧线圈的发电厂、变电所电气装置的接地装置,计算电流等于接在同一接地装置中同一系统各消弧线圈额定电流总和的1.25倍。②对于不装消弧线圈的发电厂、变电所电气装置的接地装置,计算电流等于系统中断开最大一台消弧线圈或系统中最长线路被切除时的最大可能残余电流值。
4) 在高土壤电阻率地区的接地电阻不应大于30Ω,且应符合本标准3.4要求。
5.1.2
发电厂、变电所电气装置雷电保护接地的接地电阻
a) 独立避雷针(含悬挂独立避雷线的架构)的接地电阻。在土壤电阻率不大于500Ω·m的地区不应大于10Ω;在高土壤电阻率地区接地电阻应符合DL/T 620—1997《交流电气装置的过电压保护和绝缘配合》的要求。
b) 变压器门型构上避雷针、线的接地电阻应符合DL/T
620—1997《交流电气装置的过电压保护和绝缘配合》的要求。
5.1.3
发电厂和变电所有爆炸危险且爆炸后可能波及发电厂和变电所内主设备或严重影响发供电的建(构)筑物,防雷电感应的接地电阻不应大于30Ω。
5.1.4
发电厂的易燃油和天然气设施防静电接地的接地电阻不应大于30Ω。
5.2 架空线路的接地电阻
5.2.1
架空线路杆塔保护接地的接地电阻不宜大于30Ω。
5.2.2
架空线路雷电保护接地的接地电阻应符合DL/T 620—1997《交流电气装置的过电压保护和绝缘配合》的要求。
5.3 配电电气装置的接地电阻
5.3.1
工作于不接地、消弧线圈接地和高电阻接地系统、向建筑物电气装置(B类电气装置)供电的配电电气装置,其保护接地的接地电阻应符合下列要求。
a) 与B类电气装置系统电源接地点共用的接地装置。
1) 配电变压器安装在由其供电的建筑物外时,应符合下式的要求
R≤50/I
式中:R——考虑到季节变化接地装置最大接地电阻,Ω;
I——计算用的单相接地故障电流;消弧线圈接地系统为故障点残余电流。但不应大于4Ω。
2) 配电变压器安装在其供电的建筑物内时,不宜大于4Ω。
b) 非共用的接地装置,应符合式(7)的要求,但不宜大于10Ω。
5.3.2
低电阻接地系统的配电电气装置,其保护接地的接地电阻应符合本标准式(5)的要求。
5.3.3
保护配电变压器的避雷器其接地应与变压器保护接地共用接地装置。
5.3.4
保护配电柱上断路器、负荷开关和电容器组等的避雷器的接地线应与设备外壳相连,接地装置的接地电阻不应大于10Ω。
6 A类电气装置的接地装置
6.1 接地装置的一般规定
6.1.1
各种接地装置应利用直接埋入地中或水中的自然接地极,并设置将自然接地极和人工接地极分开的测量井。发电厂、变电所除利用自然接地极外,还应敷设人工接地极。
6.1.2
当利用自然接地极和引外接地装置时,应采用不少于与两根导体在不同地点与接地网相连接。
6.1.3
在高土壤电阻率地区,可采取下列降低接地电阻的措施:
a) 当在发电厂、变电所2000m以内有较低电阻率的土壤时,可敷设引外接地极;
b) 当地下较深处的土壤电阻率较低时,可采用井式或深钻式接地极;
c) 填充电阻率较低的物质或降阻剂;
d) 敷设水下接地网。
6.1.4
在永冻土地区队可采用本标准6.1.3的措施外,尚可采取下列措施:
a) 将接地装置敷设在溶化地带或溶化地带的水池或水坑中;
b) 敷设深钻式接地极,或充分利用井管或其他深埋在地下的金属构件作接地极,还应敷设深度约0.5m的伸长接地极;
c) 在房屋溶化盘内敷设接地装置;
d) 在接地极周围人工处理土壤,以降低冻结温度和土壤电阻率。
6.1.5
人工接地极,水平敷设的可采用圆钢、扁钢,垂直敷设的可采用角钢、钢管等。接地装置的导体,应符合热稳定与均压的要求,还应考虑腐蚀的影响。按机械强度要求的接地装置导体的最小尺寸应符合表1所列规格。
表1 接地装置导体的最小尺寸

6.1.6 接地装置的防腐蚀设计,应符合下列要求:
a) 计及腐蚀影响后,接地装置使用年限,应与地面工程的设计使用年限相当。
b) 接地装置的防腐蚀设计,宜按当地的腐蚀数据进行。
c) 在腐蚀严重地区,敷设在电缆沟中的接地线和敷设在屋内或地面上的接地线,宜采用热镀锌,对埋入地下的接地极宜采取适合当地条件的防腐蚀措施。接地线与接地极或接地极之间的焊接点,应涂防腐材料。
6.1.7
接地电阻的测量可按照DL475—92《接地装置工频特性参数的测量导则》执行。
6.2 发电厂、变电所电气装置的接地装置。
6.2.1
发电厂、变电所电气装置的接地装置,除利用自然接地极外,应敷设以水平接地极为主的人工接地网。
人工接地网的外缘应闭合,外缘各角应做成圆弧形,圆弧的半径不宜小于均压带间距的一半。接地网内应敷设水平均压带。接地网的埋设深度不宜小于0.6m。
接地网均压带可采用等间距或不等间距布置。
35kV及以上变电所接地网边缘经常有人出入的走道处,应铺设砾石、沥青路面或在地下装设两条与接地网相连的均压带。
对于3~10kV变电所、配电所,当采用建筑物基础作接地极且接地电阻又满足规定值时,可不另设人工接地。
6.2.2
在有效接地和低电阻接地系统中,发电厂、变电所电气装置的接地装置,当接地电阻不符合式(5)的要求时,其人工接地网及有关电气装置还应符合以下要求:
a) 为防止转移电位引起的危害,对可能将接地网的高电位引向厂、所外或将低电位引向厂、所内的设施,应采取隔离措施。例如:对外的通信设备加隔离变压器;向厂、所外供电的低压线路采用架空线,其电源中性点不在厂、所内接地,改在厂、所外适当的地方接地;通向厂、所外的管道采用绝缘段,铁路轨道分别在两处加绝缘鱼尾板等等。
b) 考虑短路电流非周期分量的影响,当接地网电位升高时,发电厂、变电所内的3~10kV阀式避雷器不应动作或动作后应承受被赋与的能量。
c) 设计接地网时,应验算接触电位差和跨步电位差。
6.2.3
当人工接地网局部地带的接触电位差、跨步电位差超过规定值,可采用局部增设水平均压带或垂直接地极铺设砾石地面或沥青地面的措施。
6.2.4
发电厂、变电所的接地装置应与线路的避雷线相连,且有便于分开的连接点。当不允许避雷线直接和发电厂、变电所配电装置架构相连时,发电厂、变电所接地网应在地下与避雷线的接地装置相连接,连接线埋在地中的长度不应小于15m。
6.2.5
发电厂、变电所电气装置中下列部位应采用专门敷设的接地线接地。
a) 发电机机座或外壳,出线柜、中性点柜的金属底座和外壳,封闭母线的外壳;
b) 110kV及以上钢筋混凝土构件支座上电气设备的金属外壳;
c) 箱式变电站的金属箱体;
d) 直接接地的变压器中性点;
e) 变压器、发电机、高压并联电抗器中性点所接消弧线圈、接地电抗器、电阻器或变压器等的接地端子;
f) GIS的接地端子;
g) 避雷器,避雷针、线等的接地端子。
6.2.6
当不要求采用专门敷设的接地线接地时,电气设备的接地线宜利用金属构件、普通钢筋混凝土构件的钢筋、穿线的钢管和电缆的铅、铝外皮等。但不得使用蛇皮管、保温管的金属网或外皮以及低压照明网络的导线铅皮作接地线。
操作、测量和信号用低压电气设备的接地线可利用永久性金属管道,但可燃液体、可燃或爆炸性气体的金属管道除外。
利用以上设施作接地线时,应保证其全长为完好的电气通路,并且当利用串联的金属构件作为接地线时,金属构件之间应以截面不小于100mm2的钢材焊接。
6.2.7
在有效接地系统及低电阻接地系统中,发电厂、变电所电气装置中电气设备接地线的截面,应按接地短路电流进行热稳定校验。钢接地线的短时温度不应超过400℃,铜接地线不应超过450℃,铝接地线不应超过300℃。接地线截面的热稳定校验可按附录C进行。
6.2.8
校验不接地、消弧线圈接地和高电阻接地系统中电气设备接地线的热稳定时,敷设在地上的接地线长时间温度不应大于150℃,敷设在地下的接地线长时间温应不应大于100℃。
当按70℃的允许截流量曲线选定接地线的截面时,对于敷设在地上的接地线,应采用流过接地线的计算用单相接地故障电流的60%;对地敷设在地下的接地线,应采用流过接地线的计算用单相接地故障电流的75%。
6.2.9
与架空送、配电线路相连的6~66kV高压电气装置中的电气设备接地线,还应按两相异地短路校验热稳定,接地线的短时温度与本标准6.2.7相同。
6.2.10
接地线应便于检查,但暗敷的穿线钢管和地下的金属构件除外。潮湿的或有腐蚀性蒸汽的房间内,接地线离墙不应小于10mm。
6.2.11
接地线应采取防止发生机械损伤和化学腐蚀的措施。
6.2.12
在接地线引进建筑物的入口处,应设标志。明敷的接地线表面应涂15~100mm宽度相等的绿色和黄色相间的条纹。
6.2.13
发电厂、变电所电气装置中电气设备接地线的连接应符合下列要求:
a) 接地线应采用焊接连接。当采用搭接焊接时,其搭接长度应为扁钢宽度的2倍或圆钢直径的6倍。
b) 当利用钢管作接地线时,钢管连接处应保证有可靠的电气连接。当利用穿线的钢管作接地线时,引向电气设备的钢管与电气设备之间,应有可靠的电气连接。
c) 接地线与管道等伸长接地极的连接处,宜焊接。连接地点应选在近处,并应在管道因检修而可能断开时,接地装置的接地电阻仍能符合本标准的要求。管道上表计和阀门等处,均应装设跨接线。
d) 接地线与接地极的连接,宜用焊接;接地线与电气设备的连接,可用螺栓连接或焊接。用螺栓连接时应设防松螺帽或防松垫片。
e) 电气设备每个接地部分应以单独的接地线与接地母线相连接,严禁在一个接地线中串接几个需要接地的部分。
6.2.14
发电厂、变电所GIS的接地线及其连接应符合以下要求:
a) 三相共箱式或分相式的GIS,其基座上的每一接地母线,应采用分设其两端的接地线与发电厂或变电所的接地网连接。接地线并应和GIS室内环形接地母线连接。接地母线较长时,其中部宜另加接地线,并连接至接地网。接地线与GIS接地母线应采用螺栓连接方式,并应采取防锈蚀措施。
b) 接地线截面的热稳定校验,应分别按本标准6.2.7或6.2.8的要求进行。对于只有2条或4条接地线,其截面热稳定的校验电流分别取全部接地(短路或故障)电流的70%和35%。
c) 当GIS露天布置或装设在室内与土壤直接接触的地面上时,其接地开关、金属氧化物避雷器的专有接地端子与GIS接地母线的连接处,宜装设集中接地装置。
d) GIS室内应敷设环形接地母线,室内各种设备需接地的部位应以最短路径与环形接地母线连接。GIS布置于室内楼板上时,其基座下的钢筋混凝土地板中的钢筋应焊接成网,并和环形接地母线相连接。
6.2.15
发电厂、变电所配电装置构架上避雷针(含悬挂避雷线的架构)的集中接地装置应与主接地网连接,由连接点至变压器接地点沿接地极的长度不应小于15m。
6.2.16
发电厂主厂房、主控制楼、变电所主控制楼(室)和配电装置室屋顶避雷针等的接地线、接地极布置及其与发电厂、变电所电气装置接地网之间的连接方式等,应符合DL/T 620—1997《交流电气装置的过电压保护和绝缘配合》的要求。
6.2.17
发电厂和变电所有爆炸危险且爆炸后可能波及发电厂和变电所内主设备或严重影响发供电的建筑物防感应雷过电压的接地线、接地极的布置方式应符合DL/T 620—1997《交流电气装置的过电压保护和绝缘配合》的要求。
6.2.18
发电厂易燃油、可燃油、天然气和氢气等贮罐,装卸油台、铁路轨道、管道、鹤管、套筒及油槽车等防静电接地的接地位置,接地线、接地极布置方式等应符合下列要求:
a) 铁路轨道、管道及金属桥台,应在其始端、末端、分支处以及每隔50m处设防静电接地,鹤管应在两端接地。
b) 厂区内的铁路轨道应在两处用绝缘装置与外部轨道隔离。两处绝缘装置间的距离应大于一列火车的长度。
c) 净距小于100mm的平行或交叉管道,应每隔20m用金属线跨接。
d) 不能保持良好电气接触的阀门、法兰、弯头等管道连接处也应跨接。跨接线可采用直径不小于8mm的圆钢。
e) 油槽车应设防静电临时接地卡。
f) 易燃油、可燃油和天然气浮动式贮罐顶,应用可挠的跨接地线与罐体相连,且不应少于两处。跨接地线可有截面不小于25mm2的钢绞线或软铜线。
g) 浮动式电气测量的铠装电缆应埋入地中,长度不宜小于50m。
h) 金属罐罐体钢板的接缝、罐顶与罐体之间以及所有管、阀与罐体之间应保证可靠的电气连接。
6.3 架空线路杆塔的接地装置
6.3.1
高压架空线路杆塔的接地装置可采用下列型式:
a) 在土壤电阻率ρ≤100Ω·m的潮湿地区,可利用铁塔和钢筋混凝土杆自然接地。对发电厂、变电场进线段应另设雷电保护接地装置。在居民区,当自然接地电阻符合要求时,可不设人工接地装置。
b) 在土壤电阻率100Ω·m<ρ≤300Ω·m的地区,除利用铁塔和钢筋混凝土杆的自然接地外,并应增高人工接地装置,接地极埋设深度不宜小于0.6m。
c= 在土壤电阻率100Ω·m<ρ≤2000Ω·m的地区,可采用水平敷设的接地装置,接地极埋设深度不宜小于0.5m。
d= 在土壤电阻率ρ>2000Ω·m的地区,可采用6~8根总长度不超过500m的放射形接地极或连续伸长接地极。放射形接地极可采用长短结合的方式。接地极埋设深度不宜小于0.3m。
e= 居民区和水田中的接地装置,宜围绕杆塔基础敷设成闭合环形。
f= 放射形接地极每根的最大长度,应符合表2的要求。
表2 放射形接地极每根的最大长度

g) 在高土壤电阻率地区采用放射形接地装置时,当在杆塔基础的放射形接地极每根长度的1.5倍范围内有土壤电阻率较低的地带时,可部分采用引外接地或其他措施。
6.3.2
计算雷电保护接地装置所采用的土壤电阻率,应取雷季中最大可能的数值,并按下式计算
ρ=ρ0Ψ (9)
式中:ρ——土壤电阻率,Ω·m;
ρ0——雷季中无雨水时所测得的土壤电阻率,Ω·m;
Ψ——考虑土壤干燥所取的季节系数。
Ψ采用表3所列数值。土壤和水的电阻率参考值可参照附录F。
表3 雷电保护接地装置的季节系数

6.3.3 单独接地极或杆塔接地装置的冲击接地电阻可用下式计算:
Ri=αR (10)
式中:Ri——单独接地极或杆塔接地装置的冲击接地电阻,Ω;
R——单独接地极或杆塔接地装置的工频接地电阻,Ω;
α——单独接地极或杆塔接地装置的冲击系数。
α的数值可参照附录D。
6.3.4
当接地装置由较多水平接地极或垂直接地极组成时,垂直接地的间距不应小于其长度的两部;水平接地极的间距不宜小于5m。
由n根等长水平放射形接地极组成的接地装置,其冲击接地电阻可按下式计算

式中:Rhi——每根水平放射形接地极的冲击接地电阻,Ω;
ηi——考虑各接地极间相互影响的冲击利用系数。
ηi的数值可参照附录D选取。
6.3.5
由水平接地极连接的n根垂直接地极组成的接地装置,其冲击接地电阻可按下式计算

式中:Rvi——每根垂直接地极的冲击接地电阻,Ω;
R′hi——水平接地极的冲击接地电阻,Ω。
6.3.6
架空线路杆塔的接地线及其连接方式,应符合DL/T 620—1997《交流电气装置的过电压保护和绝缘配合》的要求。
6.4 配电电气装置的接地装置
6.4.1
户外柱上配电变压器等电气装置的接地装置,宜敷设成围绕变压器台的闭合环形。
6.4.2
配电变压器等电气装置安装在由其供电的建筑物内的配电装置室时,其接地装置应与建筑物基础钢筋等相连。
6.4.3
引入配电装置室的每条架空线路安装的阀式避雷器的接地线,应与配电装置室的接地装置连接,但在入地处应敷设集中接地装置。
7 低压系统接地型式和B类电气装置的接地电阻
7.1 系统接地形式
7.1.1
低压系统接地可采用以下几种型式。
a) TN系统。系统有一点直接接地,装置的外露导电部分有保护线与该点连接。按照中性线与保护线的组合情况,TN系统有以下3种型式:
1) TN—S系统。整个系统的中性线与保护线是分开的(图1)。
2) TN—C—S系统。系统中有一部分中性线与保护线是合一的(图2)。
3) TN—C系统。整个系统的中性线与保护线是合一的(图3)。
b) TT系统。TT系统有一个直接接地,电气装置的外露导电部分接至电气上与低压系统的接地点无关的接地装置(图4)。
c) IT系统。IT系统的带电部分与大地间不直接连接(经组抗接地或不接地),而电气装置的外露导电部分则是接地的(图5)。

注
1 图1~图5所示的是常用的三相系统的例子。
2 文字代号的意义:
第一个字母表示低压系统的对地关系:
T——一点直接接地;
I——所有带电部分与地绝缘或一点经阻抗接地;
第二个字母表示电气装置的外露导电部分的对地关系;
T——外露导电部分对地直接电气连接,与低压系统的任何接地点无关;
N——外露导电部分与低压系统的接地点直接电气连接(在交流系统中,接地点通常就是中性点)。如果后面还有字母时,字母表示中性线与保护线的组合;
S——中性线和保护线是分开的;
C——中性线和保护线是合一的(PEN)线。
7.2 接地装置的接地电阻和总等电位联结
7.2.1
向B类电气装置供电的配电变压器安装在该建筑物外时,低压系统电源接地点的连接地电阻应符合下列要求;
a) 配电变压器高压侧工作于不接地、消弧线圈接地和高电阻接地系统,当该变压器的保护接地接地装置的接地电阻符合式(8)要求且不超过4Ω时,低压系统电源接地点可与该变压器保护接地共用接地装置。
b) 当建筑物内未作总等电位联结,且建筑物距低压系统电源接地点的距离超过50m时,低压电缆和架空线路在引入建筑物处,保护线(PE)或保护中性线(PEN)应重复接地,接地电阻不宜超过10Ω。
c) 向低压系统供电的配电变压器的高压侧工作于低电阻接地系统时,低压系统不得与电源配电变压器的保护接地共用接地装置,低压系统电源接地点应在距该配电变压器适当的地点设置专用接地装置,其接地电阻不宜超过4Ω。
7.2.2
向B类电气装置供电的配电变压器安装在该建筑物内时,低压系统电源接地点的接地电阻应符合下列要求:
a) 配电变压器高压侧工作于不接地、消弧线圈接地和高电阻接地系统,当该变压器保护接地的接地装置的接地电阻符合本标准5.3.1要求时,低压系统电源接地点可与该变压器保护接地共用接地装置。
b) 配电变压器高压侧工作于低电阻接地系统,当该变压器的保护接地接地装置的接地电阻符合式(5)的要求,且建筑物内采用(含建筑物钢筋的)总等电位联结时,低压系统电源接地点可与该变压器保护接地共用接地装置。
7.2.3
低压系统由单独的低压电源供电时,其电源接地点接地装置的接地电阻不宜超过4Ω。
7.2.4
TT系统中当地系统接地点和电气装置外露导电部分已进行总等电位联结时,电气装置外露导电部分不另设接地装置。否则,电气装置外露导电部分应设保护接地的接地装置,其接地电阻应符合下式要求
R≤50/Ia (13)
式中:R——考虑到季节变化时接地装置的最大接地电阻,Ω;
Ia——保证保护电器切断故障回路的动作电流,A。
7.2.5
IT系统的各电气装置外露导电部分保护接地的接地装置可共用同一接地装置,亦可个别地或成组地用单独的接地装置接地。每个接地装置的接地电阻应符合下式要求
R≤50/Id (14)
式中:R——考虑到季节变化外露导电部分的接地装置最大接地电阻,Ω;
Id——相线和外露导电部分间第一次短路故障的故障电流,A。
7.2.6
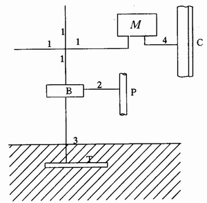
B类电气装置采用接地故障保护时,建筑物内电气装置应采用总等电位联结。对下列导电部分应采用总等电位联结线相互可靠连接,并在进入建筑物处接向总等电位联结端子板(图6):
a) PE(PEN)干线;
b) 电气装置的接地装置中的接地干线;
c) 建筑物内的水管、煤气管、采暖和空调管道等金属管道;
d) 便于连接的建筑物金属构件等导电部分。

图6 建筑物内总等电位联结图
1―保护线;2―总等电位联结线;3―接地线;4―辅助等电位联结线;B―总等电位联结(接地)端子板;M―外露导电部分;C―装置外导电部分;P―金属水管干线;T―接地极
7.2.7 接户线的绝缘子铁脚宜接地,接地电阻不宜超过30Ω。土壤电阻率在200Ω·m及以下地区的铁横担钢筋混凝土杆线路,可不另设人工接地装置。当绝缘子欠缺脚与建筑物内电气装置的接地装置相连时,可不另设接地装置。人员密集的公共场所的接户线,当钢筋混凝土杆的自然接地电阻大于30Ω时,绝缘子铁脚应接地,并应设专用的接地装置。
年平均雷暴日数不超过30、低压线被建筑物等屏蔽的地区或接户线距低压线路接地地点不超过50m的地方,绝缘子铁脚可不接地。
7.2.8
建筑物处的低压系统电源接地点、电气装置外露导电部分的保护接地(含与功能接地共用的保护接地)、总等电位联结的接地极等可与建筑物的雷电保护接地共用同一接地装置。接地装置的接地电阻,应符合其中最小值的要求。
8 B类电气装置的接地装置和保护线
8.1 一般要求
8.1.1
接地装置的性能必须满足电气装置的安全和功能上的要求。
8.1.2
按照电气装置的要求,保护接地或功能接地的接地装置可以采用共用的或分开的接地装置。
8.2 对地连接
8.2.1
接地装置的选择和安装应符合下列要求:
a) 接地电阻值符合电气装置保护上和功能上的要求,并要求长期有效;
b) 能承受接地故障电流和对地泄漏电流,特别是能承受热、热的机械应力和电的机械应力而无危险;
c) 足够坚固或有附加的机械保护;
d) 必须采取保护措施防止由于电蚀作用而引起对其他金属部分的危害。
8.2.2
接地极可采用下列几种型式:
a) 圆钢、角钢或钢管;
b) 钢带;
c) 板;
d) 埋于基础内的接地极;
e) 非钢筋混凝土中的钢筋;
f) 征得供水部门同意的金属水管系统;
g) 征得电缆部门同意的铅质包皮和其他金属外皮电缆;
h) 其他合适的地下构筑物(另见8.2.3d)。
注 任何一种接地极的功效取决于当地的各种土壤条件,应选定适合于各种土壤条件的一种或几种接地极以及所要求的接地电阻值。
8.2.3
接地极的安装应符合下列要求:
a) 接地极的型式及埋入深度必须使土壤的干燥及冻结程度不会过分增加接地极的接地电阻,以免超过所要求的接地电阻值;
b) 接地极所采用的材质及结构必须经得住由于腐蚀而引起的机械损伤;
c) 接地装置的设计必须考虑到由于腐蚀可能增加接地极的接地电阻值;
d) 可燃液体或气体、供暖系统的金属管道严禁用作保护接地极。
8.2.4
接地线的最小截面应符合本标准8.3.1的规定,而埋入土壤内的接地线,其截面应符合表4的规定。接地线与接地极的连接应牢固,且导电良好。
表4 埋入土壤接地线的最小截面

8.2.5 电气装置应设置总接地端子或母线,并应与接地线、保护线、等电位联结干线和安全、功能共用接地装置的功能性接地线等相连接。
8.2.6
断开接地线的装置应便于安装和测量。
8.3 保护线
8.3.1
保护线的最小截面可按照式(15)计算或按照本标准8.3.1b)选择。这两种情况都必须考虑本标准8.3.2的要求。
a) 最小截面可按下式计算(只适用于断开时间不超过5s),但应采用最接近的标准截面积

式中:Sp——截面积,mm2;
I——忽略保护电器阻抗的预期故障电流值(有效值),A;
t——保护电器的动作时间,s;
k——按保护线、绝缘和其他部分的材质以及最初和最终温度决定的计算系数(见附录E)。
注
1 应考虑回路阻抗的限流作用及保护装置的极限容量;
2 需使按此计算得出的截面与故障回路阻抗值相适应;
3 应计及连接点的最高允许温度。
b) 保护线的最小截面应符合表5的规定。
表5 保护线的最小截面

8.3.2 在任何情况下,非供电电缆或电缆外护物组成部分的每根保护线,其截面不应小于下列数值:
有机械保护时,2.5mm2;
无机械保护时,4mm2。
8.3.3
保护线可由下列部分构成:
a) 多芯电缆的芯线;
b) 与带电导线一起在共用外护物内的绝缘线或裸导线;
c) 固定的裸导线或绝缘线;
d) 金属外皮,例如某些电缆的护套、屏蔽层及铠装;
e) 导线的金属导管或其他金属外护物;
f) 某些装置外导电部分。
8.3.4
符合下列要求的装置的金属外护物或框架可用作保护线:
a) 金属外护物或框架的电气持续性不受机械、化学或电化学的损蚀;
b) 导电性应符合本标准8.3.1的要求;
c) 应在每个预定的分接点上与其他保护线连接。
8.3.5
布线的护套或金属皮带当符合本标准8.3.4中前两项的要求时,均可用作相应回路的保护线。电气用的其他导管严禁用作保护线。
8.3.6
当装置外导电部分符合下列要求时,可用作保护线:
a) 不受机械、化学或电化学的损蚀;
b) 导电性应符合本标准8.3.1的要求;
c) 有防止移动的装置或措施。
8.3.7
征得供排水部门同意的金属水管可作为保护线。煤气管道严禁用作保护线。
8.3.8
装置外导电部分严禁用作保护中性线;
8.3.9
保护线的设计和安装应符合下列要求:
a) 保护线应采取保护措施,免受机械和化学的损蚀并耐受电动力;
b) 保护线的接头应便于检查和测试;
c) 开关电器严禁接入保护线;
d) 监测对地导通的动作线圈严禁接入保护线。
8.4 接地装置
8.4.1
保护接地的接地装置的设计应符合本标准7.1的规定。当过电流保护装置用于电击保护时,应将保护线与带电导线紧密布置。
8.4.2
功能接地的接地装置的设置应保证设备的正确运行。其具体作法应符合该电气装置对功能接地的接地装置的要求。
8.4.3
保护接地和功能接地共用接地装置时,应满足保护接地的各项要求。保护中性线应符合下列要求:
a) TN系统中,固定装置中铜芯截面不小于10mm2的或铝芯截面不小于16mm2的电缆,当所供电的那部分装置不由残余电流动作器保护时,其中的单根芯线可兼作保护线和中性线。
b) 保护中性线应采取防止杂散电流的绝缘措施。成套开关设备和控制设备内部分保护中性线无需绝缘。
c) 当从装置的任何一点起,中性线及保护线由各自的导线提供时,从该点起不应将两导线连接。在分开点,应分别设置保护线及中性线用端子或母线。保护中性线应接至供保护线用的端子或母线。
8.5 等电位联结接线
8.5.1
等电位联结主母线的最小截面应小于装置的最大保护线截面的一半,并不应小于6mm2。当采用铜线时,其截面不宜大于25mm2。当采用其他金属时,则其截面应承载与之相当的载流量。
8.5.2
连接二个外露导电部分的辅助等电位联结线,其截面不应小于接至该二个外露导电部分的较小保护线的截面。连接外露导电部分与装置外导电部分的辅助等电位联结线,其截面不应小于相应保护线截面的一半。
8.5.3
当建筑物的水管被用作接地线或保护线时,水表必须跨接联结,其联结线的截面应根据其被用作保护线、等电位联结线或功能接地接地线的要求而采用适当的截面。
附录A
(标准的附录)
人工接地极工频接地电阻的计算
A1 垂直接地极的接地电阻可利用下式计算(图A1)


图A1 垂直接地极的示意图

图A2 几种型式钢材的计算用尺寸
A2 不同形状水平接地极的接地电阻可利用下式计算

式中:Rh——水平接地极的接地电阻,Ω;
L——水平接地极的总长度,m;
h——水平接地极的埋设深度,m;
d——水平接地极的直径或等效直径,m;
A——水平接地极的形状系数。
水平接地极的形状系数可采用表A1所列数值。
表A1 水平接地极的形状系数A

A3 水平接地极为主边缘闭合的复合接地极(接地网)的接地电阻可利用下式计算

A4 人工接地极工频接地电阻的简易计算,可采用表A2所列公式。
表A2 人工接地极工频接地电阻(Ω)简易计算式

附录B
(标准的附录)
发电厂、变电所经接地装置的入地短路电流及电位计算
B1 计算用入地短路电流的计算
厂或所内和厂或所外发生接地短路时,流经接地装置的电流可分别按下式计算
I=(Imax―In)(1―Ke1)
(B1)
I=In(1-Ke2) (B2)
式中:I——入地短路电流,A;
Imax——接地短路时的最大接地短路电流,A;
In——发生最大接地短路电流时,流经发电厂、变电所接地中性点的最大接地短路电流,A;
Ke1、Ke2——分别为厂或所内和厂或所外短路时,避雷线的工频分流系数。
计算用入地短路电流取两式中较大的I值。
B2 发生接地故障时,接地装置的电位、接触电位差和跨步电位差的计算
a) 接地装置的电位可按下式计算
Ug=IR (B3)
式中:Ug——接地装置的电位,V;
I——计算用入地短路电流,A;
R——接地装置(包括人工接地网及与其连接的所有其他自然接地极)的接地电阻,Ω。
b) 均压带等间距布置时接地网(见图B1)地表面的最大接触电位差、跨步电位差的计算。

图B1 接地网的形状
1)接地网地表面的最大接触电位差,即网孔中心对接地网接地极的最大电位差,可按下式计算


式中:L、L0——分别与式(A3)中意义同。
c) 均压带非等间距布置时正方形或矩形接地网地表面的最大接触电位差和最大跨步电位差的计算
1) 接地网均压带可按表B1所示的不等间距方式布置。
表B1 接地网不等间距布置网孔边长为网边长百分数 %


附录C
(标准的附录)
接地装置的热稳定校验
C1 根据热稳定条件,未考虑腐蚀时,接地线的最小截面应符合下式要求

式中:Sg——接地线的最小截面,mm2;
Ig——流过接地线的短路电流稳定值,A(根据系统5~10年发展规划,按系统最大运行方式确定);
te——短路的等效持续时间,s;
c——接地线材料的热稳定系数,根据材料的种类、性能及最高允许温度和短路前接地线的初始温度确定。
在校验接地线的热稳定时,Ig、te及c应采用表C1所列数值。接地线的初始温度,一般取40℃。在爆炸危险场所,应按专用规定执行。
表C1 校验接地线热稳定用Ig、te和c值

a) 发电厂、变电所的继电保护装置配置有2套速动主保护、近接地后备保护、断路器失灵保护和自动重合闸时,te可按式(C2)取值
te≥tm+tf+to
(C2)
式中:tm——主保护动作时间,s;
tf——断路器失灵保护动作时间,s;
to——断路器开断时间,s。
b) 配有1套速动主保护、近或远(或远近结合的)后备保护和自动重合闸,有或无断路器失灵保护时,te可按式(C3)取值
te≥to+tr
(C3)
式中:tr——第一级后备保护的动作时间,s。
C2 根据热稳定条件,未考虑腐蚀时,接地装置接地极的截面不宜小于连接至该接地装置的接地线截面的75%。
附录D
(标准的附录)
架空线路杆塔接地电阻的计算
D1 杆塔接地装置的工频接地电阻
杆塔水平接地装置的工频接地电阻可利用下式计算

式中的At和L按表D1取值。
表D1 式(D1)中的参数

D2 杆塔接地装置与单独接地极的冲击系数
杆塔接地装置接地电阻的冲击系数,可利用以下各式计算
铁塔接地装置


表D2 接地极的冲击利用系数ηi

D5接地电阻的简易计算
各种型式接地装置工频接地电阻的简易计算式列于表D3。
表D3 各种型式接地装置的工频接地电阻简易计算式 Ω


附录E
(标准的附录)
E1 k值可由下式计算

式中:Qc——导线材料的体积热容量(表E1),J/(℃·mm3);
B——导线在0℃时的电阻率温度系数的倒数(表E1),℃;
ρ20——导线材料在20℃时的电阻率(表E1),Ω·mm;
θi——导线的初始温度,℃;
θf——导线的最终温度,℃。
表E1 式(E1)中的参数

E2 用法不同或运行情况不同的保护线的各种k值可按表E2、E3和E4选取。
表E2 非电缆芯线的绝缘保护线或与电缆外皮接触的裸保护线的k值

表E3 多芯电缆中一根芯线用作保护线的k值

表E4 裸导线的k值,该裸导线在下列温度下不会有危及任何邻近材料的危险

附录F
(提示的附录)
土壤和水的电阻率参考值
F1 表F1仅供缺少土壤电阻率数据时参考,一般应以实测值作为设计依据。
表F1 土壤和水的电阻率参考值
