UDC
中华人民共和国国家标准
OB
P
GB 50601 -2010
建筑物防雷工程施工与质量验收规范
Code for construction and quality acceptance for lightning protection engineering of structures
2010 - 07 - 15 发布
2011 -02 -01 实施
中华人民共和国住房和城乡建设部联厶生花 中华人民共和国国家质量监督检验检疫总局
中华人民共和国国家标准
建筑物防雷工程施工与质量验收规范
Code for construction and quality acceptance for lightning protection engineering of structures
GB 50601-2010
主编部门:江苏省住房和城乡建设厅 批准部门:中华人民共和国住房和城乡建设部
施行日期:2 0
中国计划出版社
中华人民共和国住房和城乡建设部公告
第664号
关于发布国家标准《建筑物防雷工程 施工与质量验收规范》的公告
现批准《建筑物防雷工程施工与质量验收规范》为国家标准, 编号为GB 50601—2010,自2011年2月1日起实施.其中,第 3. 2.3、5 1.1(3、6)、6.1.1(1)条(款)为强制性条文,必须严格执
本规范由我部标准定额研究所组织中国计划出版社出版发 行。
V. 中华人民共和国住房和城乡建设部
二0一0年七月十五日
前 言
•本规范是根据住房和城乡建设部《关于印发〈2008年工程建 设标准规范制订、修订计划(第一批)〉的通知》(建标[2008〕102 号)的要求,由南通五建建设工程有限公司和江苏顺通建设工程有 限公司会同有关单位共同编制而成的。
本规范在编制过程中,编制组在调查研究的基础上,总结了国 ,内最新的实践经验,吸收了符合我国国情的国外先进技术。经广 泛征求意见,反复研究,多次修改,最后经审查定稿。
本规范共分为11章和5个附录,主要内容包括总则、术语、基 本规定、接地装置分项工程、引下线分项工程、接闪器分项工程、等 电位连接分项工程、屏蔽分项工程、综合布线分项工程、电涌保护 器分项工程和工程质量验收等。
本规范中以黑体字标志的条文为强制性条文,必须严格执行。
本规范由住房和城乡建设部管理和对强制性条文的解释,江 苏省住房和城乡建设厅负责日常管理,南通五建建设工程有限公 司负责具体技术内容的解释。请各单位在执行本规范过程中注意 . 总结经验、积累数据,随时将需要修改和补充的意见寄至南通五建
建设工程有限公司(虛址:江苏省如东县掘港镇友谊东路洋口港开 发大楼,邮政编码:226400),以便今后修订时参考。
本规范主编■位、参编单位、主要起草人和主要审查人:
主编单:位:南通五建建设工程有限公司
江苏顺通建设工程有限公司
参编单位:江苏新源建筑H程有限公司 南通万通建设工程有限公司 南通光华建筑工程有限公司
• 1 •
标准分享网WWW. bzfxw. com免费下载
中国气象科学研究院
江苏省防雷中心 广东省防雷中心 深圳市防雷中心 如东县气象局
主要起草人:胡 斌 曹国祥 曹卫东 丁小建 管学新 傅明葛加君余小颉 葛政新 胡学明 俞光武孟青冯民学金良余立平 曹书涛盛海峰陈刚关象石
主要审查人:林维勇 孙 兰 李道本 欧清礼 陈善敏 潘正林 徐建荣 张小青 王光龙
Nwwcocincc
■ 2 •
目 次
1 总 贝U ......................................................... < 1 )
2 术 语........................*................................ ( 2 )
3 基本规定.....................................................(4 )
3.1 施工现场质量管理 .............................................(4 )
3.2 施工质量控制要求 .............................................(4 )
4接地装置分项工程.............................................(6 )
4.1接地装置安装...................................................(6 )
4.2接地装置安装工序 .............................................(8 )
5引下线分项工程 ..........,................................ ( 9 )
5,1引下线安装■」;...............................................(9 )
5.2引下线安装工序................................................(11)
6接闪器分项工程 ................................................(12)
H 6-1 接闪器安装 Ng…尸.....------------产不..........- (12)
? 6.2 接闪器安装工序:………野…—…3…,—,-•••….* (13)
"'7 等电位连接分项工程 ......... (14)
7.1等电位连接安装................................................(14)
7.2等电位连接安装工序 ..........................................(15)
8屏蔽分项工程...................................................(16)
8,1屏蔽装置安装.................. (16)
& 2屏蔽装置安装工序 ............. (16)
9 综合布线分项工程 .............................................(18)
9.1综合布线安装..................... (18)
9.2綜合布线安装工序 .............................................(19)
10电涌保护器分项工程............................. (20)
标准分享网WWW. bzfxw. com免费下载
10.1电涌保护器安装 .............................................(20)
10.2电涌保护器安装工序..........................................(22)
11工程质量验收 ...................................................(23>
11.1 -般规定......................................................(23)
11.2防雷工程中各分项工程的检验批划分和检测要求 .........(24)
附录A 施工现场质量管理检查记录 ...........................(28)
附录B外部防雷装置和等电位连接导体的材料、规格…(29) 附录C电涌保护器分类和应提供的信息要求...............(34)
附录D安装图......................................................(39)
附录E质量验收记录........-................... (54)
本规范用词说明......................................................(62)
引用标准名录.........................................................(63)
附:条文说明.................................. (65)
Λ∕WW.dθCin.C(
Contents
1 General provisions ............................................. ( 1 )
2 Terms ..................*......................................... ( 2 )
3 Basic requirement ...................................*......... ( 4 )
3. 1 Quality management of construction site ..................... ( 4 )
3. 2 Requirements of construction quality control ............ ( 4 )
4 Subdivision work of earth-termination SyStem ......... ( 6 )
4. 1 Installation of earth-termination system ..................... ( 6 )
4. 2 Installation procedures of e^rth*termination system ......... ( 8 )
5 Subdivision WCrk of down-conductor system ............ ( 9 )
5, 1 Installation of down-conductor system ........................ ( 9 )
5. 2 Installation procedures of down-coriductor system ............ (11)
6 Subdivision work of air-termination system ............ (12)
6. 1 Installation of aiɪ^termination system ........................ (12)
6・ 2 Installation procedures of airjtermination system -••♦•*••• ∙<* (13)
7 Subdivision work of equipotential bonding ............... (14 )
7. 1 Installation of equipotential bonding ........................... (14)
7. 2 Installation procedures of equipotential bonding ............ < 1 5 )
8 Subdivision work of shielding ..............................《16)
8.1 Installation of shielding device................................. (16)
8. 2 Installation procedures of shielding device .................. (16)
9 Subdivision work of generic cabling ........................ < 18)
9∙ 1 Installation Of generic cabling ................................. (18)
9. 2 Installation procedures of generic cabling .... .. ............(19)
10 Subdivision work of surge protective device .....*...... ( 20)
* β 3 ∙
标准分享网www. bzfxw. com免费下载
10.1 Installation of surge protective device........... (20)
10l 2 Installation procedures of surge protective device ......... (22)
11 Acceptance of engineering construction quality......... (23)
11.1 General requirement ....... (23)
11,2 Inspection lot division and test requirements of subdivision works in lightning protection
engineering ...... (24)
Appendix A Record of quality management and test in construction site ............. (28)
Appendix B Material specification for external lightning protection system and equipotential bonding conductor.................................〈29)
Appendix C Classification and information requirements for surge protective device ..................... (34)
Appendix D Installation diagram .................... (39)
Appendix E Records of quality acceptance .................. (5 4 >
Explanation of wording in this code ...... (62)
List of quoted standards ....................... (63)
Addition: Explanation of provisions ......•产∙rf**∙∙∙........* (65)
• 4 ■
1总 则
1.0.1为加强建筑物防雷工程质量监督管理,统一防雷工程施工 与质量验收,保证工程质量和建筑物的防雷装置安全运行,制定本 规范。
1.0.2本规范适用于新建、改建和扩建建筑物防雷工程的施工与 质量验收。
1.0.3建筑物防雷工程施工与质量验收除应符合本规范外,尚应 符合国家现行有关标准的规定.
LdOCin C
• 1 •
标准分享网WWW. bzfxw. com免费下载
2术 语
2.0.1 防雷装置 lightning protection system(LPS)
用于对建筑物进行雷电防护的整套装置,由外部防雷装置和
内部防雷装置组成。
2.0.2 外部防雷装置 external lightning protection system 用于防护直击雷的防雷装置,由接闪器、引下线和接地装置组
成。
2.0.3 内部防雷装置 internal lightning protection system 用于减小雷电流在所需防护空间内产生的电磁效应的防雷装
置,由屏蔽导体、等电位连接件和电涌保护器等组成。
2. 0.4 接地体 earth electrode
埋入土壤或混凝土基础中作散流用的导体.
2. 0. 5 接地线 earthing conductor
从引下线断接卡或测试点至接地体的连接导体,或从接地端 子、等电位连接带至接地体的连接导体。1
2. 0.6 共用接地系统 common earthing system
将防雷装置、建筑物基础金属构件、低压配电保护线、设备保 护接地、屏蔽体接地、防静电接地和信息技术设备逻辑地等相互连 接在一起的接地系统。 ^
2. 0*7 电涌保护器 surge protective device (SPD) 用于限制瞬态过电压和分泄电涌电流的器件。至少含有一个
非线性元件.
2.0.8 后备过电流保护 back-up overcurrent protection
. 位于电涌保护器外部的前端,作为电气装置的一部分的过电
流保护装置。
2.0.9 内部系统 internal system
建筑物内的电气和电子系统.
2.0.10 电-气系统 electrical system
由低压供电组合部件构成的系统。
2.0.11 电子系统 electronic system
由通信设备、计算机、控制和仪表系统、无线电系统和电力电 子装置构成的系统。
2. 0.12 检验批 inspection lot
按同一的生产条件或规定的方式汇总起来供检验用的,由一 定的数量样本组成的检验体。
2. 0* 13 主控项目 dominant item
建筑工程中对安全、卫生、环境保护和公众利益起决定性作用 的检验项目。
2. 0.14 一般项目 general item
除主控项目以外的检验项目。
WVv-OOCin-C
标准分享网WWW. bzfxw. com免费下载
3基本规定
3.1施工现场质♦管理
3.1.1防雷工程施工现场的质量管理,应有相应的施工技术标 准、健全的质量管理体系、施工质量检验制度和综合施工质量水平 判断评定考核制度。总监理工程师或建设单位项目负责人应逐项 检查并填写本规范附录A表A. 0.1。
3.1.2施工人员、资质和计量器具应符合下列规定:
1施工中的各工种技工、技术人员均应具备相应的资格,并 应持证上岗。
2施工单位应具备相应的施工资质。
3在安装和调试中使用的各种计量器具,应经法定计量认证 机构检定合格,并应在检定合格有效期内使用。
3.2施工质・控制要求
3.2.1防雷工程采用的主要设备、材料、成品、半成品进场检验结 论应有记录,并应在确认符合本规范的规定后再在施工中应用。 对依法定程序批准进入市场的新设备、器具和材料进场验收,供应 商尚应提供安装、使用、维修和试验要求等技术文件。对进口设 备、器具和材料进场验收,供应商尚应提供商检(或国内检测机构) 证明和中文的质量合格证明文件,规格、型号、性能检验报告,以及 中文的安装、使用、维修和试验要求等技术文件.
当对防雷工程采用的主要设备、材料、成品、半成品存在异议 时,应由法定检测机构的试验室进行抽样检测,并应出具检测报 吿。
主要防雷装置的材料、规格和试验要求宜符合本规范附录B
• 4 •
和附录C的规定。
3. 2. 2各工序应按本规范规定的工序进行质量控制,每道工序完 成后,应进行检查。相关各专业工种之间应进行交接检验,并应形 成记录,应包括隐蔽工程记录。未经监理工程师或建设单位技术 负责人检查确认,不得进行下道工序施工e
3.2.3除设计要求外,兼做引下线的承力钢结构构件、混凝土梁、 柱内钢筋与钢筋的连接,应釆蛀建施工的绑扎法或螺丝扣的机 械连接,严禁热加工连接。
Λ∕ww.dccin.c
• 5 •
标准分享网WWW. bzfxw. com免费下载
4接地装置分项工程
4.1接地装置安装
4.1.1主控项目应符合下列规定:
1利用建筑物桩基、梁、柱内钢筋做接地装置的自然接地体 和为接地需要而专门埋设的人工接地体,应在地面以上按设计要 求的位置设置可供测量、接人工接地体和做等电位连接用的连接 板。
2接地装置的接地电阻值应符合设计文件的要求。
3在建筑物外人员可经过或停留的引下线与接地体连接处 3m范围内,应采用防止跨步电压对人员造成伤害的一种或多种 方法如下:
1)铺设使地面电阻率不小于50k∩ ∙ m的5cm厚的沥青层 或15Cm厚的砾石层。
2)设立阻止人员进入的护栏或警示牌。
3)将接地体敷设成水平网格。
4当工程设计文件对第一类防雷建筑物接地装置设计为独 立接地时,独立接地体与建筑物基础地网及与其有联系的管道、电 缆等金属物之间的间隔距离,应符合现行国家标准《建筑物防雷设 计规范》GB 50057-2010中第4. 2.1条的规定。
4.1.2 一般项目应符合下列规定:
1当设计无要求时,接地装置顶面埋设深度不应小于0. 5mβ 角钢、钢管、铜棒、铜管等接地体应垂直配置。人工垂直接地体的 长度宜为2. 5m,人工垂直接地体之间的间距不宜小于5m。人工 接地体与建筑物外墙或基础之间的水平距离不宜小于1m。
2可采取下列方法降低接地电阻:
D将垂直接地体深埋到低电阻率的土壤中或扩大接地体与 土壤的接触面积.
2)置换成低电阻率的土壤。
3)采用降阻剂或新型接地材料。
4)在永冻土地区和采用深孔(井)技术的降阻方法,应符合 现行国家标准《电气装置安装工程接地装置施工及验 收规范》GB 50169—2006中第3. 2.10条〜第3. 2.12条 的规定。
5)采用多根导体外引,外引长度不应大于现行国家标准《建• 筑物防雷设计规范》GB 50057-2010中第5. 4. 6条的有 关规定。
3当接地装置仅用于防雷保护,且当地土壤电阻率较高,难 以达到设计要求的接地电阻值时,可采用现行国家标准《雷电防护 第3部分:建筑物的物理损坏和生命危险》GB/T 21714. 3-2008中第5.4. 2条的规定。
4接地体的连接应采用焊接,并宜采用放热焊接(热剂蟬)。 当采用通用的焊接方法时,应在焊接处做防腐处理。钢材、铜材的 焊接应符合下列规定:
D导体为钢材时,焊接时的搭接长度及焊接方法要求应符
合表4.1.2的规定。 ”
表4.1.2防雷装置钢材蟬接时的搭接长度及焊接方法
| 焊接材料 | 」搭接长度 | 焊接方法 - | 
| 扁钢与扁钢 | 不应少于扁钢宽度的2倍 | 囲个大面不应少于3个棱边焊接 | 
| 圆钢与圖钢 | 不应少于圆钢直径的6倍 | 双面施落 | 
| 圆钢与扁钢 | 不应少于圆钢直径的6倍 | 双面施麻 | 
| 扁钢与钢管. 扁钢与角钢 | 紧贴角钢外侧两面或紫贴3/4钢管表面,上•下两侧施煉,并应 焊以由扁钢弯成的弧形(或直角形)卡子或直接由扁钢本身弯成 弧形或直角形与钢管或角钢焊接_______________ | |
2)导体为铜材与铜材或铜材与钢材时,连接H艺应采用放
热焊接,熔接接头应将被连接的导体完全包在接头里,
标准分享网WWW. bzfxw. com免费下载
应保证连接部位的金属完全熔化,并应连接牢固。
5接地线连接要求及防止发生机械损伤和化学腐蚀的措施, 应符合现行国家标准《电气装置安装工程接地装置施工及验收 规范》GB 50169—2006中第3. 2. 7条、第3. 3. 1条和第3. 3. 3条 的规定。
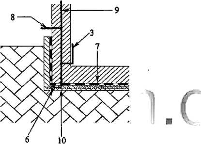
6接地装置在地面处与引下线的连接施工图示和不同地基 的建筑物基础接地施工图示•见本规范附录D中图D. 0. 1-1〜图 D. 0.1-3.
7敷设在土壤中的接地体与混凝土基础中的钢材相连接时, 宜采用铜材或不锈钢材料。
4.2接地装置安装工序
4.2.1自然接地体底板钢筋敷设完成,应按设计要求做接地施 工,应经检查确认并做隐蔽工程验收记录后再支模或浇捣混凝土。 4. 2.2人工接地体应按设计要求位置开挖沟槽,打入人工垂直接 地体或敷设金属接地模块(管)和使用人工水平接地体进行电气连 接,应经检查确认并做隐蔽工程验收记录。
4.2.3接地装置隐蔽应经检查验收合格后再覆土回填。
• 8 •
5引下线分项工程
5.1引下线安装
5.1.1主控项目应符合下列规定:
1引下线的安装布置应符合现行国家标准《建筑物防雷设计 规范》GB 50057的有关规定,第一类、第二类和第三类防雷建筑物 专设引下线不应少于2根,并应沿建筑物周围均匀布设,其平均间 距分别不应大于12mJ8m和25m0
2明敷的专用引下线应分段固定,并应以最短路径敷设到接 地体,敷设应平正顺直、无急弯。焊接固定的焊缝应饱满无遗漏, 螺栓固定应有防松零件(垫圈),焊接部分的防腐应完整。
3建筑物外的弓I下线敷设在人员可停留或经过的区域时,应 采用下列一种或多种方法I防止接触电压和旁侧闪络电压对人员 造成伤害:
,T 1)外露引下线在高2.7m以下部分应穿不小于3mm厚的 交联聚乙烯管,交联聚乙烯管应能耐受IOOkV冲击电压 (1. 2∕50μs 波形)。
2)应设立阻止人员进入的护栏或警示牌。护栏与引下线水 平距离不应小于3m。
4引下线两端应分别与接闪器和接地装置做可靠的电气连 接。
5引下线上应无附着的其他电气线路,在通信塔或其他高耸 金属构架起接闪作用的金属物上敷设电气线路时,线路应采用直 埋于土壊中的铠装电缆或穿金属管敷设的导线Q电缆的金属护层 或金属管应两端接地,埋入土壤中的长度不应小于10m.
6引下线安装与易燃材料的墙壁或墙体保温层间距应大于
* 9,
标准分享网WWW. bzfxw. com免费下载
O. Imo
5.1.2 -般项目应符合下列规定:
1引下线固定支架应固定可靠,每个固定支架应能承受49N 的垂直拉力。固定支架的高度不宜小于15Omm,固定支架应均 匀,引下线和接闪导体固定支架的间距应符合表5. 1. 2的要求。
表5.1.2引下线和接闪导体固定支架的间距
| 布置方式 | 扁形导体和绞缆固定支架 的间距(mm) | 单根圆形导体ISl定支架 的间距(mm) | 
| 水平面上的水平导体 | 500 | 1000 | 
| 垂直面上的水平导体 | 500 | 1000 | 
| 地面至20m处的垂直导体 | 1000 | 1000 | 
| 从20m处起往上的垂直导体 | 500 | 1000 | 
2引下线可利用建筑物的钢梁、钢柱、消防梯等金属构件作 为自然引下线,金属构件之间应电气贯通。当利用混凝土内钢筋、 钢柱作为自然引下线并采用基础钢筋接地体时,不宜设置断接卡, 但应在室外墙体上留出供测量用的测接地电阻孔洞及与引下线相 连的测试点接头。暗敷的自然引下线(柱内钢筋)的施工应符合现 行国家标准《混凝土结构工程施工质量验收规范》GB 50204一 2002中第5章的规定。混凝土柱内钢筋,应按工程设计文件要求 采用土建施工的绑扎法、螺丝扣连接等机械连接或对焊、搭焊等焊 接连接。
3当设计要求引下线的连接采用焊接时,焊接要求应符合本 规范第4. 1.2条第4款的规定。
4在易受机械损伤之处,地面上1.7m至地面下0.3m的一 段接地应采用暗敷保护,也可采用镀锌角钢、改性夔料管或橡胶等 保护,并应在每一根引下线上距地面不低于0. 3m处设置断接卡 连接。
5引下线不应敷设在下水管道内,并不宜敷设在排水槽沟 内。
• 10 •
6引下线安装中应避免形成环路,引下线与接闪器连接的施 工可按本规范附录D中图D. 0.2-1〜图D.O. 2-5和图D. 0. 3-2执 行。
5.2引下线安装工序
5.2.1利用建筑物柱内钢筋作为引下线,在柱内主钢筋绑扎或焊 接连接后,应做标志,并应按设计要求施工,应经检查确认记录后 再支模。
5.2.2直接从基础接地体或人工接地体引出的专用引下线,应先 按设计要求安装固定支架,并应经检查确认后再敷设引下线。
vw.docιn.(
• 11 •
标准分享网WWW. bzfxw. com免费下载
6接闪器分项工程
6.1接闪器安装
6.1.1主控项目应符合下列规定:
1建筑物顶部和外墙上的接闪器必须与建筑物栏杆、旗杆、 吊车梁、管道、设备、太阳能热水器、门窗、幕墙支架等外露的金属 物进行等电位连接。
2接闪器的安装布置应符合工程设计文件的要求,并应符合 现行国家标准《建筑物防雷设计规范》GB 50057中对不同类别防 雷建筑物接闪器布置的要求。
3位于建筑物顶部的接闪导线可按工程设计文件要求暗敷 在混凝土女儿墙或混凝土屋面内。当釆用暗敷时,作为接闪导线 的钢筋施工应符合现行国家标准《混凝土结构工程施工质量验收 规范》GB 50204—2002中第5章的规定。高层建筑物的接闪器应^. 采取明敷。在多雷区,宜在屋面拐角处安装短接闪杆。
4专用接闪杆应能承受0.7kN/n?的基本风压,在经當发生 ^ 台风和大于11级大风的地区,宜增大接闪杆的尺寸。
5接闪器上应无附着的其他电气线路或通信线、信号线,设 计文件中有其他电气线和通信线敷设在通信塔上时,应符合本规 范第5. Ll条第5款的规定。
6.1.2 —般项目应符合下列规定:
1当利用建筑物金属屋面、旗杆、铁塔等金属物做接闪器时. 建筑物金属屋面、旗杆、铁塔等金属物的材料、规格应符合本规范 附录B的有关规定。
2专用接闪杆位置应正确,焊接固定的焊缝应饱满无遗漏, 焊接部分防腐应完整。接闪导线应位置正确、平正顺直、无急弯。
♦ 12 •
煒接的焊缝应饱满无遗漏,螺栓固定的应有防松零件。
3接闪导线焊接时的搭接长度及焊接方法应符合本规范第 4. L 2条第4款的规定。
4固定接闪导线的固定支架应固定可靠,每个固定支架应能 承受49N的垂直拉力。固定支架应均匀,并应符合本规范表 5. L 2的要求。
5接闪器在建筑物伸缩缝处的跨接及坡屋面上施工可按本 规范附录D中图D. 0. 3-1〜图D. 0.3-3执行。
6.2接闪器安装工序
6.2.1暗敷在建筑物混凝土中的接闪导线,在主筋绑扎或认定主 筋进行焊接并做好标志后,应按设计要求施工,并应经检查确认隐 蔽工程验收记录后再支模或浇捣混凝土.
6.2.2明敷在建筑物上的接闪器应在接地装置和引下线施工完 成后再安装,并应与引下线电气连接。
 
标准分享网WWW. bzfxw. com免费下载
7等电位连接分项工程
7.1等电位连接安装
7.1.1主控项目应符合下列规定:
1除应符合本规范第6.1.1条第1款的规定,尚应按现行国 家标准《建筑物防雷设计规范》GB 50057中有关各类防雷建筑物 的规定,对进出建筑物的金属管线做等电位连接。
2在建筑物人户处应做总等电位连接。建筑物等电位连接 干线与接地装置应有不少于2处的直接连接。
3第一类防雷建筑物和具有1区、2区、21区及22区爆炸危 险场所的第二类防雷建筑物内、外的金属管道、构架和电缆金属外 皮等长金属物的跨接,应符合现行国家标准《建筑物防雷设计规 范》GB 50057的有关规定。
7.1.2 一般项目应符合下列规定:
1等电位连接可采取焊接、螺钉或螺栓连接等。当采用焊接 时,应符合本规范第4. L 2条第4款的规定。I *
2在建筑物后续防雷区界面处的等电位连接应符合现行国 家标准《建筑物防雷设计规范》GB 50057的有关规定。
3电子系统设备机房的等电位连接应根据电子系统的工作 频率分别采用星形结构(S型)或网形结构(M型〉。工作频率小 于30OkHZ的模拟线路,可采用星形结构等电位连接网络:频 率为兆赫(MHZ)级的数字线路,应采用网形结构等电位连接 网络。
4建筑物入户处等电位连接施工和屋面金属管人户等电位 连接施工可按本规范附录D中图D. 0. 2-5、图D. 0. 3-3和图 D. 0.4-1 〜图 D. 0. 4-5 执行。
• 14 •
■7.2等电位连接安装工序
7.2.1在建筑物入户处的总等电位连接,应对入户金属管线和总 等电位连接板的位置检查确认后再设置与接地装置连接的总等电 位连接板,并应按设计要求做等电位连接。
7.2.2在后续防雷区交界处,应对供连接用的等电位连接板和需 要连接的金属物体的位置检查确认记录后再设置与建筑物主筋连 接的等电位连接板,并应按设计要求做等电位连接.
7.2.3在确认网形结构等电位连接网与建筑物内钢筋或钢构件 连接点的位置、信息技术设备的位置后,应按设计要求施工。网形 结构等电位连接网的周边宜每隔5m与建筑物内的钢筋或钢结构 连接一次。电子系统模拟线路工作频率小于30OkHZ时,可在选 择与接地系统最接近的位置设置接地基准点后,再按星形结构等 电位连接网设计要求施工。
ww.αocin.corτ
• 15 •
标准分享网WWW. bzfxw. com免费下载
8屏蔽分项工程
8.1屏蔽装置安装
8.1.1主控项目应符合下列规定:
1当工程设计文件要求为了防止雷击电磁脉冲对室内电子 设备产生损害或干扰而需采取屏蔽措施时,屏蔽工程施工应符合 工程设计文件和现行国家标准《电子信息系统机房施工及验收规 范》GB 50462的有关规定。
2当工程设计文件有防雷专用屏蔽室时,屏蔽壳体、屏蔽门、 各类滤波器、截止通风导窗、屏蔽玻璃窗、屏蔽暗箱的安装,应符合 工程设计文件的要求。屏蔽室的等电位连接应符合本规范第 7.1. 2条第3款的规定。
8.1.2 一般项目应符合下列规定:
1设有电磁屏蔽室的机房,建筑结构应满足屏蔽结构对荷载 的要求。
2电磁屏蔽室与建筑物内墙之间宜预留维修通道。
8.2屏蔽装置安装工序
8. 2.1建筑物格栅形大空间屏蔽工程安装工序应符合下列规定:
1应按工程设计文件要求选用金属导体在建筑物六面体上 敷设,对金属导体本身或其与建筑物内的钢筋构成的网格尺寸,应 经检查确认后再进行电气连接。
2支模或进行内装修时,应使屏蔽网格埋在混凝土或装修材 料之中。
8.2.2专用屏蔽室安装工序应符合下列规定:
1应将模块式的可拆式屏蔽室在房间内按设计要求安装,并
• 16 •
应预留出等电位连接端子。
2应将屏蔽室预留等电位连接端子与建筑物内等电位连接 带进行电气连接,并应经检查确认后再进行屏蔽室固定和外部装 修。
3应安装屏蔽门、屏蔽窗和滤波器,并应检查屏蔽焊缝的严 密和牢固。
VW.docin.
• 17 •
标准分芋网WWW. bzfxw. com免费下载
9综合布线分项工程
9.1综合布线安装
9.1.1主控项目应符合下列规定:
1低压配电线路(三相或单相)的单芯线缆不应单独穿于金 属管内。 ^
2不同回路‘、不同电压等级的交流和直流电线不应穿于同一 金属管中,同一交流回路的电线应穿于同一金属管中,管内电线不 得有接头。
3爆炸危险场所使用的电线(电缆)的额定耐受电压值不应 低于750V,且应穿在金属管中。
9.1.2 一般项目应符合下列规定:
1建筑物内传输网络的综合布线施工应符合现行国家标准 《综合布线系统工程验收规范》GB 50312的有关规定(S
2当信息技术电缆与供配电电缆同属一个电缆管理系统和 同一路由时,其布线应符合下列规定:
1)电缆布线系统的全部外露可导电郁分,均应按本规范第 7.1节的要求进行等电位连接。
2)由分线箱引出的信息技术电缆与供配电电缆平行敷设的 长度大于35m时,从分线箱起的20m内应采取隔离措 施,也可保持两线缆之间有大于30mm的间距,或在槽 盒中加金属板隔开。
3)在条件许可时,宜采用多层走线槽盒,强、弱电线路宜分 层布设。
3低压配电系统的电线色标应符合相线采用黄、绿、红色,中 性线用浅蓝色,保护线用绿/黄双色线的要求,
• 18 •
9.2综合布线安装工序
9. 2.1信息技术设备应按设计要求确认安装位置,并应按设备主 次逐个安装机柜、机架。
9.2.2各类配线的额定电压值、色标应符合本规范第9.1节和设 计文件的要求,并应经检查确认后备用。
9.2.3敷设各类配线的线槽(盒)、桥架或金属管应符合设计文件 的要求,并应经检查确认后,再按设计文件要求的位置和走向安装 固定。
9.2.4已安装固定的线槽(盒)、桥架或金属管应与建筑物内的等 电位连接带进行电气连接,连接处的过渡电阻不应大于0. 24。。
9.2.5各类配线应按设计文件的要求分别布设到线槽(盒)、桥架 或金属管内,并应经检查确认后,再与低压配电系统和信息技术设 备相连接。
∕∖w.docιnx
• 19 •
标准分享网WWW. bzfxw. com免费下载
10电涌保护器分项工程
10.1电涌保护器安装
10.1.1主控项目应符合下列规定:
1低压配电系统中SPD的安装布置应符合工程设计文件的 要求,并应符合现行国家标准《建筑物电气装置 第5-53部分:电 气设备的选择和安装 隔离、开关和控制设备 第534节:过电压 保护电器》GB 16895. 22、《低压配电系统的电涌保护器(SPD)第 12部分会选择和使用导则》GB/T 18802.12和《建筑物防雷设计规 范》GB 50057的有关规定。
2电子系统信号网络中的SPD的安装布置应符合工程设计 文件的要求,并应符合现行国家标准《低压电涌保护器第22部 分:电信和信号网络的电涌保护器(SPD)选择和使用导则》 GB/T 18802. 22和《建筑物防雷设计规范》GB 50057的有关规 定。
3当建筑物上有外部防雷装置,或建筑物上虽未敷设外部防 雷装置,但与之邻近的建筑物上有外部防雷装置且两建筑物之间 有电气联系时,有外部防雷装置的建筑物和有电气联系的建筑物 内总配电柜上安装的SPD应符合下列规定:
1)应当使用I级分类试验的SPDe
2)低压配电系统的SPD的主要性能参数:冲击电流不应小 于12. 5kA(10/350χs3电压保护水平不应大于2. 5kV,最 大持续运行电压应根据低压配电系统的接地型式选取。
4当SPD内部未设计热脱扣装置时,对失效状态为短路型 的SPD,应在其前端安装熔丝、热熔线圈或断路器进行后备过电 流保护。
• 20 •
10.1.2 一般项目应符合下列规定:
1低压配电系统中安装的第一级SPD与被保护设备之间关 系无法满足下列条件时,应在靠近被保护设备的分配电盘或设备 前端安装第二级SPD:
1)第一级SPD的有效电压保护水平低于设备的耐过电压 额定值时。 "
2)第一级SPD与被保护设备之间的线路长度小于IOm 时。
3)在建筑物内部不存在雷击放电或内部干扰源产生的电磁. 场干扰时。
2第二级SPD无法满足本条第1款的条件时,应安装第三 级 SPD。
3无明确的产品安装指南时,开关型SPD与限压型SPD之 间的线路长度不宜小于IOm,限压型SPD之间的线路长度不宜小 于5m。当SPD之间的线路长度小于IOm或5m时,应加装退耦 的电感(或电阻)元件。生产厂明确在其产品中已有能量配合的措 施时,可不再接退耦元件。
4在电子信号网络中安装的第一级SPD应安装在建筑物人 户处的配线架上,当传输电缆直接接至被保护设备的接口时,宜安 装在设备接口上6 ^
5在电子信号网络中安装第二级、第三级SPD的方法应符 合本条第1〜3款的规定。
6 SPD两端连线的材料和最小截面要求应符合本规范附录 B中表B. 2. 2的规定Q连线应短且直,总连线长度不宜大于 0. 5m,如有实际困难,可按本规范附录D中图D. 0. 7-2所示采用 V形连接。
7 SPD在低压配电系统中和电子系统中安装施H可按本规 范附录 D 中图 D. 0. 5-1 〜图 D. 0, 5-5、图 D. 0. 6-1、图 D. 0. 6-2 和 图D. 0. 8-1〜图D. 0. 8-3执行。
・21 •
标准分享网WWW. bzfxw. com免费下载
10.2电涌保护器安装工序
10.2.1 低压配电系统中的SPD安装,应在对配电系统接地型 式、SPD安装位置、SPD的后备过电流保护安装位置及SPD两端 连线位置检查确认后,首先安装SPD,在确认安装牢固后,应将 SPD的接地线与等电位连接带连接后再与带电导线进行连接Q
10.2.2电信和信号网络中的SPD安装,应在SPD安装位置和 SPD两端连接件及接地线位置检查确认后,首先安装SPD,在确 认安装.牢固后,应将SPD的接地线与等电位连接带连接后再接入 网络。
AMdocinco
• 22 •
11工程质量验收
ILl 一般规定
11.1.1建筑物防雷工程施工质量验收应符合本规范和现行国家 标准《建筑工程施工质量验收统一标准》GB 50300的有关规定,并 应符合施工所依据的工程技术文件的要求。
11,1.2检验批及分项工程应由监理工程师或建设单位项目技术 负责人组织具备资质的防雷技术服务机构和施工单位项目专业质 量(技术)负责人进行验收。隐蔽工程在隐蔽前应由施工单位通知 监理工程师或建设单位项目技术负责人、防雷技术服务机构项目 负责人共同进行验收,并应形成验收文件。检验批及分项工程验 收前,施工单位应进行自行检查。
11.1.3防雷工程(子分部工程)应由总监理工程师或建设单位项 目负责人组织施工单位项目负责人和技术、质量负责人,防雷主管 单位项目负责人共同进行工程验收。
11.1.4检验批合格质量应符合下列规定:
1主控项目和一般项目的质量应经抽样检验合格。
2应具有完整的施工操作依据、质量检查记录。
3检验批的质量检验抽样方案应符合现行国家标准《建筑工 程施工质量验收统一标准》GB 50300-2001中第3. 0. 4条的规 定。对生产方错判概率,主控项目和一般项目的合格质量水平的 错判概率值不宜超过5%;对使用方漏判概率,主控项目的合格质 量水平的错判概率值不宜超过5%,一般项目的合格质量水平的 漏判概率值不宜超过10%。 ^
4检验批的质量验收记录表格样式可按本规范附录E执 行。
• 23 -
标准分享网WWW. bzfxw. com免费下载
11.1. 5分项工程质量验收合格应符合下列规定1
1分项工程所含的检验批均应符合本规范第ILL 4条的规 定。
2分项工程所含的检验批的质量验收记录应完整。分项工 程质量验收表格样式可按本规范附录E执行。
11.1.6防雷工程(子分部工程)质量验收合格应符合下列规定:
1防雷H程所含的分项工程的质量均应验收合格。
2质量控制资料应符合本规范第3: 2.1条和第3. 2. 2条的 要求,并应完整齐全.
3施工现场质量管理检查记录表的填写应完整.
4工程的观感质量验收应经验收人员通过现场检查,并应共 同确认。
S防雷工程(子分部工程)质量验收记录表格可按本规范附 录E执行。
11.2防雷工程中各分项工程的检睑批划分和检测要求
11.2.1接地装置安装工程的检验批划分和验收应符合下列规 定: -
1接地装置安装工程应按人工接地装置和利用建筑物基础 钢筋的自然接地体各分为1个检验批,大型接地网可按区域划分 为几个检验批进行质量验收和记录。
2主控项目和一般项目应进行下列检测:
D供测量和等电位连接用的连接板(测量点)的数量和位置 是否符合设计要求。
2)测试接地装置的接地电阻值.
3)检查在建筑物外人员可停留或经过的区域需要防跨步电 压的措施。
4)检查第一类防雷建筑物接地装置及与其有电气联系的金 属管线与独立接闪器接地装置的安全距离。
• 24 •
5)检查整个接地网外露部分接地线的规格、防腐、标识和防 机械损伤等措施。测试与同一接地网连接的各相邻设备 连接线的电气贯通状况,其间直流过渡电阻不应大于 O. 2∩β
H.2.2引下线安装工程的检验批划分和验收应符合下列规定:
1引下线安装工程应按专用引下线、自然引下线和利用建筑 物柱内钢筋各分1个检验批进行质量验收和记录。
2主控项目和一般项目应进行下列检测;
D检测引下线的平均间距。当利用建筑物的柱内钢筋作为 引下线且无隐蔽工程记录可查时,宜按现行行业标准《混 凝土中钢筋检测技术规程》JGJ/T 152的有关规定进行 检测。
2)检查引下线的敷设、固定、防腐、防机械损伤措施。
3)检查明敷引下线防接触电压、闪络电压危害的措施。检 査引下线与易燃材料的墙壁或保温层的安全间距。
4)测量引下线两端和引下线连接处的电气连接状况,其间 直流过渡电阻值不应大于0. 2∩o
5)检测在引下线上附着其他电气线路的防雷电波引入措 施*
11.2.3接闪器安装工程的检验批划分和验收应符合下列规定:
1接闪器安装工程应按专用接闪器和自然接闪器各分为1 个检验批,一幢建筑物上在多个高度上分别敷设接闪器时,可按安 装高度划分为几个检验批进行质量验收和记录。
2主控项目和一般项目应进行下列检测:
1)检查接闪器与大尺寸金属物体的电气连接情况,其间直 流过渡电阻值不应大于0. 2∩β
2)检查明敷接闪器的布置,接闪导线(避雷网)的网格尺寸 是否大于第一类防雷建筑物5mX5m或4mX6m、第二 类防雷建筑物IOmXlOm或8mX 12m、第三类防雷建筑
• 25 •
标准分享网WWW. bzfxw. com免费下载
物 2t)m×20m 或 16m×24m 的要求。
3)检查暗敷接闪器的敷设情况,当无隐蔽工程记录可查时, 宜按本规范第∏. 2. 2条第2款的要求进行检测。
4)检查接闪器的焊接、螺栓固定的应备帽、焊接处防锈状 况。
5)检查接闪导线的平正顺直、无急弯和固定支架的状况.
6)检查接闪器上附着其他电气线路或其他导电物是否有防 雷电波引入措施和与易燃易爆物品之间的安全间距。
11.2.4等电位连接工程的检验批划分和验收应符合下列规定:
1等电位连接工程应按建筑物外大尺寸金属物等电位连接、 金属管线等电位连接、各防雷区等电位连接和电子系统设备机房 各分为1个检验批进行质量验收和记录.
2等电位连接的有效性可通过等电位连接导体之间的电阻 值测试来确定,第一类防雷建筑物中长金属物的弯头、阀门、法兰 盘等连接处的过渡电阻不应大于0.039:连在额定值为16A的断 路器线路中,同时触及的外露可导电部分和装置外可导电部分之 间的电阻不应大于O. 24Q;等电位连接带与连接范围内的金属管 道等金属体末端之间的直流过渡电阻值不应大于3口。
H. 2.5屏蔽装置工程的检验批划分和验收应符合下列规定:
1屏蔽装置工程应按建筑物格栅形大空间屏蔽和专用屏蔽 室各分为1个检验批进行质量验收和记录。
2防雷电磁屏蔽室的主控项目和一般项目应进行下列检测: D对壳体的所有接缝、屏蔽门、截止波导通风窗、滤波器等 屏蔽接口使用电磁屏蔽检漏仪进行连续检漏。
2)检查壳体的等电位连接状况,其间直流过渡电阻值不应 大于0.2Q。
3)屏蔽效能的测试应符合现行国家标准《电磁屏蔽室屏蔽 效能的测量方法》GB/T 12190的有关规定。
11.2.6综合布线工程的检验批划分和验收应符合下列规定:
• 26 •
1综合布线工程应为1个检验批,当建筑工程有若干独立的 建筑时,可按建筑物的数量分为几个检验批进行质量验收和记录。
2对工程主控项目和一般项目应逐项进行检查和测量。
3综合布线工程电气测试应符合现行国家标准《综合布线系 统工程验收规范》GB 50312的有关规定。
IL 2.7 SPD安装工程的检验批划分和验收应符合下列规定:
1 SPD安装工程可作为1个检验批,也可按低压配电系统 和电子系统中的安装分为2个检验批进行质量验收和记录。
2对主控项目和一般项目应逐项进行检查。
3 SPD的主要性能参数测试应符合现行国家标准《建筑物 防雷装置检测技术规范》GB/T 21431-2008第5. 8.2条和第 5. & 3条的规定。
ww.docιn.c
• 27 -
标准分享网WWW. bzfxw. com免费下载
附录A施工现场质量管理检查记录
A. 0∙ 1施工现场质量管理检查记录应由施工单位按表A O∙ 1填 写,总监理工程师(建设单位项目负责人)进行检查,并做出检查结论。
表A.O.1施工现场质量管理检查记录
开工日期:
| 工程名称 | 施工许可证(开工证) | ||||||
| 建设单位 | 项目负责人 | ||||||
| 设计单位 | i 项目负责人 - | ||||||
| 监理单位 | 总监理工程M | ||||||
| 施工单位 | 项目经理 | ~项目技术负责人- | |||||
| 序号 | 项 目________ | _______内 容_______ | |||||
| -1 | 现场质址管理制度 | ||||||
| —2~ | 质量责任制 | ||||||
| -3 | 主要专业工种操作上岗证书 ;一 | ||||||
| 4 | 分包方资质与对分包单位的管理制虚一 | ||||||
| 5 | 施工图审查情况 | ||||||
| 6 | 一施士組织设甘、施工方案及审批 | ||||||
| ~7- | 施工技术标?⅛ - | ||||||
| ~8— | 工程质出检验制度~ | ||||||
| S | 施工安全技术措施 | ||||||
| IO | 设备,材料进场检验记录:存放与管通 | ||||||
| -U- | 检测设备.计址仪袤检股 | ||||||
| —12— | 开工报告 | ||||||
| ~13~' | |||||||
| 检查结论: 总监理工程师 (建设单位项目负责人) ^ 年 月日 | |||||||
• 28・
附录B外部防雷装置和等电位连接 导体的材料、规格
B.1接闪杆(线、带)和引下线的材料.规格
B.1.1接闪线(带)、接闪杆和引下线的材料、结构和最小截面面 积应符合表B. Ll的规定。
表B. 1.1接闪线(带)、接闪杆和引下线的材料、结构和最小截面面积
| 材料 | 5S | i⅛小薇面面积(mmD | ⅛ ⅛ | 
| 銅 | 单根扁铜 | 50① | 厚度2τnm | 
| 单根/铜 | 50① | 直径8mm | |
| 铜绞线 | ' 50® | 每股线直径L 7mm | |
| 单根圆庙 | 17? | 直径15mm | |
| 镀锡铜 | 单根扁単 | 50① | 厚度2mm | 
| ~单根圆単 | 50① | 直径8 mm | |
| 铜绞线 | 50① | 每股线直径L 7mm | |
| 铝 | 单根扁铝 | 70 | 厚度3mm | 
| 单根圆铝 | 50Φ | 直径8mτn | |
| 铝绞线 | 50① | 每股线直径L 7mm | |
| 铝合金 | 单根扁形导体 | 50Φ | 厚度2.5mm | 
| 单根圆形导体 | 50 | 直径8mm | |
| Si | 50① | 每股线直径L 7mm | |
| 单根倒形导体 | 176 | 直径15mm | |
| ~~表面镀铜的 单根圆形导体 | 50 | 径向镀铜厚度至少250μmJ . 铜纯度99.9% | |
| 热浸 镀锌钢 | 单根扁钢 | 50① | 厚度2∙ 5mm | 
| 单根圆钢 | 50 | 直径8mm | |
| 绞线 | 50φ | 每股线直径1.7mm | |
| 单根圆钢 | 176 | 直径15mm | 
• 29 •
标准分享网WWW. bzfxw. com免费下载
续表B.L1
| 材料 | 结 构 | 最小截面面积(mm/ | 备 注 | 
| 不锈钢 | 单褪扁钢 | 50① | 厚度2mm | 
| 单根圆钢 | 5C | 直径8mm | |
| 病 | — | 每股线直轻L 7mm | |
| 单畢圆钢一" | 176 | 直径15mm | |
| 钢 | 表面镀铜的单根圆钢 | 50 | 径向镀铜厚度至少25Oμmt 铜纯度99. 9% | 
注J热浸或电镀锡的锯层最小厚度为lμm ;
2热没镀锌钢的镀锌层宜光滑连贯、无焊剂斑点•皱锦层至小圆钢镀层厚度 22. ?g/mi ,扁钢镀层厚32.4g/m、
3单根圆铜、单根圆形导体铝合金、单根圆钢热浸镀锌钢,单根圆钢不锈钢仅 应用于接闪杆.当应用于机械应力没达到临界值之处•可采用直役IOmm, 最长Im的接闪杆,并应固定牢固:
4単根圆铜,单根圆钢热浸镀锌钢、单根Isl钢不镑钢仅应用于人地之处F
S不锈钢中格大于等于16%,锦大于等于8%,碳小于等于0.07% ;
6对埋于混凝土中以及与可燃材料直接接触的不锈钢,当为单根圆钢时最小 尺寸宜增大至直径IOnlm ,截面面积78mm3当为单根扁量时.最小厚度宜 为3mm,截面面积75mm%
7在机械强度无重耍要求之处,截面面积50mm«直径8mm)可减为搬面面 积28mm«直径6mm).当使用截面面积28mm?(直径6mm)的单根圆铜作
L 为接闪器或引下线时,固定支架的间距应小于本规范表5. L 2规定的数值J
8避免在单位能盘10MJ/n下熔化的麻小截面面积为铜16mmJ体25mm∖ 钢 5O∏∏∏2、不锈钢 5Qmm∙ « « Il
9截面面积允许误差为-3%;、宀歹- F •
①当防雷装置安装位置具有爲溫或外来机械力的成胁时,截面面积50mN 的单根金属材料的尺寸应加大到截面面积60mm2的单根扁形材料或采 用直径8πnn的单根圆形材料IS
B∙L2利用金属屋面做第二类、第三类防雷建筑物的接闪器时, 接闪的金属屋面的材料和规格应符合下列规定:
1金属板下无易燃物品时,应符合下列规定:
1)铅板厚度大于等于2mm。 -
2)钢、钛、铜板厚度大于等于O. 5mm。
3)铝板厚度大于等于O. 65mm.
4)锌板厚度大于等于O. 7mmβ
2金属板下有易燃物品时,应符合下列规定:
1)钢、钛板厚度大于等于4mme
2)铜板厚度大于等于5mm9
3)铝板厚度大于等于7mmβ
3使用单层彩钢板为屋面接闪器时,其厚度应分别符合本条 第1款和第2款的要求;使用双层夹保温材料的彩钢板,且保温材 料为非阻燃材料和(或)彩钢板下无阻隔材料时,不宜在有易燃物 品的场所使用。
B.2接地体和等电位连接导体的材料、规格
B. 2.1接地体的材料、结构和最小尺寸要求应符合表R 2.1的规定。
表B.2.1接地体的材料、结构和最小尺寸
| 材料 | 结构 | 最小尺寸 | 备 注 | ||
| 垂直接地体 最小直径 (mm) | 水平接地体 最小截面 面积或 直径 | 接地板 量小尺寸 (mm) | |||
| 銅 | 铜绞线 | — | 5 Omniz | — | 每股直径1. 7mm | 
| 単根圆铜 | — | 50mm2 | L | 直役8mm | |
| 单根扁桐 | '— | 50mm2 | 一 | 厚度2mm | |
| 单根圆桐 | 15 | — | — | 一 | |
| 铜管 | 20 | — | — | 壁厚2mm | |
| 整块铜板 | — | — | 500X500 | 厚度2∏m∏ | |
| 网络铜板 | — | — | 600X600 | 各网格边戳面25mmX2mm, 网格网边总长度不少于4 8m | |
| 钢 | 热镀锌圆钢 | 14 | 78mm2 | —- | — | 
| 热镀锌钢管 | 20 | — | —* | 壁厚2mm | |
| 热镀锌扁钢 | 90mm? | — | 厚度3mm | ||
| 热镀锌钢板 | — | 一 | 500X500 | 厚度3 mm | |
| 热镀锌网格钢板 | — | 一 | 600X600 | 各网格边截面30mmX3m∏υ 网格网边总长度不少于4.8m | |
• 31 •
标准分享网WWW. bzfxw. com免费下载
续表B・2.1
| 材料 | 结构 | 触小尺寸 | 备 注 | ||
| 垂直接地体 最小直径 (mm) | 水平接地体 最小減面 面积或 直径 | 接地板 破小尺寸 《mm〉 | |||
| 钢 | 镀铜圆钢 | 14 | — | ■— | 径向镀铜层至少250Hn1, 铜纯度99.9 % | 
| 裸圆钢 | 14 | 78mm2 | — | -— | |
| 裸腐钢或热镀 锌扁钢 | 一 | 90mmZ | — | 厚度3mm | |
| 热镀锌钢绞线 | — | 70mm2 | — | 每股直径L 7mm | |
| 热镀锌角钢 | 50X50X3 | -— | |||
| 皱钢画钢 | 50mmz | 径向镀铜层至少250r∏i, 铜纯度99.9 % | |||
| 不锈 钢 | 圆形导体 | 16 | 78mπ? | — | — | 
| 扁形导体 | — | 100mm* | 厚度2mm | ||
注J /锌层应光滑连贯,无焊剂斑点,镀锌层至小圆钢镀层厚度22∙7g/mL扁 钢镀层厚度32. 4g∕mi r
2热镀锌之前螺纹应先加工好,
3桐紋线.单根圆铜、单根扁铜也可采用镀铀J
4铜应与钢结合良好I
5棵圆钢、裸扁钢和钢绞线作为接地体时,只相在完全埋在混凝土中时才允 许采用I
6裸扁钢或热镀锌扁钢,热镀锌钢绞线,只适用于与建筑物内的钢筋或钢结 •构每隔5m的连接,
7不锈钢中将大于等于16%,镣大于等于5%,铝大于等于2%,碳小于等于 0.08% ,
8截面面积允许误差为一3%;
9不同截面的型钢,其截面不小于29Omm2,最小厚度为3mm.如可用50mm .×50mmX3τn的角钢作垂直接地体.
• 32 •
B∙2∙2防雷装置各连接部件的最小截面面积应符合表B.2.2的 规定.
表B.2.2防雷装置各连接部件的最小截面面积
| 等电位连接部件 | 材料 | 截面面积 (mm*) | ||
| 等电位连接带(铜或热镀锌钢) | 铜、铁 | 50 | ||
| 从等电位连接带至接地装置或至其他 等电位连接带的连接导体 | 铜 | 16 | ||
| 铝 | 25 | |||
| 铁 | 50 | |||
| 从屋内金属装置至等电位连接带的连接导体 | 铜 | 6 | ||
| 铝 | 10 | |||
| -铁一 | 16 | |||
| 连接 SPD 的导体 | 电气系统 | I级试验的SPD | 铜 | 6 | 
| η级试验的SPD | 2.5 | |||
| In级试验的SPD | 1.5 | |||
| 电子系统 | Dl 类 SPD | L2 | ||
| -~~ 其他类的SPD 、连接导体的截面面积可小于L 2mmD | 根据具体 情况确定 | |||
注:连接单台或多台I级分类试验或Dl类SPD的单根导体的鼓小截面面积的计 算方法.应符合现行国家标推《建筑物防雷设计规范》GB 5005 7-2010中第 5. L 2条的规定。 i
■ 33 •
标准分享网WWW. bzfxw. com免费下载
附录C电涌保护器分类和应提供的信息要求
C 0.1低压配电系统的SPD分类应符合表C. 0.1的要求Q
表C.0.1低压配电系统的SPD分类
 
| 大类序号 | I分类方式 | :h类序号 | 具体分类 | |
| 1 | 按有无串联附加阻抗 | 1 2 | 无串阻抗(单口) 串联咀抗(双口) | |
| 2 | 按电路设计拓扑 | 3 4 5 | 电压开关型 - 电压限耦型 _______组合型_______ | |
| 3 | 按冲击试验类型 | 6 7 8 | I级分类试脸匕",即回 II级分类试验ImX ,即回 DI级分类试验Uoc,即画 | |
| 4 | 按可触及性 | 9 10 | 易触及型 " ____不易触及型______ | |
| 5 | 按安装方式 | 11 12 | 固定式 _______可移式_______ | |
| 6 | 安装位置 | 13 14 15 | 安在SPD内部 安在SPD外部 _______内、外部均有_______ | |
| 保护功能 | 16 17 18 | 有防过热功能 有防泄漏电流功能 有防过电流功能 | ||
| 7 | 后备过电流保护 | 19 ' 20 | 有具体规定的 _____无具体规定的_____ | |
| 8 | 外壳保护等级 | 21 21 + 1 21 + 2 21+n | 按】P代码规定划分 | |
| 9 | 温度范BI | 22 23 | 工作在正常温度范围 工作在异常温度范別 | |
• 34 •
C 0.2电信、信号网络的SPD分类应符合表C∙ O. 2T和C. 0. 2-2 的要求。
表C0.2-1电信.信号网络的SPD分类
| 大类序号 | 分类方式 | 小类序号 | 具体分类 | 
| 1 | 有.无限流元件 | 1 2 | 无限流元件 有限流元件 | 
| 2 | 按冲击试验分类 | 3 4 5 6 | A类,见表C0.2・2 B类:见表C. 0.2-2 C类I见表C 0.2-2 D类:见表CS 2-2 | 
| 3 | 按过载故障模式 | 7 8 9 | 模式1 模式2 模式3 | 
| 4 | 按使用地点分类 | 10 11 | 户外型 户内型 | 
| 5 | 按线路对数 | 12 13 | 一对线的 M M 一对线以上的 | 
| 6 | 按限流器件的 可复位性能 | 14 IS 16 | 非复位的 可复位的 自动复位的 | 
| 7 | 温度范围 | 17 18 | 工作在正常油度范围 工作在异常温度范围 | 
| 8 | 外壳保护等级 | 19 19+1 19+打 | 按IP代码规定划分 | 
■ 35 *
标准分享网WWW. bzfxw. com免费下载
表C. 0.2-2 SPD按实验方法分类
| MSF | 试险类型 | 开路电压 | 短路电流 | 
| Al | 很慢的上升速率 | 注IkV O. lkV∕μs 〜IoOkV/合 | 10A,Q∙ 1A/妙〜2A/開 '1000时(持续时间) | 
| A2 | AC | 按《低压电涌保护器 第21部分,电信和值号网络的 电涌保护器(SPD)--性能要求和试验方法》 GB/T 18802.21-2004中表5的规定实验 | |
| Bl | 慢的上升速率 | lkVJ0∕1000μs | IOOAJO/1000*5 | 
| B2 | IkV〜4kV, 20/700HS | 25A—100A∣5∕300μs | |
| B3 | ≥lkVτ100V∕μs | IOA-IOOAs 10∕1000μs | |
| Cl | 快的上升速率 | 0∙5kV 〜VIkV,L 2∕5Oμs | O.25kA-<lkA,8∕2Oμs | 
| C2 | 2kV~10kV∙l∙2∕50χs | IkA~5kA,8∕20ptt | |
| C3 | 》IkV. IkV/妙 | 10A-100A>10∕1000μs | |
| Dl | 高能量 | NlkV | 0.5kA-2t5kA,10∕350μs | 
| D2 | NIkV | 0.6kA 〜2,0kA,10∕250χs | |
C.0.3 SPD生产厂应在其产品标志、铭牌或使用说明书上提供
下列信息:
1生产厂名、商标及型号。
2是否串有阻抗(双口或单口).
3安装方法。
4最大持续运行电压Uc(每一种保护模式一个值)。
5低压配电系统的SPD生产厂应说明产品属于下列的何种 试验类别:
1)1级分类试验加P,即回.
2) II级分类试验工Ζ,即画。
3)皿级分类试验Uoc,即回。
6电信和信号网络中的SPD生产厂应说明产品属于下列的 何种试验类别:
I)AI 〜A2。
• 36 •
2)B1 〜B3。
3)Cl 〜C3。
4)D1 〜D2。
7 I级分类及∏级分类试验预处理中的标称放电电流值,每 一种保护模式应为一个值。
8电压保护水平,每一种保护模式应为一个值。
9额定负载电流左。
10外壳保护等级(当IP>20时,
11承受短路电流0
12后备过电流保护推荐的最大额定值。
13脱离器动作指示。
14具有特殊用途产品的安装位置。
15接线端的标志。
16连接、机械尺寸、导线长度等安装指南。
17电网供电类型.
18 I级分类试验中比能量。
19温度范围。
20额定断开续流值(除限压型SPD外)。
F 21推荐使用外部断路器的指标。
22残流。 0
23暂时过电压耐受特性。
24冲击复位时间。
25交流耐受能力。
26过载故障模式。
27传输速率、插人损耗、驻波比、带宽等传输特性。
28工作频段。
29接口型式A
30串联电阻。 ^
C.0.4随产品提供的技术文件,应包括下列内容: .
• 37 •
标准分享网WWW. bzfxw. com免费下载
1包装清单.
2产品出厂合格证明书。
3安装、使用说明书。
4法定检验机构型式试验报告。
∕vww.αoci∩.coι
• 38 •
附录D安装图
D. 0∙ 1接地装置安装见图D. O∙ 1-1〜图D.O. IT.
 
 
⑥墙上的测试接头
(b)地面的测试接头
图D. 0.1-1在建筑物地面处连接板(测试点)的安装
1一墙上的测试点;2一土壤中抗腐蚀的T形接头:
3一土壤中抗腐蚀的接头:4一钢梁与接地线的接点
 
• 39 •
标准分享网WWW. bzfxw. com免费下载
 
(a)接地极位于沥青防水层下 无钢筋的混凝土中
(b)部分接地导体穿过土鬻
川W、
 
(C)穿过沥青防水层将基础接地极 与接地排相连的连接导体
图D0.1-2地基防水层外接地极连接安装
1—引下线:2一测试接头}3一与内部LPS相连的等电位连接导体;
4-无钢筋的混凝土: 5一LPS的连接导体S 6一基础接地极I
7一沥青防水层:8一测试接头与钢筋的连接导体;
9 一混凝土中的钢筋第10一穿过沥青防水层的防水套管
♦ 40 •
 
图D.0∙l-3 A型接地装置与接地线连接安装
1 一可延伸的接地体:2—接地体接合器;3一土壤: 4一接地线与接地体连接的夹具:5-接地线
D∙0∙2引下线安装见图d0.2-1〜图D.0.2-5。
 
图D0.2T 引下线安装中避免形成小环路的安装
L隔距5 ∕一计算隔距的长度
标准分享网WWW. bzfxw. com免费下载
 
图D.0∙2-2明敷引下线避免对人体闪络的安装
d一实际距醫应大于3+2.5;S-隔距,5=瓦gxm),其中議"第一类防雷建筑物 总m
取0.08,第二类防雷建筑物取0. 06,第三类防雷建筑物取a 04,用 :引下线为1根
时取1,引下线为2根时取0.66,引下线为3根或以上时取Q. 44,
A「绝缘介质为空气时取L绝缘介质为钢筋混凝土或藩瓦时取0. 5:
2一需考虑隔离的点到最近某电位连接点的长度
 
 
 
 
图D. 0.2-3引下线(接闪导线)在弯曲处焊接要求 I-钢筋12一焊接縫口
• 42 •
 
3
2
 
⑥钢筋与圆形导体卡接
(b)钢筋与带状导体卡接
图D.6 2-4钢筋与导体间的卡接施工
I-钢筋E 2-圆形导体S 3—螺栓;4-带状导体
 
图D.0.2-5使用屋面自然金属构件作LPS施工
1 一屋面女儿墙I 2一接头;3一可弯曲的接头手4-T形连接点:
5一接闪导体:6一穿过防水套管的引下线:7一钢筋梁:8一接头, α一接闪带固定支架的间距,取50Omm〜IoOOmm
D.0.3 接闪器安装见图RO. 3-1〜图D. 0.3-3。
・43 •
标准分享网WWW. bzfxw. com免费下载
 
图D.0∙3-l女儿墙上金属盖罩做自然接闪器时的跨接施工
I-耐腐蚀的接头F 2-可常曲导体;3一女儿墙上金属盖罩
 
 
⑶坡屋顶屋脊上接闪器及屋顶 引下线的安装
(b)与屋檐排水沟连接的 引下线的安装
图D∙0.3-2坡屋面接闪器与引下线的安装施工
Q一水平接闪导线支架的距离I取500πtm-IOOOmrn,
6一水平接闪导线的翘起高度,取100mm;
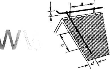
e一坡面接闪导线支架的距离,取50Omm〜IOoommJ
d-接闪懸与屋面边沿的距尚,尽可能比近屋面边沿;
尸引下线与建筑物转角处的距离,取300mm, g-引下线支架垣离,取IoODmm
• 44 •
・t
 
图D∙0∙3-3利用钢筋混凝土结构建筑外墙柱内钢筋 引下的外部防雷装置的施工
I一接闪杆(避雷针" 2一水平接闪导体/ 3一引下线:4-T形接头:
5-十字形接头]6一与钢筋的连接.7一测试接头I 8-B型接地装置,环形接地体上 9一有屋顶装置的平屋面:10一耐腐蚀的T形连接点
D. 0. 4 等电位连接安装见图D∙ 0. 4-1、图D. 0. 4-5。
• 45 ♦
标准分享网WWW. bzfxw. com免费下载
 
 
1
 
 
 
图D. O. 4-1钢筋混凝土建筑物等电位连接位置
1 一屋面配电设备. 2一犠梁:3—立面的金属覆盖物$ 4一等电位连接点J
5一电气设备或电子设备;6一等电位连接带3 7一混凝土中的钢筋(含网状导体" 8-基础接地极: 9-各种管线的公共入口
• 46 •
三
 
 
 
图D∙0.4-2钢筋混凝土墙内钢筋外接等电位连接预留件施工
i一等电位连接导体r 2-焊接在钢筋等电位连接线上的爆帽:
3-钢筋等电位连接线]4一非金属铸件等电位连接点I
5一铜等电位连接绞线:6-C形钢质安装带』7一焊接
 
图D.0.4-3屋面人户金属管与接闪导线连接施工
1-接闪导体支架i 2-金属管道,3一水平接闪导体;4一混凝土中钢筋
• 47 •
标准分享网WWW. bzfxw. com免费下载
N
 
图D.0.4-4活动地板下用薄铜带构成的高频信号基础网络
I-沛铜带(0∙25mmX100mmh 2一薄铜带与薄铜带之间的焊接连接;
3一薄铜带与立柱之间的焊接连接:4-薄钢带与等电位连接带之间的焊接连接;
5一设备的低阻抗等电位连接带,6—薄铜带与设备等电位连接带之间的焊接连接;
7一电源配电中心:8一电源配电中心的接地线『
9一露准网络与周囤建筑物钢柱《或钢筋混凝土柱上的预埋件)的焊接连接
 
图D. 0.4-5利用钢筋混凝土地面内焊接钢筋网做等电位连接基准网
1 一装有电子负荷设备的金風外壳:2-混凝土地面的上部$ 3-地面内焊接钢筋网F 4-高频等电位连接线,
5一电子负荷设备的金属外壳与等电位连接基准网的连接点
D∙0∙5 SPD在TNsTTJT系统中的安装见图.D. 0.5-1〜图 D. 0・ 5-5.
• 48 •
 
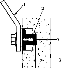
图D・O. 5-1 TN系统中的SPD
I-装置的电源*2一配电盘;3一总接地端或总接地连接带『 4一SPD: 5-SPD的接地连接,6一需要保护的设备扌 7-PE与N线的连接带;Fl-安装在电源进线端的剩余电流保护器, F*-保护SPD推荐的熔丝、断路器或剩余电流保护器:RA-本装置的接地电阻F RB-供电系统的接地电阻扌L1,l2,13一相线1.2、3
 
图D.0.5-2 TT系统中SPD安装在剩余电流保护器的负荷侧
I-装置的电源\ 2-配电盘]3一总接地端或总接地连接带;
4-SPDi 5-SPD的接地连接;
6一需要保护的段备;7一剩余电流保护器Lf
F]一安装在电源进线端的剩余电流保护器扌
"一保护SPD推荐的熔丝、断路福或剩余电流保护器I
Ra—本装置的接地电阻3 RB-供电系统的接地电阻:口丄2。3一相线1、2、3
• 49 •
标准分享网WWW. bzfxw. com免费下载
AF
 
图D,0∙5-3 TT系统中SPD安装在剩余电源保护器的电源侧
1 一装置的电源;2一配电盘扌3一总接地端或总接地连接带; 4-SPDf 5-SPD的接地连接I 6一需要保护的设备,
7一剩余电流保护播I△鼻8-SPD或放电间隙; Fl-安装在电源进线端的剩余电流保护SJh £一保护SPD推荐的熔丝、断路擺或剩余电流保护. Ra一本装置的接地电阻;RB-供电系统的接地电阻:L1∙L2.L3一相线1、2、3
2
ɔrvʌ
-≡-
 
 
 
 
 
图D∙0,5-4 IT系统SPD安装在剩余电流保护器的负荷侧
1 一装置的电源£2一配电盘:3一总接地端或总接地连接带; 4-SPD: 5-SPD的接地连接$ 6一需要保护的设备, 7一剩余电源保护器Iδ j K-安装在电源进线端的剩余电流保护器, FZ-保护SPD推荐的熔丝、断路器或剧余电流保护器.
RA-本装置的接地电咀I RB-供电系统的接地电阻F 14,以丄3一相线1、2.3
• 50 •
 
 
图D.O. 5-5在TN-C-S系统中I级,II级和田级试验的SPD的安装
1 一装置的电源I 2一配电盘;3一总接地端或总接域连接带, 4-SPDj 5-SPD的接地连接;6一需要保护的设备;7一PE与N线的连接带, Fl一安装在电源进线端的剩余电流保护器F
F2、為.艮一保护端:Ra一本装盘的接地电阻,、 Rlr-供电系统的接地电阻:L1,L2.L3一相线1,2,3
D.0∙6 SPD在电信、信号网络中的安装见图D. 0. 6-1和图 D. 0.6-2。
 
T^ (P)
图D 0. 6-1电子设备的信号⑴和低压配电输入(g) 的共模电压和差模电压的防护措施示例 (C)一SPD的连接点: (山一总等电位连接带(EBB)I 出一信息技术设备/电信端口:S)一电线接口 Nb)-信息技术线路/电信通信线/网络: ⑴一电信和信息网络上的SPDMa-直流配电线豁上的SPDf
(P)-接地连接导体I 8)一必要的连接I UM3一共模状况下电压保护水平;
UPB)一差模状况下电压保护水平,Xi,X2-SPD的接线端子:
Yi ,Yz-SPD保护侧的接线端子[
〈1)—限制共模电压的电涌防护元件:(2)-限制差模电压的电涌防护元件
标准分享网WWW. bzfxw. com免费下载
~xt SPDfn Iy _ _ ¾(Q Ite
g) (d) (P2)
图D.O.6-2减小对SPD电压保护水平影响的连接示例
(连接至电子设备的三个.五个或多个连接端口)
(O-SPD的共用连接终端;(d)一等电位连接带(EBB) s ⑴一信息技术设备/电信端口 ;⑴-电信和信号网络上的SPDl (P)一接地连接导体;《Pi,PZ)—接地导体;(q)一必要的连接; X, Y-SPD的接线端子,X为输入端,Y为输出端
D.0∙7安装两端连线应又短又直的SPD在电信、信号网络中的 图示见图D. 0. 7-1和图D. 0.7-2©
 
 
图DO. 7-1由SPD两端连线上电感导致的电压降ULl和U4 对电压保护水平UP影响的示例
LKL2一连接导体的电感:
UI ,Ul2-由电涌电流的dJp√dE感应出的电压降; XsXz-SPD的接线端子:小一部分雷电流3 UP⑴一有效电压保护水平;UPi电压保护水平
• 52 ♦
"t
 
图D.0.7-2 SPD安装在或靠近电气装置电源进线端的示例
6-SPD(电涌保护器)与等电位连接带之间的连接导线长度,不宜大于0.5∏u F-安装在电源进线端的剩余电流保护器:E/I一被保护的电子设备
D. 0.8 安装SPD与过电流保护参见图D 0.8-1〜图D 0.8-3o
 
图D.0.8T 优先重点保证供电连续性
PD-SPD的过电流保护器i E/I—被保护的电气装置或设备
—M—?..≡
 
图D. 0.8-2优先重点保证保护连续性
 
图D.0∙8-3供电连续性和保护连续性的结合
标准分享网WWW. bzfxw. com免费下载
附录E质量验收记录
E.0.1检验批的质量验收记录应由施工项目专业质量检查员填 写,并由监理工程师(建设单位项目专业技术负责人)组织项目专 业质量检查员进行验收。各分项工程应按表E. 0.1-1〜表E 0.1-7 记录。
表E.0.1-1接地装置分项工程质♦验收记录
| 工程名称 | 分项工程 名称 | 接地装置 安装 | 睑收部位 | ||||
| 施工单位 | 专业工长 | 项目经理 | |||||
| 施工执行标准 名称及编号 | |||||||
| 分包单位 | 分包项目经理 | 施工班组长 | |||||
| 质量验收规范的规定 (本规范相关条款) | 施工单位检查 评定记录 | 防雷检测 记衆 | 监理《建设) 单位睑收记录. | ||||
| 第4,1.1条第1款 | 连接板设置 | ||||||
| 第4.L1条第2款 | 接地电阻值 | ||||||
| 第4.1.1条第3款 | 防跨步电压 | ||||||
| 第4. Ll条第4款 | 安全距离 | ||||||
| 般 项 目 | 第4. 1. 2条第1款 | 埋设要求 | |||||
| 第4. L 2条第4款 | 焊接要求 | ||||||
| 第4.1,2条第5款 | 防损(腐) 措施 | ||||||
| 第1L2.1条 第2款第5项 | ~≡ 电阻值 | ||||||
| 施工单位 检查评定结果 | 项目专业质加检查员 ・ 年 月日 | ||||||
| 监理(建设) 单位验收结论 | 监理工程师 (建设单位项目专业技术负责人、 防雷技术服务机构项目负责人) _________________年 月日 | ||||||
* 54 *
表E.0.l-2引下线分项工程质,验收记录
| H程名称 | 分项工程 名称 | 引下线 安装 | 验收部位 | ||||
| 施工单位 | 专业工长 | 项目经理 | |||||
| —施工执行标准-名称及编号 | |||||||
| 分包单位 | 分包项目经理 | 施工班组长 | |||||
| 质量验收规范的规定 一(本规范相关条款) | 施工单位独査 评定记录 | 防雷检测 记录 | 监理(建设) 单位验收记录 | ||||
| 第工Ll条第1款 | 平均间距 | ||||||
| 第5. Ll条第2款 | 敷设状况 | ||||||
| 第5.1.1条第3款 | 安全措施 | ||||||
| 第5. Ll条第4缴 | 电气连接 | ||||||
| 第5. Ll条第5款 | 附着电气 线路 | ||||||
| 第5. Ll条第6款 | 防火间距 | ||||||
| 般 项 目 | 第5.L2条第1款 | 支架固定 | |||||
| 第5.1.2条第2款 | 预留刑试点 | ||||||
| 第5.L 2条第3款 | 焊接要求 | ||||||
| 第5.1. 2条第4款 | 防损措施 | ||||||
| 第5.1.2条第5款 | 防锈措施 | ||||||
| 第11.2.2条 第2款第4项 | 直流电阻值 | ||||||
| 施工单位 检查评定结果 | 项目专业质越检查员 年 月 日 | ||||||
| 监理(建设) 单位般收结论 | 监理工程师 (建设单位项目专业技术负责人、 防雷技术服务机构项目负责人) 年 月日 | ||||||
• 55 •
标准分享网WWW. bzfxw. com免费下载
表E.0.k3接闪器分项工程质量験收记录
| 工程名称 | 分项工程 名称 | 接闪器 安装 | 验收部位 | ||||
| 施工单位 | 专业工长 | 项目经理 | |||||
| 施工执行标准 名称及编号 | |||||||
| 分包单位 | 分包项目经理 | 施工班组长 | |||||
| 质近验收现范的规定 (本规范相关条款) | 施工单位检查 评定记录 | 防雷检测 记录 | 监理(建设) 单位验收记录 | ||||
| 第6.1, 1条第1款 | 电气连接 | ||||||
| 第6.Ll条第2款 | 布置要求 | ||||||
| 第6.Ll条第3款 | 喑败风险 | ||||||
| 第6. Ll条第4款 | 抗风能力 | ||||||
| 第6.Ll条第5款 | 附着电气 线路 | ||||||
| 般 項 目 | 第6.1. 2条第1款 | 自然接闪誓 | |||||
| 第6. L 2条第2款 | 安装状况 | ||||||
| 第6. L 2条第3款 | 焊接要求 | ||||||
| 第6.1.2条第4款 | 固定支架 | ||||||
| 第11.2.3条 第2款第1项 | 直流电阻值 | ||||||
| 施工单位 检査评定结果 | 项目专业质限检查员 年 月日 | ||||||
| 监理(建设) 单位验收结论 | 监理工程师 (建设单位项目专业技术负责人、 防雷技术服务机构项目负责人) 年 月日 | ||||||
• 56 •
表E.01-4等电位连接分项工程质量验收记录
| 工程名称 | 分项工程 名称 | 等电位连 接安装 | 验收部位 | ||||
| 施工单位 | 专业工长 | 项目经理 | |||||
| -"施工执行标准 名称及编号 | |||||||
| 分包单位 | 分包项目经理 | 施工班蛆长 | |||||
| 质母验收规范的规定 (本规范相关条款) | 施工单位检查 评定记录 | 防雷检测 记录 | 监理(建设) 单位验收记录 | ||||
| 第7. 1.1条第1款 | 金属管线 连接 | ||||||
| 第7.L 1条第2款 | 总等电位 连接 | ||||||
| 第7.1.1条第3款 | 跨接要求 | ||||||
| 第7.1.2条第1歌和 第11.2.4条第2款 | 电气连接和 有效性测试 | ||||||
| 第7.L 2条第2款 | 后续防雷 区连接 | ||||||
| 般 项 0 | 第7.?.2条第3款 | 机房M缴 S型连接 | |||||
| 第1L2.3条 第2款第1项 | 直流电阻值 | ||||||
| 施工单位 检查评定结果 | 项目专业质量检査员 | 年 | 月 日 | ||||
| 监理(建设) 单位验收结论 | 监理工程师 《建设单位项目专业技术负貴人、 防窗技术服务机构项目负货人) | 年 | 月 日 | ||||
・57 •
标准分享网WWW. bzfxw. com免费下载
表E∙Q∙1T屏蔽装置安装分项工程质・验收记录
| 工程名称 | 分项工程 名称 | 屏蔽装置 安装 | 验收部位 | ||||
| 施工单位 | 专业工长 | 项目经理 | |||||
| 施工执行标准~ 名称及编号 | |||||||
| 、分包单位 | 分包项目经理 | 施工班组长 | |||||
| 质量验收规范的规定 (本规范相关条款) | 施工单位检查 评定记录 | 防雷检测 记录 | 监理(建设) 单位验收记录 | ||||
| 第8∙L1条 第1款 | 格栅网格 尺寸 | ||||||
| 笫&L1条 第2款 | 屏蔽室 安装 | ||||||
| 第11.2.5条 第2款第1项 | 屏蔽效能 测试 | ||||||
| 般 項 S | 第8.1.2条 第1款 | 结构荷戮 | |||||
| 第8.1.2条 第2款 | 维修通道 预留 | ||||||
| 第11. 2.5条 第2款第2项 | 直流电阻值 | ||||||
| 施工单位 检查评定结果 | 项目专业质见检查员 年 月日 | ||||||
| 监理(建设) 单位验收结论 | 监理工程师 (建设单位项目专业技术负责人, 防留技术服务机构项目负责人) _____________________________年 月 日 | ||||||
• 58 •
表E∙0.1∙6综合布线分项工程质■验收记录
| 工程名称 | 分项工程 名称 | 综合布线 安装 | 验收部位 | ||||
| 施工单位 | 专业工长 | 项目经理 | |||||
| 施工执行标准 名称及编号 | |||||||
| 分包单位 | 分包项目经理 | 施工班组长 | |||||
| 质量验收规范的规定 (本规范相关条款) | 施工单位检查 评定记录 | 防雷检测 记录 | 监理(建设) 单位睑收记录 | ||||
| 第9. L 1条第1款 和第9. L 1条 第2款 | 穿管要求 | ||||||
| 第9.L 1条第3款 | 电线额定 电压值 | ||||||
| 般 项 目 | 第9.L 2条第2款 | 最小净距 | |||||
| 第9. L 2条第3款 | 电线色标 | ||||||
| 第1L2.6条. 第3歌 | 电气测试 | ||||||
| 施工单位 检查评定结果 | 项目专业质量检查员 年 月日 | ||||||
| 监理(建设) 单位验收結论 | 监理工程师 (建设单位项目专业技术负责人. 防雷技术服务机构项目负责人) 年 月日 | ||||||
• 59 •
标准分享网WWW. bzfxw. com免费下载
表E∙0.1・7 SPD分项工程质量验收记录
內
| 工程名称 | 分项工程 名称 | SPD安装 | 験收部位 | ||||
| 施工单位 | 专业工长 | 项目经理 | |||||
| 施工执行标准 名称及编号 | |||||||
| 分包单位 | 分包项目经理 | 施工班组长 | |||||
| 质址验收规范的规定 (本规范相关条款) | 施工单位检查 评定记录 | 防雷检测 记录 | 监理(建设) 单位验收记录 | ||||
| 第10.L1条 第1款 | 配电SPD 选择 | ||||||
| 第10.1.1条 第2款 | 信号SPF 选择 | ||||||
| 第10.】.1条 第4款 | 后备过 电流保护 | ||||||
| 般 項 目 | 第10. L 2条 第1款 | SPD2选择 (配电) | |||||
| 第Io・L 2条 第3款 | 能所配合 | ||||||
| 第1Q.L2条 第4款 | SPD2选择 (信号) | ||||||
| 第Ia L 2条 第6款 | SPD两端 连线 | ||||||
| 施工单位 检查评定结果 | 项目专业质量检查员 | ||||||
| 监理(建设) •单位验收结论 | 监理工程师 (建设单位项目专业技术血责人, 防雷技术服务机构项目负责人) ______________________________年 月 日 | ||||||
• 60 •
E∙0.2防雷工程(子分部)工程质量应由施工项目专业检查员填 写,并由总监理工程师(建设单位项目专业负责人)组织相关部门 负责人进行验收,同时应按表E. 0. 2记录,
表&加2防雷工程(子分部工程)验收记录
| 工程名称 | 结构类型 | 层数 | ||||||
| 施工单位 | 技术部门负责人 | 质竟部门负责人 | ||||||
| 分包单位 | 分包单位负责人 | 分包技术负贵人 | ||||||
| 序号 | 分项工程名称 | 检验批数 | 施工单位检查蔵见 | 验收意见 | ||||
| 1 | 接地装置安装 | |||||||
| 2 | 引下线安装 | |||||||
| 3 | 接闪播安装 | |||||||
| 4 | 等电位连接安装 | |||||||
| 5 | 屛跋装置安装 | |||||||
| 6 | 综合布线安装 | |||||||
| 7 | SPD安装 | |||||||
| 质母控制资料 | ||||||||
| 安全和功能检验 ‹检测)报告 | ||||||||
| 观感质fit脸收 | ||||||||
| 分包单位 | 项目经理 年 月日 | |||||||
| 施工单位 | 项目经理 年 月日 | |||||||
| 一勘察单位 | 项目负责人 年 月日 | |||||||
| 设计单位 | ____________项目负责人 年 月日 | |||||||
| 防雷主管单位 | ____________项目负责人 年 月日 | |||||||
| 监理(建设)单位 | 总监理工程师 (建设单位项目专业技术负责人) 年 月日 | |||||||
• 61 •
标准分享网WWW. bzfxw. com免费下载
本规范用词说明
1为便于在执行本规范条文时区别对待,对要求严格程度不 同的用词说明如下:
1)表示很严格,非这样做不可的:
正面词采用"必须",反面词采用"严禁";
2)表示严格,在正常情况下均应这样做的: 正面词采用"应",反面词采用"不应"或"不得";
3)表示允许稍有选择,在条件许可时首先应这样做的i 正面词采用"宜",反面词采用"不宜”;
4)表示有选择,在一定条件下可以这样做的,采用"可"。
2条文中指明应按其他有关标准执行的写法为:"应符合 ……的规定”或"应按……执行"。
NWwO
• 62 •
引用标准名录
《电磁屏蔽室屏蔽效能的测量方法》GB/T 12190
《建筑物电气装置 第5-53部分:电气设备的选择和安装 隔离、 开关和控制设备 第534节:过电压保护电器》GB 16895. 22
《低压配电系统的电涌保护器(SPD)第12部分:选择和使用导 则》GB/T 18802.12
《低压电涌保护器 第21部分:电信和信号网络的电涌保护器 (SPD)—性能要求和试验方法》GB/T 18802. 21
《低压电涌保护器 第22部分:电信和信号网络的电涌保护器
(SPD)选择和使用导则》GB/T 18802. 22
《建筑物防雷装置检测技术规范》GB/T 21431 .
《雷电防护 第3部分:建筑物的物理损坏和生命危险》GB/T 21714.3
-.《建筑物防雷设计规范》GB 50057
《电气装置安装工程接地装置施工及验收规范》GB 50169
《混凝土结构工程施工质量验收规范》GB 50204
《建筑工程施工质量验收统一标准》GB 50300
《综合布线系统工程验收规范》GB 50312
《电子信息系统机房施工及验收规范》GB 50462
《混凝土中钢筋检测技术规程》JGJ/T 152
■ 63 •
标准分享网WWW. bzfxw. com免费下载'
中华人民共和国国家标准
建筑物防雷工程施工与质量验收规范
GB 50601-2010
条文说明
Mck 丿
制定说明
《建筑物防雷工程施工与质量验收规范》GB 50601-2010,经 住房和城乡建设部2010年7月15日以第664号公告批准发布。
为便于广大设计、施工和生产单位有关人员在使用本规范时 能正确理解和执行条文规定,《建筑物防雷工程施工与质量验收规 范》编制组按章、节、条顺序编制了本规范的条文说明,对条文规定 的目的、依据以及执行中需注意的有关事项进行了说明。但是本 条文说明不具备与标准正文同等的法律效力,仅供使用者作为理 解和把握标准规定的参考。
CJ
♦ 67 •
标准分享网WWW. bzfxw. com免费下载
目 次
2术 语.........................................................(71)
3基本规定.........................................................(72)
3.1施H现场质量管理 ................... (72)
3. 2施工质量控制要求..................... (72)
4接地装置分项工程 .............................................(73)
V *
4.1接地装置安装...................................................(73)
5引下线分项工程................................................(75)
5.1引下线安装 ...................................................(75)
6接闪器分项工程 ............................................... (76)
6.1接闪器安装 ...................................................(76)
7等电位连接分项工程 ..........................................(77)
7.1等电位连接安裝…-....................................... 《77)
8屏蔽分项工程,•……,……•……,…*气:..................(78)
8.1屏蔽装置安装-……............................... (78)
8.2屏蔽装置安装工序 .........................…(78)
9综合布线分项工程.............................................(79)
9.1综合布线安装...................................................<79)
10电涌保护器分项工程 ..........................................(81)
mi电涌保护器安装 .............................................-.........(81)
10.2电涌保护器安装工序..........................................(81)
11工程质量验收...................................................(82)
IL 2防雷工程中各分项工程的检验批划分和检测要求 .........(82)
* 69 •
2术 语.
2.0.8过电流保护主要安装在电涌保护器前端,其作用是在电涌 保护器损坏时呈短路状态或电涌保护器不能切断雷电流流过后的 工频续流时,能将电涌保护器与被保护线路断开,防止发生燃烧等 事故。见《低压配电系统的电涌保护器(SPD)第12部分:选择 和使用导则》GB/T 18802. 12—2006/IEC 61643—12 : 2002 中定 义3. 38,定义3.16对电涌保护器的脱离器作了说明。
2.0.9内部系统见《雷电防护 第4部分:建筑物内电气和电子 系统》GB/T 21714. 4—2008/IEC 62305—4 * 2006 中定义 3. 3,其 定义仅适用于防雷标准。.
2.0.12检验批又称施工单元。
 
• 71・
标准分享网WWW. bzfxw. com免费下载
3基本规定
3.1施工现场质置管理
3.1.2 本条文参照《建筑工程施工.质量验收统一标准》GB 50300—2001中第3. 0. 2条和第3. 0. 3条制定。
3.2施工质量控制要求
3.2.3本条为强制性条文。承力建筑钢结构构件(含构件内的钢 筋)采用焊接连接时可能会降低建筑物结构的负荷能力。《建筑物 防雷设计规范》GB 50057-2010第4. 3. 5条条文说明认为"在交 叉点采用金属绑线绑扎在一起……建筑物具有许许多多钢筋和连 接点,它们保证将全部雷电流经过许多次再分流流入大量的并联 放电路径",因此,绑扎可以保证雷电流的泄放。《建筑电气工程施 工质量验收规范》GB 50303-2002中第3. 1. 2条要求"除设计要 T求外,承力建筑钢结构构造上,不得采用熔焊连接……;且严禁热
加工开孔
• 72 •
4接地装置分项工程
4.1接地装置安装
4.1.1现行国家标准《建筑物防雷设计规范》GB 50057规定当建 筑物采用共用接地装置时,"共用接地装置的接地电阻应按50Hz 电气装置的接地电阻确定,以不大于其按人身安全所确定的接地 电阻值为准。这是由于共地的防雷接地、屏蔽体接地和防静电接 地所要求的电阻值都不是很小(低值),ITE设备的逻辑地有S形 和M形要求,而无低接地电阻值要求,因此突出了低压电气设备 保护接地要求。其要求见现行国家标准《低压配电设计规范》GB 50054-95第四章第四节"接地故障保护"中的相关规定。
为防止跨步电压危险,可采用本规范提供的三种方法中的一 种。
4.1.2当接地装置仅用于防雷保护时,有时因当地土壤电阻率较 高,为达到设计的接地电阻(如10口或30Q)要求,可能需要较大 的花费且尚难以达到设计要求。按现行国家标准《建筑物防雷设 计规范》GB 50057和《雷电防护 第3部分:建筑物的物理损坏和 生命危险》GB/T 21714. 3-2008中的规定,可采取加长A型接地 装置接地极的长度或B型接地装置包围或覆盗的面积,以使防雷 接地电阻值可不计及。对第一类防雷建筑物:当土壤电阻率不大 于5OO∩ ∙ m时,A型接地装置的接地极的长度不应小于5m;B型 接地装置的等效半径不应小于5m即符合要求。当土壤电阻率大 于500∩ ∙ m至3000∩ ・ m时,A型接地装置的接地极长度不应小 于(IlP-3600)/380; B型接地装置的等效半径不应小于(Ilp-3600)/380即符合要求。对第二类防雷建筑物:当土壤电阻率不 大于8000 ∙ m时,A型接地装置的接地极的长度不应小于5m;B
• 73 •
标准分享网WWW. bzfxw. com免费下载
型接地装置的等效半径应不小于5m即符合要求。当土壤电阻率 大于800Ω-m至300OR ・ m时,A型接地装置的接地极长度不应 小于(p-550)/50;B型接地装置的等效半径不应小于(p-550)/ 50即符合要求。对第三类防雷建筑物:A型接地装置的接地极的 长度不应小于5m;B型接地装置的等效半径不应小于5m或环形 接地包围(覆盖)的面积不小于79π√即符合要求。采用上述施工 工艺的最大优点是节约和方便施工。
在《雷电防护 第3部分:建筑物的物理损坏和生命危险》 GB/T 1714. 3-2008第5. 4节中对A型接地装置的说明是:".包 括安装在受保护建筑物外,且与引下线相连的水平接地极与垂直 接地极工B型接地装置"可以是位于建筑物外面且总长度至少 80%与土壤接触的环形导体或基础接地体。接地体可以是网状”。 可以看出两者的主要区别在于是否呈闭合状。A型接地装置大多 为人工水平接地极与垂直接地极,也并不排除利用埋地水管的自 然接地极,尽管这种情况是较少的。
yVWW.QOCiΠ.COIT
• 74 •
5引下线分项工程
 
5.1引下线安装
S. 1.1本条第3款因引下线明敷可能会因接触电压时,旁侧闪络 电压造成人员伤亡,因此定为强制性条款。
本条第6款的要求引自现行国家标准《电气装置安装工程 接地装置施工及髓收规范》GB 50169-2006中第3. 5. 3条,为强 制性条款。
在现行国家标准《雷电防护 第3部分:建筑物的物理损坏和 生命危险》GB/T 21714. 3—2008中第D. 5.1条中要求"如果条件 允许,外部LPS的所有部件(接闪器和引下线)至少应远离危险区 域1m。如果条件不允许,距危险区0. 5m区域内经过的导线应连 续,应进行牢固焊接或压接”。此处危险区域指爆炸和火灾危险场 所,对第一类防雷建筑物,当建筑物太高或其他原因难以装设独立 接闪器时,可按现行国家标准《建筑物防雷设计规范》GB 50057的 规定在建筑物上架设接闪网或网和针的混合LPS。此时LPS的 所有导线应电气贯通,防止产生危险的电火花,这种情况下可不受 lɪn的限制。
5.1.2本条第5款的目的是防止引下线在潮湿环境中锈蚀。
本条第6款的目的是防止相邻导体之间闪络,这种闪络会破, 坏引下线、接闪器,并对人身造成伤害,见本规范图D. 0. 2-1和图 D. 0.2-2所示。具体计算方法见现行国家标准《雷电防护 第3 部分:建筑物的物理损坏和生命危险》GB/T 21714. 3-2008中第 6. 3节的规定。
■ 75 •
标准分享网WWW. bzfxw. com免费下载
6接闪器分项工程
6.1接闪器安装
6.1.1本条第1款要求大尺寸金属物的等电位连接。在现行国 家标准《建筑电气工程施工质量验收规范》GB 50303—2002第 26.1.1条中列为主控项目,在现行国家标准《建筑物防雷设计规 范》GB 50057中也有相关要求,为强制性条款。
本条第3款主要是考虑到如采用暗敷,雷击时可能将接闪器 外边的砖、石、水泥块击掉而会坠落到地面发生事故。多层建筑物 如建在人员稠密的区域时,也不宜采用暗敷方法。
ΓLCOI
• 76 •
7等电位连接分项工程
7.1等电位连接安装
7.1.2本条第3款按现行国家标准《建筑物防雷设计规范》GB 50057和《雷电防护 第4部分:建筑物内电气和电子系统》GB/T 21714.4中的要求,规定了电子系统的工作频率在300kHz以下 时采用星形(S型)等电位连接结构和电子系统的工作频率为兆赫 (MHZ)级时采用网状(M型)等电位连接结构,这是对现行国家标 准《电子信息系统机房施工及验收规范》GB 50462的补充。关于 S型和M型的具体做法见现行国家标准《建筑物防雷设计规范》 GB 50057-2010中第6. 3. 4条的规定。.需要说明的是:当信息技 术设备(ITE)机房面积较大而信息技术设备占用面积并不是很大 时,M理网格可仅仅敷设在信息技术设备(ITE)设备的地板下.。 具体做法参见本规范图D.0,4-4和图D. 0.4-5。
本条第4款建议参考《等电位联结安装》O2D5O1-2的图示做 各LPZ界面处的等电位连接.需要注意的是:在建筑物入口处凡 是做了阴极保护的可燃气(液)体管道,需插一段绝缘段或绝缘法 兰盘后,管道才允许与建筑物进行等电位连接,在绝缘段(或法兰 盘)两端应跨接防爆型放电间隙,具体要求见现行国家标准《建筑 物防雷设计规范》GB 50057-2010中第4. 2. 4条的规定.
标准分享网WWW. bzfxw. com免费下载
8屏蔽分项工程
8.1屏蔽装置安装
8.1.1防雷屏蔽工程区别于现行国家标准《电子信息系统机房施 工及验收规范》GB 50462-2008中的第12章"电磁屏蔽"的内容 是:现行国家标准《电子信息系统机房施工及验收规范》GB 50462-2008仅对屏蔽壳体、屏蔽门、各类滤波器、截止通风波导 窗、屏蔽玻璃窗、信号接口板的专用屏蔽体做了要求,而防雷工程 首先利用了钢筋混凝土结构建筑物内的钢筋进行格栅形大空间屏 蔽,并规定了当雷电直接击中LPZOa区的格栅形大空间屏蔽或与 其连接的接闪器的情况下,通过格栅形大空间屏蔽对雷击磁场的 衰减后的磁场强度%并用M与电子系统ITE设备额定耐受磁 场强度值(对首次雷击而言,该值分为1000A/m.300A/m和 100A∕m三个等级)相比较,只有在HI大于ITE额定耐受磁场强 度值时,才考虑进一步的屏蔽措施。
8.2屏蔽装置安装工序
8.2.1当建筑物位于底层时,地面可不再敷设屏蔽网。同样,当 ITE机房的顶和地板内有符合屏蔽要求的金属网格时,可仅在四 壁敷设格栅形大空间屏蔽网格。
• 78 •
9综合布线分项工程
9.1線合布线安装
9.1.1在现行国家标准《建筑电气工程施工质量验收规范》GB 5030 3-2002第15章"电线、电缆穿管和线槽敷线"的"15.1主 控项目"中规定如下:
15.1.1三相或单项的交流单芯电缆,不得单独穿于同一导 管内。
15. 1.2同一交流回路的电线应穿于同一金属导管内,且管 内电线不得有接头。
15.1.3爆炸危险环境照明线路的电线和电缆额定电压不得 低于750V,且电线必须穿于钢导管内。
其中第15.1.1条为强制性条文。
现行国家标准《爆炸和火灾危险环境电力装置设计规范》GB 50058-92与现行国家标准《建筑电气工程施工质量验收规范》 GB 50303—2002 的区别是:
第2. S. 8条第五款规定"在爆炸性气体环境内,低压电力、照 明线路用的绝缘导线和电缆的额定电压,必须不低于工作电压,且 不低于500V"。
第2.5.10条规定“在1区内电缆线路严禁有中间接头,在2 区内不应有中间接头"。
在《建筑物电气装置第5部分:电气设备的选择和安装第 52 章:布线系统》GB 16895. 6—2006/IEC 60364-5-52 : 1993 中 "52L 6管道和槽盒系统"中规定"假如所有导体的绝缘均能耐受 可能出现的最高标称电压,则允许在同一管道或槽盒内敷设多个 回路工 但是并未给出"可能出现的最高标称电压”值。
• 79 •
标准分学网WWW. bzfxw. com免费下载
鉴于以上分析,本规范仍遵从现行国家标准《建筑电气工程施 工质量验收规范》GB 50303的规定,并说明如上,
9. L 2综合布线施工必须符合现行国家标准《综合布线系统工程 验收规范》GB 50312中安全距离的要求。在《低压电气装置第 4-44部分:安全防护--电压骚扰和电磁骚扰防护》IEC 60364-4-44 : 2007中尚有如下规定:.
"444. 6.1 一般规则
共用同一电缆管理系统和相同路由的信息技术电缆和电力电 缆应根据以下各款要求进行安装J
应实施根据《建筑物电气装置 第6-61部分:检验--初检》 IEC 60364-6-61和《低压电气装置 第5-52部分:电气设备的选 择和安装 布线系统》IEC 60364-5-52 : 2009的第528. 1条的电 气安全校验和电气隔离,见《低压电气装置 第4-44部分:安全防 护——电压骚扰和电磁骚扰防护》IEC 60364-4-44 : 2007第413 节和(或)第444. 7. 2款。其中第444. 7. 2款提出了电缆管理系统 的设计导则,主要需从材料和形状来考虑,其要点有:沿线的电磁 场强度;该系统对传导和空间辐射的耐受水平;电缆是否屏蔽;连 接的ITE设备抗扰度:受其他环境条件,如化学、机械、气象等的 限制要求:需考虑该系统在将来的扩展等.该条文指出:电缆承载 系统的金属构件和形状(平面、U形及管状等)决定了该系统的特 性阻抗,而不是其截面大小起主要作用。呈封闭(闭合)状态时,降 低共模耦合的作用最佳。在《低压电气装置第4-41部分:安全 防护——电击防护》GB 16895. 21—2004/1EC 60364-4-41 : 2005 第413节中,第413. 5.1. 5项要求"分隔回路最好采用分开的布线 系统。如果分隔回路和其他回路的导体处在同一布线系统中不可 避免,则应采用没有金属外层的多芯电缆,或敷设在绝缘的导管、 管槽或槽盒中的绝缘导线。它们的额定电压不应低于可能出现的 最高电压,且每个回路都有过电流保护工
• 80 *
10电涌保护器分项工程
10.1电涌保护器安装
10.1.1电涌保护器(SPD,又称浪涌保护器,过去叫电压保护器。 一些不规范的名称有:低压避雷器、防雷保安器等)的选择和安装 在现行国家标准、行业标准中规定并不一致。本规范选取等同采 用IEC标准的现行国家标准《建筑物电气装置 第5-53•部分:电 气设备的选择和安装隔离、开关和控制设备第534节:过电压 保护电器》GB 16895. 22、《低压配电系统的电涌保护器(SPD)第 12部分:选择和使用导则》GB/T 18802.12和《建筑物防雷设计规 范》GB 50057。因其属设计范畴,不在此展开。
10.2电涌保护器安装工序
10.2.2在电子系统的电信和信号网络线路上选择和安装符合现 行国家标准《低压电涌保护器 第21部分:电信和信号网络的电涌 保护器(SPD)--性能要求和试验方法》GB/T 18802. 21中的SPD, 除了在配线架上安装外,在传输电缆上的安装从外表看大都是串接 在电缆接头两端的,因而有的SPD生产厂家将其生产的这种SPD 称为"串联型"SPD,这是一种误解。按现行国家标准《低压配电系统 的电涌保护器(SPD)第1部分:性能要求和试验方法》GB 18802.1 和《低压电涌保护器 第21部分:电信和信号网络的电涌保护器 (SPD)--性能要求和试验方法》GB/T 18802. 21中限压元件的定 义,其在正常工作电压下呈高阻状况,只有在其两端出现了大于UC 的过电压状况时,才能迅速转呈低阻状况。如果将SPD的限压元件 串在受保护线路中,线路无法传导工频(或直流)电流。因此只能说 这种安装方式叫"串接接线方式%而不能称为"串联型SPD”。
♦ 81 •
标准分享网WWW. bzfxw. com免费下载
11工程质量验收
11.2防雷工程中各分项工程的检验批划分和检测要求
11.2.1检测等电位连接有效性能的指标,"其间直流过渡电阻不 应大于O. 2Q"的要求引自现行国家标准《电气装置安装工程 电 气设备交接试验标准》GB 50150-2006中第26. 0. 2条。
关于大型接地网的概念,目前国内标准尚无统一的定义。在 现行国家标准《电气装置安装工程电气设备交接试验标准》GB 50150-2006中术语第2. 0. 17条的定义为「大型接地装置: HOkV以上电压等级变电所、装机容量在200MW以及以上火电 厂和水电厂或者等效面积在5OOOm2及以上的接地装置。"在《接 地装置工频特性参数的测量导则》DL 475-92中未对该概念定 义,只是指出"当被测接地装置的最大对角线D较大"时的测量方 法。在《接地系统的土壤电阻率、接地阻抗和地面电位测量导则 第1部分:常规测量》GB/T 17949. l→000中第13.5中规定了 "大型变电站的测量",未对大地网定义,在第8.1.1条中称小型接 地网的面积小于50m,未对"大面积接地网"定义。在许颖先生论 文《工企内部电网的大型地网工频接地电阻值测量》中将"接地网 最大对角线长度IoOm以上"称为"工企内部大型接地网",接地面 积小于或等于30m×30m为"小面积接地网"。解广润先生《电力 系统接地技术》中表1-7将接地网所占面积在900m2-IOOOOm2 称为"大中型地网"。
11.2.4检测第一类防雷建筑物中长金属的弯头、阀门、法兰盘等 连接处的过渡电阻不应大于0. 03Ω引自现行国家标准《建筑物防 雷设计规范》GB 50057,该标准中尚说明在非腐蚀环境下•如有不 少于5根螺栓连接的法兰盘(含弯头、阀门),当过渡电阻大于
• 82 .
0.03Q时.可不采取跨接措施。
检测为使切断回路时间不超过5s的整定值为16A的断路器 动作,同时触及的外露可导电部分与装置外可导电部分之间等电 位连接的有效性,直流过渡电阻应小于0. 240的规定引自《等电 位联结安装》02D501-2中说明3. 3.等电位连接带与连接范围内 的金属管道等金属体末端之间的直流过渡电阻值不应大于3Q要 求引自《等电位联结安装》O2D5O1-2中说明7β
11.2.5屏蔽室的连续检漏在现行国家标准《电子信息系统机房 施工及验收规范》GB 50462-2008第12. 5.1条中有具体规定,其 条文说明为"任何一处焊穿的孔洞及漏焊点都会造成电磁泄漏,因 此在屏蔽效能的检测过程中应及时对影响其屏蔽效能的薄弱处及 焊接缺陷进行重点检漏和补漏: 第13. 6. 1条规定"屏蔽效能的 检测"方法应按现行国家标准《电磁屏蔽室屏蔽效能的测量方法》 GB/T 12190的规定或按建设单位指定的国家相关部门制定的检 测方法执行。
/VVVV
标准分享网WW. bzfxw. com免费下载