ICS 53. 020. 30
J 80
中华人民共和国国家标准
GB/T 10051.9—2010
起重吊钩第9部分:吊钩横梁
Lifting hooks—Part 9 : Cross pieces
2011-01-10 发布
2011-06-01 实施
中华人民共和国国家质量监督检验检疫总局 中国国家标准化管理委员会
发布
GB/T 10051.9—2010
前 言
GB/T 10051《起重吊钩》分为如下几部分:
—第1部分:力学性能、起重量、应力及材料;
—第2部分:锻造吊钩技术条件;
--第3部分:锻造吊钩使用检查;
—第4部分:直柄单钩毛坯件;
--第5部分:直柄单钩;
——第6部分:直柄双钩毛坯件,
--第7部分:直柄双钩:
-■第8部分:吊钩横梁毛坯件;
—第9部分:吊钩横梁;
—第10部分:吊钩螺母;
--第11部分:吊钩螺母防松板;
--第12部分:吊钩闭锁装置,
--第13部分:叠片式吊钩技术条件;
——-第14部分:叠片式吊钩使用检查;
—第15部分:叠片式单钩.
本部分为GB/T 10051的第9部分.
本部分修改采用DIN 15412-2: 1983《起升装置滑轮组 横梁九
本部分根据DINI5412-2 J983重新起草。
考虑到我国国情,在采用DIN 15412-2 : 1983时进行了修改,这些技术性差异用垂直单线标识在它 们所涉及的页边空白处,在附录A中给出了技术性差异及其原因一览表以供参考.
为了便于使用,本部分还做了以下编辑性修改:
--"本标准"一词改为"本部分";
一用小数点",代替作为小数点的逗号3”。
本部分的附录A为资料性附录。
本部分由中国机械工业联合会提出.
本部分由全国起重机械标准化技术委员会(SAC/TC 227)归口。
本部分负责起草单位:太原重型机械集团有限公司.
本部分参加起草单位:北京起重运输机械设计研究院.
本部分主要起草人:刘润林、叶佩馨、张燕平、王首成、申昌宏、王晓凌。
I
标准分享网 www.bzfxw.com 免费下载
GB/T 10051.9—2010
起重吊钩 第9部分:吊钩横梁
1范围
GB/T 10051的本部分规定了吊钩横梁的型式与尺寸、技术要求、试验方法及检验规则等。 本部分适用于模锻、自由锻和轧制的吊钩横梁(以下简称横梁)。
2规范性引用文件
下列文件中的条款通过GB/T 10051的本部分的引用而成为本部分的条款。凡是注日期的引用文 件,其随后所有的修改单(不包括勘误的内容)或修订版均不适用于本部分,然而,鼓励根据本部分达成 协议的各方研究是否可使用这些文件的最新版本。凡是不注日期的引用文件,其最新版本适用于本 部分。
GB/T 1184 形状和位置公差 未注公差(GB/T 1184—1996,eqv ISO 2768-2/989)
GB/T 1804 一般公差 未注公差的线性和角度尺寸的公差(GB/T 1804—2000,eqv ISO 2768-1 i 1989)
GB/T 10051.1-2010起重吊钩 第1部分:力学性能、起重量、应力及材料
GB/T 13384机电产品包装通用技术条件
10. 15-2007重型机械通用技术条件锻钢件无损检测
3横梁的强度等级
横梁力学性能分为5个强度等级,与其相匹配的起重吊钩的强度等级高一级,见GB/T 10051. 1-2010第3章中表1.
4横梁的额定载荷
在不同的强度等级和机构工作级别下,各横梁承受的额定载荷(起重量)应与吊钩相匹配,其值与 GB/T 10051.1-2010第4章中表2所列钩号的吊钩起重量相同.
5型式与尺寸
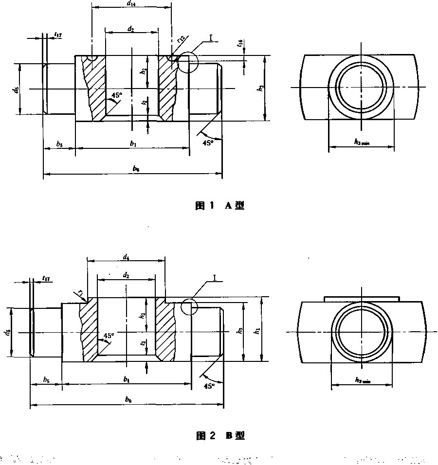
5. 1 型式 横梁的型式按吊钩装置中配用轴承型式的不同,分为如下三种: a) A≡h 一般用于钩号006〜1,带半球形滚道面(横梁上的支承面),滚动件可自由转动的吊钩装 置中;
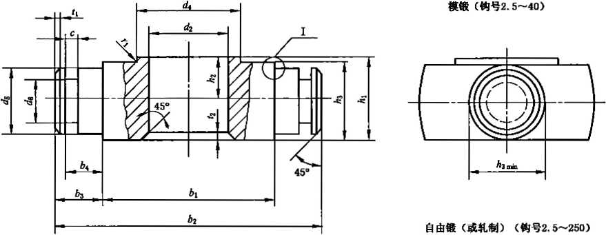
b) B型:一般用于钩号L 6~16,配成套轴承,可相对转动的吊钩装置中;
c) C型:一般用于钩号2. 5~25O,配成套轴承,带轴端挡板槽,可相对转动的吊钩装置中。 5.2标记
5.2.1型号表示方法
H □ □-□ l..........强度等级:M、P、S、T、V
:;;"「:'.♦*」「.. ∙.⅛⅛⅛z--------^钩号:。06~250 •■ 1*・.:总 .-■ ■"..■;..;„■ ■;■■■:.■
--------------型式:A、B、C ............横梁
GB/T 10051.9—2010
5.2.2 标记示例
a)钩号006,强度等级为M,型式为A的吊钩横梁: 横梁 HA006-M GB/T 10051. 9
b)钩号16,强度等级为P,型式为B的吊钩横梁:
横梁 HB16-P GB/T 10051. 9
C)钩号160,强度等级为T,型式为C的吊钩横梁: 横梁 HC16O-T GB/T 10051. 9
5.3结构型式和尺寸
5.3. 1横梁的结构型式:A型见图1,B型见图2,C型见图3。
标准分享网WWW. bzfxw. com免费下载
GB/T 10051.9—2010
图3 C型
5. 3.2横梁的尺寸见表1。
6技术要求
6. 1横梁中未注公差的尺寸极限偏差应按照GB/T 1804中公差等级f的规定,形状和位置公差的未 注公差值应按照GB/T 1184中公差等级H的规定.
6.2横梁表面粗糙度的最大允许值应符合表2规定。
6.3对A型横梁的半球形滚道面(见图1)应进行表面渗碳处理,其硬度为50 HRC~55 HRC,渗碳层 深度为 0. 8 mm~l. 2 mmβ
6.4横梁的表面应光洁,不应有裂纹、凹坑等缺陷。
6.5横梁内部不应有裂纹、白点和影响其使用安全的其他缺陷.超声波检测质量等级应不低于 GB/T 5000. 15—2007表 1 中规定的 I[级。
7试验方法和检验规则
7. 1横梁加工后,对截面过渡区、孔及其他有可能产生裂纹的部位应按JB/T 5000.15- 2007第6章的 规定进行磁粉检测,不能用磁粉检测的部位,按JB/T 5000. 15- 2007第7章的规定进行渗透法检测。
7. 2横梁最大截面处高度大于或等于150 mnɪ时应按JB/T 5000.15-2007第5章的规定进行超声波 检测。
7.3横梁出厂时应带有合格证和检验证明书,合格证的内容应包括以下内容:
a)化学成分:
b)力学性能: .- ∙ 、
C)无损检测结果。
3
表1
1S5L9—2OO
|
钩号 |
瓦 |
历 |
仇 |
瓦 |
⅛ |
⅛ |
C |
di |
成 js6 |
& d9 |
& |
&4 |
五1 |
及 |
A3 hll |
H |
π |
ru |
±2 |
厶6 |
¢17 |
质最a kg | |||||
|
A型 |
B型 |
C型 | |||||||||||||||||||||||||
|
!∙ mm |
模锻 |
自由锻 或轧制 | |||||||||||||||||||||||||
|
006 |
30 |
— |
— |
— |
7.5 |
45 |
— |
11 |
— |
15 |
— |
19 |
— |
9.5 |
19 |
— |
1 |
2.7 |
0.4 |
— |
1 |
1. 65 |
0.5 |
0.1 |
— |
— |
— |
|
010 |
35 |
— |
— |
— |
7.5 |
50 |
— |
13 |
— |
15 |
— |
22 |
— |
9.5 |
19 |
— |
1 |
2.7 |
0∙4 |
— |
L 2 |
1.65 |
0.5 |
0.2 |
—— |
— |
— |
|
012 | |||||||||||||||||||||||||||
|
020 |
38 |
— |
— |
"— |
10 |
58 |
— |
17 |
— |
20 |
— |
25.5 |
—— |
12 |
24 |
— |
1 |
2.7 |
0.4 |
— |
L 6 |
L 65 |
1 |
0.2 |
— |
—— |
— |
|
025 | |||||||||||||||||||||||||||
|
04 |
45 |
— |
— |
—— |
12.5 |
70 |
— |
21 |
— |
20 |
— |
31 |
— |
12.5 |
25 |
—— |
1 |
3.25 |
0.4 |
— |
2 |
2 |
1 |
0.3 |
一 |
— |
— |
|
05 | |||||||||||||||||||||||||||
|
08 |
50 |
— |
一 |
17.5 |
85 |
— |
25 |
— |
25 |
— |
36 |
— |
15 |
30 |
— |
1 |
3.25 |
0.4 |
— |
2 |
2 |
1 |
0.5 |
— |
— |
— | |
|
1 | |||||||||||||||||||||||||||
|
L 6 |
65 |
— |
— |
— |
17.5 |
100 |
— |
31 |
35 |
25 |
— |
— |
30 |
16 |
28 |
0.6 |
1 |
— |
0.4 |
— |
3 |
— |
1 |
— |
0.7 |
— |
— |
|
2.5 |
80 |
125 |
22.5 |
17 |
20 |
120 |
8 |
37 |
40 |
30 |
19 |
— |
40 |
21.5 |
37 |
0.6 |
1 |
— |
0.4 |
2 |
3 |
— |
1 |
— |
L 4 |
1.4 |
1.7 |
|
4 |
90 |
140 |
25 |
19 |
22. 5 |
135 |
8 |
43 |
50 |
35 |
23 |
— |
45 |
24 |
42 |
0.6 |
1 |
— |
0.4 |
3 |
3 |
一 |
1.5 |
— |
2.1 |
2.1 |
2.5 |
|
5 |
100 |
155 |
27.5 |
22 |
25 |
150 |
8 |
46 |
60 |
40 |
27 |
— |
50 |
27.5 |
45 |
1 |
1 |
— |
0∙4 |
3 |
3 |
— |
1*5 |
— |
2.8 |
2.8 |
3.4 |
|
6 |
125 |
185 |
30 |
24 |
27.5 |
180 |
10 |
51 |
70 |
45 |
32 |
— |
55 |
30 |
50 |
1 |
1.5 |
— |
1 |
4 |
4 |
— |
1.5 |
— |
4.6 |
4.6 |
6.0 |
|
8 |
140 |
210 |
35 |
29 |
30 |
200 |
10 |
58 |
80 |
50 |
36 |
— |
60 |
32.5 |
55 |
1 |
L 5 |
— |
1 |
4 |
4 |
— |
1.5 |
— |
7.0 |
7.0 |
8.3 |
4
冢⅛φ*swww∙ bzfxw∙ com ^^^^
.∙ Γ-;
表1 (续)
GB/TSS.9——2010
|
钩号 |
瓦 |
庆 |
⅛ |
瓦 |
δs |
仇 |
C |
义 |
乙 js6 |
厶 d9 |
& |
必・ |
自 |
A2 |
A3 hll |
n |
∏2 |
S |
厶 |
友 |
ɪi? |
质■* kg | |||||
|
A型 |
B型 |
C型 | |||||||||||||||||||||||||
|
mm |
模锻 |
自由锻 或轧制 | |||||||||||||||||||||||||
|
10 |
160 |
230 |
35 |
29 |
30 |
220 |
10 |
66 |
90 |
55 |
40 |
— |
65 |
35 |
60 |
1.3 |
L 5 |
— |
1 |
4 |
5 |
— |
1.5 |
— |
9.0 |
9.0 |
12 |
|
12 |
180 |
265 |
42.5 |
34 |
35 |
250 |
10 |
74 |
100 |
60 |
42 |
— |
78 |
42 |
72 |
1. 3 |
1.5 |
— |
1 |
5 |
7 |
— |
2 |
— |
13 |
13 |
18 |
|
16 |
190 |
275 |
42.5 |
36 |
35 |
260 |
12 |
82 |
110 |
70 |
50 |
— |
88 |
47 |
82 |
1. 3 |
L 5 |
— |
1 |
5 |
8 |
— |
2 |
— |
17 |
17 |
22 |
|
20 |
200 |
295 |
47.5 |
41 |
— |
— |
12 |
93 |
120 |
80 |
56 |
95 |
51 |
88 |
1.3 |
1.5 |
— |
1 |
5 |
8 |
— |
— |
— |
— |
20 |
26 | |
|
25 |
220 |
318 |
49 |
41 |
— |
— |
12 |
103 |
130 |
90 |
64 |
— |
105 |
56 |
98 |
L 6 |
L 5 |
— |
1 |
5 |
9 |
— |
— |
— |
— |
28 |
35 |
|
32 |
260 |
378 |
59 |
51 |
— |
— |
12 |
113 |
160 |
100 |
72 |
— |
115 |
62 |
106 |
1.6 |
1.5 |
— |
1 |
5 |
10 |
— |
— |
— |
— |
43 |
55 |
|
40 |
285 |
415 |
65 |
58 |
— |
—— |
14 |
128 |
180 |
110 |
80 |
— |
130 |
70 |
120 |
1.6 |
2 |
— |
1.2 |
5 |
12 |
-~■■ |
— |
— |
— |
58 |
74 |
|
50 |
335 |
465 |
65 |
58 |
— |
— |
14 |
143 |
220 |
125 |
92 |
— |
145 |
77.5 |
135 |
2 |
2 |
— |
1.2 |
5 |
13 |
— |
— |
— |
— |
— |
115 |
|
63 |
380 |
522 |
71 |
63 |
— |
— |
14 |
163 |
240 |
140 |
104 |
— |
160 |
85 |
150 |
2. 5 |
2 |
1.2 |
5 |
14 |
— |
— |
— |
— |
— |
163 | |
|
80 |
420 |
565 |
72.5 |
63 |
— |
— |
14 |
183 |
280 |
160 |
120 |
— |
180 |
95 |
170 |
2.5 |
2 |
— |
1.2 |
6 |
16.5 |
— |
— |
— |
— |
— |
224 |
|
100 |
470 |
645 |
87.5 |
77 |
— |
— |
18 |
203 |
300 |
180 |
136 |
— |
200 |
106 |
188 |
2.5 |
2 |
— |
1.2 |
6 |
18.5 |
— |
— |
— |
— |
— |
314 |
|
125 |
S⅛0 |
685 |
87.5 |
77 |
— |
— |
18 |
229 |
340 |
200 |
150 |
— |
240 |
126 |
228 |
2.5 |
4 |
— |
2.5 |
6 |
21 |
— |
一 |
— |
— |
— |
423 |
|
160 |
旗。 |
750 |
100 |
87 |
— |
— |
18 |
254 |
360 |
220 |
164 |
— |
270 |
142 |
256 |
3 |
4 |
— |
2.5 |
6 |
27 |
— |
— |
— |
— |
— |
567 |
|
200 |
810 |
100 |
87 |
— |
— |
18 |
284 |
360 |
240 |
184 |
— |
305 |
160 |
290 |
4 |
4 |
— |
2.5 |
6 |
29 |
— |
— |
— |
— |
— |
773 | |
|
250 |
700 |
920 |
110 |
97 |
— |
— |
18 |
325 |
420 |
260 |
200 |
— |
350 |
185 |
330 |
5 |
5 |
— |
3.4 |
6 |
29 |
— |
— |
— |
— |
— |
1 149 |
|
注;对自由锻吊钩横梁,其长度方向尺寸(如显.九)及高度方向尺寸(如Ejh)在保证强度和结构要求的条件下,允许适当调整。钩号200及尺寸250系列为参考值。 | |||||||||||||||||||||||||||
GB/T 10051.9—2010
表2
|
___________部 位____________ |
表面粗糙度R"四m |
|
A型的半球形滚道面 |
1∙6 |
|
B型和C型的乙、力4 轴承接触支承面 |
3.2 |
|
_____________I部放大(沟槽)_____________ |
6.3 |
|
C槽的两侧面、自由锻瓦的周边 |
12.5 |
|
其他加工面 |
25 |
|
注:如为模锻横梁,为的上,下平面和瓦的周边可不加工,但应光滑平整。____________________ | |
8标志、包装
8.1在吊钩横梁的适当部位应有清晰标志.对于小型件,允许附加标签或涂以鉴别标记。其标志内容 应包括:
a)制造商名称或代号(如有时):
b)钩号;
C)强度等级.
8. 2吊钩横梁的包装应符合GB/T 13384的有关规定。
标准分享网 www.bzfxw.com 免费下载
GB/T 10051.9—2010
附录A
(资料性附录)
本部分与DIN 15412-2:1983技术性差异及其原因
表A.1给出了本部分与DIN 15412-2:1983的技术性差异及其原因一览表。
表A. 1本部分与DiN 15412-2:1983的技术性差异及其原因
|
本部分的章条编号 |
__________技术性差异___________ |
原 因 |
|
2 |
引用了与标准技术内容相关的我国标准,而非德国标准 |
以适合我国国情 |
|
5.1、5. 2 |
增加了"型式"和"标记" |
以适合我国国情 |
|
6.2 |
修改了"粗糙度等级”为"表面粗糙度值",并进行了调整如 下,本部分中A型的半球形滚道面、B型和C型的4、公、% 轴承接触支承面、I部放大(沟槽)、C槽两側面、自由锻瓦的 周边、其他加工面的粗糙度分别为1. 6、3. 2,6. 3,12. 5、25, DlN标准中分别为N7,N7和N8、N7、N8、N9 |
以适合我国国情 |
|
7 |
增加了"试验方法和检验规则" |
以便于操作 |
|
8 |
增加了"标志、包装" |
以便于操作 |
打印日期:2011年5月3日F008
°Odl6∙Lln0°H^s
中华人民共和国 国家标准 起重吊钩第9部分:吊钩横梁 GB/T 10051.9—2010
#
中国标准出版社出版发行 北京复兴门外三里河北街16号
邮政编码JOOO45
网址 WWW. spc. net. cn
电话:68523946 68517548 中国标准出版社秦皇岛印刷厂印刷 各地新华书店经销
*
开本880X1230 1/16 印张0.7 5 字数14千字 20Π年4月第一版2011年4月第一次印刷
*
书号:155066 • 1-42060 定价 16.00 元
如有印装差错由本社发行中心调换
版权专有侵权必究
举报电话:(010)68533533
标准分享网 www.bzfxw.com 免费下载