ICS 29.2∞

K 81

备案号:68877-2019


NB


中华人民共和



能源行业标准


NB/T 33002 — 2018

代替 NB/T 33002 — 2010


电动汽车交流充电桩技术条件


Specification for electric vehicle AC charging spot


2018-12-25 发布


2019-05-01 实施


国家能源局发布


NB/T 33002 —2018


目 次


前言..............................................................................................................................II

1 范围...........................................................................................................................ɪ

2规范性引用文件............................................................................................................1

3术语和定义..................................................................................................................1

4基本构成.....................................................................................................................2

5充电桩分类..................................................................................................................2

6功能要求.....................................................................................................................4

7技术要求.....................................................................................................................4

8标志、包装、运输及储存..............................................................................................IO


NB Z T 33002 —2018


前 言


本标准代替NBfr 33002-2010《电动汽车交流充电桩技术条件》。与NB" 33002—2010相比,除编 辑性修改外主要技术变化如下:

——删除了原标准中“4总则" 一章。

-新增"5充电桩分类" 一章,从不同角度对充电桩进行分类。

--对原标准“8检验和试验项目”进行了修改,新增“到货验收",并删除了与试验项目和试验 方法相关的内容,此部分内容放到NB"33008.2中.

-"3术语和定义"做了修改,增加了 "省电模式" “待机模式"和"待机功耗"3个术语.

-- "4基本构成”做了修改,并增加了基本构成框图.

-"6功能要求”,对原标准中的“人机交互功能”"计量功能""外部通信"进行了修改,删除 了原标准中的“软件升级”:将"输入功能”改到“人机交互功能"下,并进行了修改;增加 了 “充电控制导引""充电连接装置”“电子锁止装置” “急停功能” "连接方式”。

-“7技术要求",对原标准中的"环境条件”“电源要求"“耐环境要求"“电气绝缘性能"“电 磁兼容”进行了修改,增加了 "温升要求”‘'防护要求""保护功能要求""控制导引电路要求” “充电控制时序及流程” “待机功耗" “机械强度” “振动” "噪声"“机械开关特性要求" “高低 温和湿热性能二

-"8标志、包装、运输及储存”对应原标准“9标识:

请注意本文件的某些内容可能涉及专利。本文件的发布机构不承担识别这些专利的责任。

本部分由中国电力企业联合会提出。

本部分由能源行业电动汽车充电设施标准化技术委员会NEA/TC3)归口.

本标准主要起草单位:深圳奥特迅电力设备股份有限公司、中国电力企业联合会。

本标准参加起草单位:国电南瑞科技股份有限公司、许继电源有限公司、广东电网有限责任公司电 力科学研究院、国网电力科学研究院有限公司、许昌开普检测研究院股份有限公司、中国电器科学研究 院、普天新能源有限责任公司、上海良信电器股份有限公司、北京国网普瑞特高压输电技术有限公司、 青岛特锐德电气股份有限公司、比亚迪汽车工业有限公司.

本标准主要起草人:李志刚、刘永东、赵翔、李彩生、赵伟、张査、陈卓、蒙智强、白鸥、杨卫、 沈昌国、周强、王洪军、万新航、吕晓荣、孟金岭、刘文珍、李费、李振.

本部分所代替标准的历次版本发布情况为:

——NB/T 33002—2010.

本标准在执行过程中的意见或建议反馈至中国电力企业联合会标准化中心(北京市白广路二条一号, 100761).


NB/T 33002 —2018


电动汽车交流充电桩技术条件


1范围

本标准规定了电动汽车交流充电桩(以下简称充电桩)的基本构成、分类、功能要求、技术要求、 检验规则,以及标志、包装、运输及贮存.

本标准适用于电动汽车交流充电桩.


2规范性引用文件


下列文件对于本文件的应用是必不可少的.凡是注日期的引用标准,仅注日期的版本适用于本文件. 凡是不注日期的引用标准,其最新版本(包括所有的修改单)适用于本文件.

GB/T 191包装储运图示标志


GB" 2423.1—2008

GBZT 2423.2—2008

GB/T 2423.4—2008

循环)


电工电子产品环境试验 电工电子产品环境试验 电工电子产品环境试验


2部分:试验方法 第2部分:试验方法 第2部分:试验方法


试验A低温

试验B高温

试验Db:交变湿热12h+12h


GB/T 2423.16—2∞8

GB" 2423.55—2006


电工电子产品环境试验 电工电子产品环境试验


2部分:试验方法

2部分:环境测试


实验J及导则:长霉 试验Eh:锋击试验


GB"4208外壳防护等级IP代码)

GB"4797.6-2013环境条件分类 自然环境条件 尘、沙、懿雾

GB" 13384机电产品包装通用技术条件

GB" 16935.1低压系统内设备的绝缘配合 第1部分:原理、要求和试验


GB" 18487.1-2015电动汽车传导充电系统

GB" 18487.2—2017电动汽车传导充电系统

GB" 20234.1电动汽车传导充电用连接装置

GB" 20234.2电动汽车传导充电用连接装置

GB" 28569电动汽车交流充电桩电能计量

GBfT 29317-2012电动汽车充换电设施术语


1部分:通用要求

2部分:非车载传导供电设备电磁兼容要求

1部分:通用要求

2部分:交流充电接口


3术语和定义

GB/T 18487.1-2015. GB”29317—2012界定的以及下列术语和定义适用于本文件.

3.1

传导式充电 conductive charging

利用电传导给蓄电池进行充电的方式。

3.2

车载充电机on-board charger

固定安装在电动汽车上,将交流电能变换为直流电能,采用传导方式为电动汽车动力蓄电池充电的 专用装置.

3.3


交流充电桩 AC charging spot


NB/T 33002 —2018


采用传导方式为具有车载充电装置的电动汽车提供交流电源的专用供电装置。

3.4

省电横式 power saving mode

当车辆已连接充电桩但未处于充电状态,充电桩为降低损耗而关闭部分电路(如PWM输出信号) 的状态

在省电模式下车辆S2开关闭合将无法唤醒充电功能。

3.5

待机模式standby mode

当无车辆充电和人员操作时,充电桩仅保留后台通信、状态指示等基本功能的状态。

3.6

待机功耗standby power

充电桩处于待机模式时的交流输入有功功率。

4基本构成


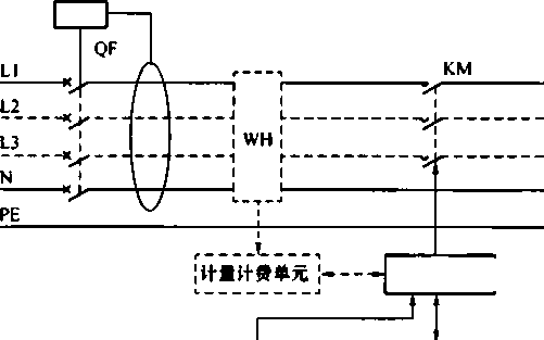
充电桩的基本构成包括桩体和交流充电连接装置。桩体包含但不限于主电源回路、控制单元、人机 交互单元,计量计费单元(可选)等,相互之间的逻辑关系参见图1


动电接



力源口




控制单元


控制电源


人机交互单元


注:

QF-具备漏电保护功能的空气断路器,或同类装置:

WH—交流电能表:

KM—控制交流充电桩输出的接触器或同类装置.

1充电桩基本构成框图


5充电桩分类

5.1按使用环境条件


5.1.1正常使用环境

--户内型充电桩;

--户外型充电桩。

5.1.2特殊使用环境

可根据GBZT 18487.1-201514.2规定的特殊使用条件进行分类.


2


充电接口


NB/T 33002 —2018


5.2按使用对象

充电桩按照使用对象进行分类:

--公用型充电桩:

对普通公众开放,使用运营商的支付方式进行充电;

--专用型充电桩:

只对特定车主提供充电服务,不对普通公众开放。

5.3按安装方式

充电桩按照安装方式进行分类:

--落地式充电桩,见图2:

-壁挂式充电桩,见图3.




5.4按充电接口数■

充电桩按照输出充电接口数量进行分类:

--桩一充式充电桩,见图4 (以落地式为例);

--桩多充式充电桩,见图5 (以落地式、双充电口为例)。



5.5按输出电压等级

充电桩按照输出电压等级进行分类:

--单相交流充电桩;

--三相交流充电桩。


NB/T 33002 —2018


6功能要求

6.1充电控制导引

充电桩应具备符合GBb 18487.1-2015中附录A要求的充电控制导引功能。

6.2通信功能

充电桩宜具备与上级监控管理系统通信的功能.

6.3充电连接装置

充电桩的充电连接装置应符合GBfT20234.1GB/T 20234.2的规定。

6.4电子锁止装置

采用GB" 18487.1-20153.1规定的连接方式A或连接方式B的充电桩,当充电桩额定电流大于 16A时,供电插座应安装电子锁止装置.当电子锁止装置未可靠锁止时,充电桩应停止充电或不启 动充电。

6.5人机交互功能

6.5.1显示功能

充电桩应显示下列状态:

-—充电桩的运行状态指示:待机、充电、故障。

充电桩宜显示下列信息:

—输出电压、输出电流:

..己充时间、己充电量、己充金额.

6.5.2输入功能

充电桩宜具有实现手动输入和控制的功能.

6.6计量功能

公用型充电桩应具有对充电电能量进行计量的功能,计量功能应符合GB" 28569的要求.

6.7急停功能

充电桩可安装急停装置。

6.8连接方式

GB" 18487.1—20153.1规定的连接方式A、连接方式B、连接方式C均适用于充电桩.当充电 桩额定电流大于32A时,应采用连接方式C.

7技术要求

7.1环境条件

7.1.1环境温度:-20C+50C (户外型),-5C+50C (户内型).


4


NB/T 33002 —2018


7.1.2 相对湿度:5%~95%.

7.1.3 海拔:≤20∞m.

7.1.4周围环境:使用地点不得有爆炸危险介质,周围介质不含有腐蚀金属和破坏绝缘的有害气体及导 电介质。

7.1.5充电桩在特殊环境下使用时,购买方和厂家应协商一致.

7.2电源要求


7.2.1电源电压和电流

充电桩输入电压和电流要求见表1.输入电压允许波动范围为额定电压的±20%.

1充电桩输入电压/电流要求


电源输入方式

输入电流额定值厶   ""

A

输入电压额定值 V

连接方式

1

432

单相/三相220/380

AB C

2

/,>32

三相380

C

注:连接方式定义见GB/Γ 18487.1-20153.1条.


7.2.2电源频率

交流输入电源频率为50±l) Hz.

7.3耐环境要求

7.3.1防护等级

充电桩外壳防护等级不低于GB"4208中圧32 (户内型)或IP54 (户外型)。

注:不考虑连接过程中充电接口部分的防护等级.

7.3.2三防(防潮湿、防霉变、防盐雾)保护

充电桩内印刷线路板、接插件等部件应进行防潮湿、防霉变、防盐雾处理.防盐雾腐蚀能力应能满 足GB/T4797.6—2013中图7的要求.

7.3.3防锈(防氯化)保护

充电桩铁质外壳和暴露的铁质支架、零件应采用双重防锈措施,非铁质的金属外壳也应具有防氧化 保护膜或进行防氧化处理。

7.3.4防盗保护

充电桩应具有必要的防盗措施。

7.4温升要求

正常实验条件下,交流输入为额定值,充电桩在额定输出功率下长期连续运行,内部各发热元器件 及各部位的温升不应超过表2中的规定.并且发热元件的温度不应影响周围元器件的正常工作且无元器 件损坏。


5


NB/T 33002 —2018


2充电桩各部件极限温升


部件或器件

极限温升 K

熔断器外壳

70

母线连接处

铜一铜

50

铜搪锦一铜搪锦

60

铜镀银一铜镀银

80


7.5防护要求

7.5.1允许温度

充电桩的表面温度应满足GBfT 18487.1-201511.6.3要求.

7.5.2电击防护

充电桩的电击防护应符合GBfT 18487.1一如15中第7章的要求。

7.5.3电气间隙和爬电距离

充电桩的电气间隙和爬电距离应符合表3的规定。


3充电桩电气间隙和爬电距离


额定绝缘电压Ui V

电气间I» mm

爬电距离 mm

UW60

3.0

3.0

60VUW300

5.0

6.0

300<tζ≤700

8.0

10.0

1当主电路与控制电路或辅助电路的额定绝缘电压不一致时,其电气间隙和爬电距离可分别按其额定值选取.

2具有不同额定值主电路或控制电路导电部分之间的电气间隙与爬电距离,应按最高额定绝缘电压选取。

3小母线、汇流排或不同级的裸露的带电导体之间,以及裸露的带电导体与未经绝缘的不带电导体之间的电气间隙 不小于12mm,爬电距离不小于20mm.

4印刷电路板的电气间隙和爬电距离参考GB/T 16935.1.


7.5.4接地要求

充电桩的接地要求应能满足以下规定:

a)充电桩金属壳体应设置接地螺栓,其直径不得小于6mm,并应有接地标志;

b)所有作为隔离带电导体的金属材质的外壳、隔板、电气元件的金属外壳以及金属手柄等均应有

效等电位联结,接地连续性电阻不应大于O.1C

c)充电桩金属材质的门、盖板、覆板和类似部件,应采用保护导体将这些部件和充电桩接地端子 连接,此保护导体的截面积不得小于2.5mm2.


6


NB/T 33002 —2018


7.6电气绝缘性能


7.6.1绝缘电阻

充电桩非电气连接的各带电回路之间、各独立带电回路与地(金属外壳)之间绝缘电阻应不小于 1OMΩ.

7.6.2介电强度

充电桩非电气连接的各带电回路之间、各独立带电回路与地(金属外壳)之间,按其工作电压应能 承受表4所规定历时Imin的工频交流电压.试验过程中,试验部位不应出现绝缘击穿和闪络现象。

7.6.3冲击耐压

充电桩各带电回路、各带电电路对地(金属外壳)之间,按其工作电压应能承受表4所规定标准雷 电波的短时冲击电压试验.试验过程中,试验部位不应出现击穿放电.


4绝缘试验的试验等级


额定绝缘电压Ui V

绝缘电阻测试仪器的电压等级 V

介电强度试验电压 kV

冲击耐压试验电压 kV

≤60

250

1.0

±1.0

60VUiW300

500

2.0

±2.5

300VUW 700

IOOO

2.4

±6.0

注,出厂试验时,介电强度试验允许试验电压高于表中规定值的10%,试验时间16._________________


7.7保护功能要求

7.7.1充电桩应具备输出过载和短路保护功能,过载和短路保护应符合GB/T 18487.1-201512章的 要求.

7.7.2当充电桩额定电流大于16A且釆用GBZT 18487.1-20153.1规定的连接方式A或连接方式B 时,充电桩供电插座应设置温度监控装置,充电桩应具备温度监测和过温保护功能。

7.7.3在充电过程中,当达到设置的结束条件,或操作人员对充电桩实施了停止充电指令,充电桩应控 制开关Sl切换到+12V,并在检测到S2开关断开后,在IoOmS内切断交流供电回路;超过3s仍未检测 到S2断开时,则强制切断交流供电回路。如供电接口带有电子锁,应在交流回路切断IoOmS后解锁.

注:SIS2开关位置参见图6.

7.7.4具备急停功能的充电桩启动急停装置时,充电桩应在IoomS内切断交流供电回路。

7.7.5当充电桩与电动汽车之间的保护接地连续性丢失,充电桩应控制开关SI切换到+12V,并在K)OlnS 内切断交流供电回路。

7.7.6当充电桩检测到检测点1电压幅值为12V (状态1)或其他非6V (状态3)、非9V (状态2)状态时, 充电桩应控制开关Sl切换到+12V,并在K)OmS内切断交流供电回路;

当检测到供电接口由完全连接变为断开[检测点4由完全连接变为断开(状态A)]时,充电桩应控 制开关Sl切换到+12V连接状态,并在K)OmS内断开交流供电回路;

当检测点1的电压幅值由6V变为9V时,充电桩应在IOomS内切断交流供电回路,并持续输出PWM 信号:当车辆再次闭合S2时,充电桩应再次接通交流供电回路.


7


NB/T 33002 —2018


供电设备           供电接口        车精接n          电动汽车



6控制导引原理图(以充电模式3连接方式B为例)


7.7.7当充电桩PWM信号对应的充电电流限值/20A,且充电桩实际输出电流超过充电电流限值2A并保 持5s时,或充电桩PWM信号对应的充电电流限值>2OA,且充电桩实际输出电流超过充电电流限值的 110%并保持5s时,充电桩应在5s内切断交流供电回路并控制Sl切换到+12V∙

注:SlS2开关位置参见图6.

7.7.8充电桩应具备交流接触器(或同类装置)粘连检测功能.当接触器触点粘连时,充电桩应发出告 警提示,并不能启动充电。

7.7.9在充电过程中,充电桩应具有明显的状态指示或文字提示,防止人员误操作.

7.7.10充电桩的接触电流应满足GB" 18487.1—201511.2要求.

7.7.11充电桩应具备漏电保护功能。

7.8控制导引电路要求

充电桩的控制导引电路应满足GBfT 18487.1一如15中附录A的要求。

当充电桩自身无故障且供电接口己完全连接(对充电模式3的连接方式AB),且充电桩已做好 充电准备时,则开关Sl从连接12V+状态切换至PWM连接状态,供电控制装置发出PWM信号.供电 控制装置通过测量检测点1的电压和检测点4来判断充电连接装置是否完全连接.具备省电模式的充电 桩,进入省电模式的时间不宜低于24h.

7.9充电控制时序及流程

充电控制时序及流程应满足GBrr 18487.1-2015中附录A.3、附录A.4及附录A.5的规定。

7.10待机功耗

在额定输入电压下,充电桩(一桩双充及以下)的待机功耗不应大于15W.

7.11机械强度

充电桩包装完好,按GBfT 2423.55-2∞6规定的方法进行试验,外壳应能承受剧烈冲击能量为20J (5kg, 0.4m).试验结束后性能不应降低,充电桩的IP防护等级不受影响,门的操作和锁止点不受损坏, 不会因变形而使带电部分和外壳相接触,并满足电气间隙和爬电距离的要求.


8


NB/T 33002 —2018


7.12噪声


充电桩在额定输出功率下稳定运行,在周围环境噪声不大于40dB的条件下,距离充电桩水平位置 Im处,测得噪声最大值应不超过55dB.

7.13机械开关的特性要求

7.13.1开关

充电桩内开关应符合GB" 18487.1-201510.2.1的要求.

7.13.2接触器

充电桩内接触器应符合GB" 18487.1-201510.2.2的要求.

7.13.3断路器

充电桩内断路器应符合GB" 18487.1—201510.2.3的要求。

7.13.4继电器

充电桩内继电器应符合GBfT 18487.1-201510.2.4的要求.

7.13.5剩余电流动作保护器

每台充电桩均应单独配备剩余电流动作保护器,为充电桩配备的剩余电流动作保护器应符合GB" 18487.1—2015 10.3 的要求。

7.14环境要求

7.14.1低温性能

GB" 2423.1-2008中试验Ad规定的方法进行试验,试验温度为7.1.1规定的下限值,充电桩应 能正常启动。试验前、试验期间、试验后,充电桩应能正常工作.

7.14.2高温性能

GB" 2423.2-2008中试验Bd规定的方法进行试验,试验温度为7.1.1规定的上限值,待达到试 验温度后启动充电桩,充电桩应能正常工作,试验温度持续2h.试验前、试验期间、试验后,充电桩应 能正常工作.

7.14.3湿热性能

GB"2423.4-2008中试验Db规定的方法进行试验,试验温度为402) C,循环次数为2次: 在试验结束前2h进行介电强度试验和测试绝缘电阻,其中绝缘电阻不应小于IMC,介电强度按表4规 定值的75%施加测量电压.试验结束后,恢复至正常大气条件,通电后充电桩应能正常工作。

7.15电磁兼容要求

7.15.1通用试验条件


充电桩的设备配實参见GB" 18487.2-2017中的第4章:


9


NB/T 33002 —2018


充电桩的试验负载条件参见GBfT 18487.2—2017中的第5章;

测试过程的操作条件参见GB/T 18487.2-2017的第6章。

7.15.2抗扰度要求

7.15.2.1抗扰度性能判据

充电桩抗扰度性能判据见GBfT 18487.2一如17中的7.1节.

7.15.2.2抗扰度试验要求

在不同环境中使用的充电桩,其静电放电抗扰度、射频电磁场辐射抗扰度、电快速瞬变脉冲群抗扰 度、浪涌抗扰度、射频场感应的传导骚扰抗扰度、电压哲降和短时中断抗扰度应满足GBfT 18487.2-2017 7.2的要求.

7.15.3发射要求

充电桩射频骚扰试验应满足GB/T 18487.2-20178.3的要求。

8标志、包装、运输及储存

8.1标志

8.1.1充电桩应具有铭牌,并安装在明显位置,铭牌上应标明以下内容:

—生产厂家:

..产品名称:

-产品型号:

..额定输出电压;

--额定输出电流:

—出厂编号:

—生产日期:

--室内或室外使用IP等级)。

注:如有多路输出时,标明电流婦大值和每路值.

8.1.2充电桩上各种开关、指示灯、接线端子、接地端子处等应有相应的文字符号作为标志,并与接线 图上的文字符号一致.相应位置上应具有接线、接地及安全标志,要求字迹清晰易辨、不褪色、不脱落、 布置均匀、便于观察.

8.2包装

8.2.1充电桩的包装应采取防潮、防振措施,且符合GB" 13384的规定和7.12的要求.产品随带文件及 附件包括:装箱清单、出厂试验报告、合格证、电气原理图和接线图、安装使用说明书、随机附件及备 件清单。

8.2.2产品外包装上应有清晰、耐久的包装贮运图示标志,图示标志应符合GB" 191的规定。

8.3运输

充电桩在运输过程中,不应有剧烈振动冲击、曝晒雨淋、倾倒放置等.


NB/T 33002 —2018

8.4储存

充电桩在储存期间,应放在空气流通、温度在-25C+55C之间、月平均相对湿度不大于90%、无 腐蚀性和爆炸性气体的仓库内,在储存期间不应淋雨、曝晒、凝露和霜冻。


11



0电力出IttitM    电力标准<βJβaM8


;%您提供级及时.麻准福耳权诚的就务笳tffl⅛


中 华人民 共和国 能源行业标准 电动汽车交流充电桩技术条件 NB/T 33002 — 2018 代替 NB/T 33002 — 2010


中国电力出版社出版、发行

(北京市朱城区北京站西街 19 IooOO5 http://www.cepp.sgcc.com.cn) 北京传奇佳彩数码印刷有限公司印刷

.

20196月第一版 20196月北京第一次印刷 880毫米X 1230毫米16开本1印张24千字

印数001—500

统一书号155198 • 1379定价15.00

版权专有侵权必究 本书如有印装质量问题,我社营销中心负责退换



155198.1379


00ZlZOoS1/CQN#::Y

BLOdIdOOEg H≤z