ICS 29,2∞
K 81
备案号:68879-2019
NB
中华人民共和
能源行业标准
NB/T 33008.2 — 2018
代曾 NB∕T 33∞8,2 — 2013
电动汽车充电设备检验试验规范 第2部分:交流充电桩
Inspection and test specifications for electric vehicle charging equipment
Part 2: A.C.charging spot
2018-12-25 发布
2019-05-01 实施
国家能源局发布
NB/T 33008.2 — 2018
目 次
前言..............................................................................................................................37
1范围.........................................................................................................................38
2规范性引用文件..........................................................................................................38
3术语和定义................................................................................................................39
4检验规则...................................................................................................................39
5试验方法...................................................................................................................41
36
NB∕T33∞8.2 — 2018
前 言
NB" 33008《电动汽卒充电设备检验试验规范》分为2个部分:
—第1部分:非车载充电机:
—第2部分:交流充电桩.
本部分为NB/T 33008的第2部分.
本部分代曾NB" 33OO8.2-2O13《电动汽车充电设备检验试验规范 第2部分:交流充电桩).与 NBZT 33008.2-2013相比,除编辑性修改外主要技术变化:
—对“1范围”做了修改,明确了与NBTT 33002-2018《电动汽车交流充电桩技术条件)之间 的关系:
—对"4检验规则"的"到货验收"和表1做了修改,更新了试验项目表;
—对"5试验方法"的"一般检查"做了修改,増加了外观检查(见5.2.1)、标志检查(见5.2.2)、 基本构成检查(见5.2.3)、机械开关设备检查(见5.2.4)、防盗措施检查(见5.2.5):
—对"5试验方法"的"功能试验"做了修改,增加了充电连接装■检查(见5.3.2)、锁止装置 检查(见S.3.3)、计量功能试验(Jt 5.3.6);
—对"5试验方法"的“安全要求试验"做了修改,増加了输出短路保护试验(见541)、接触 器粘连监测试验(见5.4.4)、接触电流试验(见5.4.5)、漏电保护试验(见5.4.6):
—对"5试验方法"的"控制导引试验"做了修改,増加了充电控制状态试验(见5.14.1),充 电连接控制时序试验(见5.14.2)、控制导引电压限值试验(见5.14.3),保护接地连续性试验(见 5.14.4)、控制导引信号异常试验(£5.14.5),断开开关S2试验(见5.14.6);
—増加了充电模式和连接方式检查(见5.5)、电缆管理及贮存检查(见5.6)、内部温升试验(见 5.7),允许温度试验(见S.8)、电气间隙和爬电距离试验(见5.10)、接地试验(见5.12)、待 机功耗试验(见5.13)、噪声试验(见5.15)、防款雾试验(见5.18)、防锈(防氧化)试验(见 5.19)、交变湿热试验(见5.22),修改了电磁兼容试验(见5.23).
请注意本文件的某些内容可能涉及专利.本文件的发布机构不承担识别这些专利的责任.
本部分由中国电力企业联合会提出.
本部分由能源行业电动汽车充电设施标准化技术委员会(NEA/TC3)归口.
本部分主要起草单位:国家电网有限公司、中国电力企业联合会、国网电力科学研究院有限公司.
本部分参加起草单位:国网电动汽车服务有限公司、中国汽车技术研究中心有限公司、深圳奥特迅 电力设备股份有限公司、中国电力科学研究院有限公司、国网浙江省电力有限公司、国网山东省电力公 司、国网重庆市电力有限公司、许继集团有限公司、上海电器科学研究院、威凯检测技术有限公司、许 昌开普检测研究院股份有限公司、珠海泰坦科技股份有限公司、江苏万希徳和新能源科技股份有限公司、 南京能瑞电力科技有限公司、北京新能源汽车股份有限公司.
本部分主要起草人:谢永胜、朱炯、葛得辉、俞波、周丽波、李旭玲、张萱、王阳、刘向立、马彦华、 黄折、孙军、李建样、刘志凯、朱彬、陈良亮、吕国伟、唐攀攀、路小俊、陈卓、张璐、张伟、叶健诚、 张建伟、m智蕙、万新航、王可、沈雪梅、周凌、李德胜、孙益兵、张大伟、吴可.
本部分所代替标准的历次版本发布情况为:
——NB/T 33∞8.2-2013.
本标准在执行过程中的意见或建议反馈至中国电力企业联合会标准化管理中心(北京市白广路二条 一号,100761).
37
NB/T 33008.2 — 2018
电动汽车充电设备检验试验规范 第2部分:交流充电桩
1范SI
本部分规定了电动汽车交流充电桩(以下简称充电桩)的检验规財和试验方法.
本部分适用于充电模式3下连接方式A、连接方式B、连接方式C的充电桩.
本部分适用于充电桩的型式试验、出厂检验、到货验收.
本部分适用于NB”33002-2018规定的充电桩.
2規范性引用文件
下列文件对于本文件的应用是必不可少的.凡是注日期的引用文件,仅注日期的版本适用于本文件.
凡是不注日期的引用文件.其最新版本(包括所有的修改单)适用于本文件.
GB/T 2421.1—2008
GB" 2423.1—2008
GB/T 2423.2—2008
GB/T 2423.4—2008
电工电子产品环境试验 电工电子产品环境试验 电工电子产品环境试验 电工电子产品环境试验
概述和指南
第2部分:试验方法 第2部分:试验方法
第2部分:试验方法
试验A:低温
试验B:高温
试验Db交变湿热(12h+12h
循环)
GB/T 2423.17—2008
电工电子产品环境试验 第2部分:试验方法 试验Ka:隸雾
GB" 4208外壳防护等级(IP代码)
GB 4824-2013工业、科学和医疗(ISM)射頻设备疆扰特性限值和测置方法
GB" 7251.1—2013低压成套开关设备和控制设备 第I部分:总则
GB 16935.1低压系统内设备的绝缘配合 第1部分:原理、要求和试验
GBfT 17625.2电磁兼容限值对每相额定电流W16A且无条件接入的设备在公用低压供电系统 中产生的电压变化、电压波动和闪母的限制
GB" 17625.7电磁兼容限值对领定电流W75A且有条件接入的设备在公用低压供电系统中产
生的电压变化、电压波动和闪烁的限制
GB/T 17626.2
GB/T 17626.3
GBZT 17626.4
GB/T 17626.5
GB/T 17626.6
电磁兼容 电磁兼容 电磁兼容 电磁兼容 电磁兼容
试验和测It技术 试验和测量技术 试验和测身技术 试验和测量技术 试验和测量技术
静电放电抗扰度试验
射频电磁场辐射抗扰度试验 电快速瞬变脉冲群抗扰度试验 浪涌(冲击)抗扰度试验
射频场感应的传导要扰抗扰度
GB∏∙ 17626.11
GB/T 17626.34
电磁兼容试验和测量技术 电磁兼容试验和测以技术
电压哲降、短时中断和电压变化的抗扰度试验 主电源每相电流大于16A的设备的电压暂降、短时中
断和电压变化抗扰度试验
GBΛΓ 18487.1—2015
GB/T 18487.2—2017
电动汽车传导充电系统 电动汽车传导充电系统
第1部分:通用要求
第2部分:非车载传导供电设备电磁兼容要求
38
GB/T 20234.1—2015
GB" 20234.2—2015
电动汽车传导充电用连接装置 第1部分:通用要求
电动汽车传导充电用连接装置 第2部分:交流充电接口
NB/T 33008.2 — 2018
GBfT 28569电动汽车交流充电桩电能计量
GB" 29317-2012电动汽车充换电设施术语
GB" 34657.1-2017电动汽车传导充电互操作性测试规范第1部分:供电设备
NB/T 33002-2018电动汽车交流充电桩技术条件
3术语和定义
GBTT I8487.l-20I5, GBTT 18487.2—2017, GB" 29317、NB/T 33002—2018 界定的术语和定义适 用于本文件.
4检验规则
4.1检验分类
产品的检验分为型式试验、出厂检验和到货验收三类.
4.1.1型式试验
在下列情况下,产品必须进行型式试验:
a)新投产的产品(包括转厂生产的产品).应在生产鉴定前进行型式试验:
b)当设计变更、工艺或主要元器件改变、影响产品性能时,应在投入生产前进行型式试验:
c)停产两年以上的产品.应在再次投入生产前进行型式试验.
4.1.2出厂检軸
每台产品均应进行出厂检验,经过生产厂家质量检验部门确认后.并具有证明产品合格的证明书方 能出厂.
4.1.3到货验收
收货单位宜对收到的产品在使用前进行到货检验,产品验收合格后方能投入使用.具体验收抽样方 案由各收货单位自行决定.
4.2试験项目
交流充电桩试验项目如表1所示.
衰1交流充电粧试验项目衰
|
序号 |
试验项目 |
型式试验 |
出厂检验 |
对应NB/T 33002—2018中技术要求 |
|
1 |
一IR检査 | |||
|
外观检查 |
√ |
√ |
— | |
|
标志检査 |
√ |
√ |
8.1 | |
|
基本构成检查 |
√ |
√ |
4 | |
|
机械开关设备检查 |
√ |
— |
7.13 | |
|
防盗抬it检查 |
√ |
— |
7.3.4 | |
|
2 |
功能试驗 | |||
|
通信功能试验 |
√∙ |
— |
6.2 |
39
NB/T 33008.2 — 2018
»1 (续)
|
序号 |
试验项目 |
量式试验 |
出厂检验 |
对应NB/T 33002-2018中技术要求 |
|
2 |
充电连接装■检査 |
√ |
√ |
6.3 |
|
假止装置检查 |
J |
√ |
6.4 | |
|
显示功能试验 |
√ |
√ |
6.5.1 | |
|
■入功能试騎 |
J∙ |
J∙ |
6.52 | |
|
计量功能试验 |
— |
6.6 | ||
|
3 |
安全要求试騎 | |||
|
■出短路保护试验 |
√ |
— |
7.7.1 | |
|
过11保护试验________________ |
J |
— |
7.7.2 | |
|
急停保护试験 |
J∙ |
J∙ |
7.7.4 | |
|
接触器粘连监测试騎 |
√ |
√ |
7.7.8 | |
|
接触电流试险_____________ |
J |
— |
7.7.10 | |
|
■电保护试驗_____________ |
√ |
— |
7.7.11 | |
|
4 |
充电模式和连接方式检查 |
√ |
— |
6.8 |
|
5 |
电缠管理及北存检查___________ |
— |
— | |
|
6 |
内部温升试驗______________ |
J |
— |
7.4 |
|
7 |
允许温度试Ift___________________ |
√ |
— |
7.5.1 |
|
8 |
电击防护试验 | |||
|
亶按接触防护试騎 |
J |
— |
7.51 | |
|
开门保护试验 |
" |
√* | ||
|
动力电源■入失电试验 |
J |
√ | ||
|
9 |
电气间隙和IK电距离试验 |
J |
— |
7.53 |
|
10 |
绝缘性能试验 | |||
|
绝缘电阻试验 |
√ |
√ |
7.6.1 | |
|
介电禮度试验______________ |
√ |
√ |
7.62 | |
|
冲击射出试駿 |
√ |
— |
7.6.3 | |
|
11 |
接地试验________________ |
√ |
J |
7.5.4 |
|
12 |
待机功耗试输 |
J |
— |
7.10 |
|
13 |
控制导引试験______________ | |||
|
充电控制状态试验 |
√ |
√ |
6.1, 7.8. 7.9 | |
|
充电连接控制时序试验 |
√ |
J | ||
|
控制导引电出限值试验 |
√ |
— | ||
|
保护接地连续性试验 |
√ |
J |
7.7.5 |
40
NB/T 33008.2 — 2018
表1(续)
|
序号 |
试验项目 |
型式试验 |
出J∙检验 |
对应NBfT 33002-2018中技术要求 |
|
13 |
控制导引信号异常试驗 |
J |
√ |
7.7.6 |
|
斷开开美S2再用合试Ift |
√ |
√ | ||
|
过流试驗 |
√ |
— |
7.7.7 | |
|
14 |
嗓声试駿 |
√ |
— |
7.12 |
|
15 |
机械强度试軸 |
√ |
— |
7.11 |
|
16 |
防护等级试验 | |||
|
防止固体异物进入试验 |
J |
— |
7.3.1 | |
|
防止水进入试Ift |
√ |
— | ||
|
17 |
防起雾试验 |
J |
— |
7.3.2 |
|
18 |
防的(防氧化)试险 |
√ |
— |
7.3.3 |
|
19 |
低温试難 |
J |
— |
7.14.1 |
|
20 |
高温试验 |
√ |
— |
7.141 |
|
21 |
交变漫热试险 |
J |
— |
7.14.3 |
|
22 |
电磁兼容试验 | |||
|
抗扰度试收 |
J |
— |
7.15.2 | |
|
发射试軸 |
√ |
— |
7.15.3 |
注I . J.表示必检项目,"√■"表示选检項目:--"表示不焉項目.
4.3合格判定
型式试验和出厂检验的试验项目按照表I规定进行.被测产品对应检验类别的所有试验项目都符合 要求后,才能判定此类别合格•否则判定为不合格.
5试验方法
5.1试險条件
5.1.1试驗系统
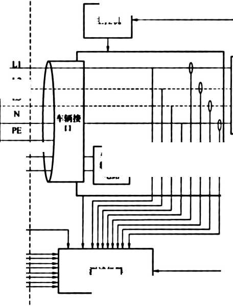
充电桩试验系统主要包括单相/三相可调交流电源、车辆插座、车辆控制模拟电路、交流电压和电流 謝量仪器以及单相/三相交流负载等.可配置上级监控系统或运营管理系统、主控机等,如图1所示.该 试验系统适用于 5.3 (除了 5.3.6)、S.4、5.7、5.8、5.9.2、5.9.3、5.14, 5.15, 5.20、5.21, 5.22、5.23 的测试.其他测试项目的测试系统和测试用仪器详见具体章节要求.除另有规定,所有输出测试点均 在车辆接口位置测试.
41
NB/T 33008.2 — 2018
LttttftK 统磔代管 理系统
#M« ^M
*相成三 相"IK交 «««
*測交沒充电*t
檢测点4 (如")
检费点1
cc ;
CP
主控机
+辆控 X悔擦 电篇
譜试仪U
图1充电桩试難系统拓扑图
拳相威二 相交流 负
5.1.2试験环境条件
在本标准中,除环境试验条件外,其他试验均在测量和试验用标准大气条件下进行.在每一项目的 试验期间,试验环境条件应相对稳定,即:
a)环境温度:+15IC〜+35C:
b)相对湿度:45%-75%:
c) 大气压力:86kPa~106kPa.
5.1.3试验电源条件
试验时供电电源条件如下:
a)频率:5OHz±O,5Hzs
b)交流电源电压:220V/380V,允许偏差士5%:
c)交流电源波形:正弦波.波形崎变因数不大于5%:
d)交流电源系统的不平衡度:不大于5%.
5.1.4试験仪器要求
除另有规定外,试验中所使用的仪器仪表应满足下列要求:
a)所用测*仪器、仪表应通过计■检定或校准,证书在有效期内:
b)测量仪器、仪表的测量范围应覆盖被测量的测量范围:
c)测试仪器、仪表或系统的测量不确定度应优于被测♦的允许误差的1/3:
d)测融值应在选用仪器、仪表置程的1/5以上.
42
NB∕T33∞8.2 — 2018
5.1.5试限负載
推荐使用RLC式负載,或电子负我.
5.2 一般检查
5.2.1外现检查
目测检査充电桩(含充电连接装置)的外壳.应平整,无明显凹凸痕、划伤、变形等缺陷:表面涂 镀层应均匀、不应脱落:零部件(含充电连接装置)应紧固可靠.无锈蚀、毛刺、裂纹等缺陷和损伤.
5.2.2标志检查
目测检查充电桩铭牌位置和内容的正确性与完整性,铭牌内容应符合NB" 33002-2018中8.1.1的 规定.目测检查充电桩的接线、接地及安全标志的正确性与完整性.通过观察并用一块浸透蒸憶水的脱 脂棉在约15s内擦拭15个来回,随后用一块浸透汽油的脱脂棉在约15s内擦拭15个来回,试验期间应 用约2N∕cm2的压力将脱脂棉压在标志上,试验后,标志仍应易于辨认.
5.2.3基本构成检查
打开充电桩盖子或门,目测检查充电桩的基本构成应包括桩体和交流充电连接装■,其中.桩体应 包含主电源回路、控制单元、人机交互界面等,宜包括计♦计费单元等.
5.2.4机版开关设备检查
5.2.4.1开关和隔离开关
充电桩的开关和隔离开关应符合GBZT 18487.1-2015中10.2.1的规定或具备对应的证明材料.
5.2.4.2 接触•
充电桩的接触器应符合GBZT 18487.1-2015中10.2.2的规定或具备对应的证明材料.
5.2.4.3断路器
充电桩的断路器应符合GB/T 18487.1-2015中10.2.3的规定或具备对应的证明材料.
5.2.4.4 缝电 H
充电桩的继电器应符合GB/T 18487.1-2015中10.2.4的规定或具备对应的证明材料.
5.2.45剰余电流保护器
充电桩应单独配备剩余电流保护器,剰余电流保护器应符合GBZT 18487.1-2015中10.3的规定或具 备对应的证明材料.
5.2.5防盗措施检查
充电桩应具有防盗措施,或在产品安装说明书中有相关要求.
43
NB/T 33008.2 — 2018
5.3功能试验
5.3.1通信功能试验
具备与厂家指定的上级监控系统或运营管理系统通信功能的充电桩.连接试验系统.在充电过程中. 充电桩应能按照约定的协议要求进行通信.
5.3.2充电连接装■检查
充电桩所配置的充电用连接装置应具备符合GB/T 20234.1-2015、GBZT20234.2-2015规定的证明 材料,或者按照GB/T 34657.1-2017中6.2规定的方法对供电插座(连接方式A或连接方式B)、车辆 插头(连接方式C)的结构尺寸、插头空间尺寸(连接方式C)进行复核.
5.3.3领止裝■检查
将充电桩连接试验系统,启动充电,在充电过程中,按照以下步骤进行试验:
a)对于采用连接方式A或连接方式B的充电桩,当充电桩额定电流大于16A时,供电插座应安 装具有位置反馈功能的电子锁止装■.
b)充电连接装置完全连接并启动充电桩.检测点1或检测点4的电压值应在允许充电的范围内, 确认供电接口和/或车辆接口的机械锁止有效性:通过检查电子锁反馈信号是否与实际僚止状态 对应,确认充电桩电子锁止有效性;通过检查机械锁止装置是否能被打开.确认电子锁止装置 对机械锁止装置的联锁效果.
c)当电子锁未可靠锁止时,充电桩不应允许充电.在整个充电过程中,充电桩电子锁应可靠後止, 不允许带电解锁且不应由人手直接操作解锁.
d)正常充电结束后交流供电回路切断IOomS内,检查电子锁不应被解锁.
e)检查电子锁装置应具备应急解锁功能.
5.3.4显示功能试難
将充电桩连接试验系统.在充电过程中,模拟待机状态、充电状态、故障或告警状态等,检查充电 桩的显示信息或状态应符合NB/T 33002-2018中6.5.1的规定,且显示字符清晰、完整,没有缺损.
5.3.5愉入功能试验
把具备输入功能的充电桩连接试验系统,设置充电桩充电参数,充电桩应能正确进入充电过程井执 行设置操作.在充电过程中.模拟进行启停操作,充电桩应能正确启动/停止充电.
5.3.6计■功能试验
对于安装有电能表的充电桩.其电能计量功能应符合GB/T 28569的规定.
5.4安全要求试験
5.4.1冶出短路保护试験
将充电桩连接试验系统,在交流供电回路导通前,模拟充电桩输出短路故障,充电桩不应允许充电: 在充电过程中.模拟充电桩输出短路故障,充电桩应立即切断交流输出.
5.4.2过温保护试験
对于额定电流大于16Λ时且采用连接方式A或连接方式B的充电桩,供电插座应设買温度监控装
44
NB/T 33008.2 — 2018
置.将充电桩连接试验系统,模拟充电桩充电接口IA度超过过温保护值的情况.充电桩应降低PWM占 空比或切断交流供电回路,并发出告警提示.
5.4.3急停保护试験
安装急停开关的充电桩连接试验系统,并设置在額定负我状态下运行.按急停开关,检查充电桩应 在IoOmS内切断交流供电回路.
5.4.4接触器帖连监测试験
将充电桩连接试验系统,采用如短接输出或者触发交流接触器(或同类装置)反憤信号,模拟输出 开关处于常闭状态(无法断开)或常开状态.启动充电,充电桩不应允许充电,并有告警提示.
5.4.5接触电流试限
充电桩的接触电流应符合GB/T 18487.1-2015中11.2的规定.
5.4.6漏电保护试験
将充电桩连接试验系统,在充电过程中,模拟漏电超过保护阈值.充电桩应立即切断交流供电回路.
5.5充电模式和连接方式检查
目测检查充电桩采用的充电模式,应符合GB/T 18487.1-201S中5.1规定的充电模式3:连接方式 应采用GBrr 18487.1-2015中3.1.3规定的连接方式A、连接方式B、连接方式C中任意一种,额定电 流大于32A的充电桩.应采用连接方式C.
5.6电域管理及K:存检查
对于连接方式C,充电桩应随桩配・车辆插头贮存装♦,该装置可以与充电桩分离或固定在充电桩 上.在未使用车辆插头时.车辆插头应存放在地面上方0.5m〜l.Sm处:对采用长度超过7.5m的电缆的 充电桩,自由电缆长度不应超过7.5m.对于车辆插头贮存装置与充电桩分离的产品,其产品说明书应有 车辆插头贮存装置安装位置的相关说明.
5.7内部温升试验
参考环境空气温度为25C,在充电桩被测部位安装测温元件,温度可用融化颗粒、变化指示器或热 电偶进行测量.这些测量元件应放置到对被测定温度影响可忽略不计的地方,将盖子或门关好,将充电 桩连接试验系统,输入额定电压.并设置在额定负我状态下运行,使各发热元件的温度逐渐升至热稳定. 热稔定的定义参见GB" 2421.1-2008中4.8的规定,温升试验应符合表2的规定.
表2充电桩各部件极限温升
|
部件或叁件 |
後限温升 K |
|
鳍断器外壳 |
70 |
|
母线连接处 | |
|
M-* |
SO |
|
WMW-MMfll |
60 |
|
Wtttt-WttM |
80 |
45
NB Z T 33008.2 —2018
5.8允许温度试難
将充电桩连接试验系统,并在环境温度40C和额定负载F运行.充电桩可触及部分■髙允许温度应 符合表3的规定.
表3充电桩可触及部分的最高允许温度
|
可触及部分 |
可接触部分材料 |
最高允许温度 C |
|
手11可接触部分 |
金■材料 |
50 |
|
- 菲金属材料~~~ | ||
|
可触及但非手■部分 |
金属材料 |
60 |
|
非金属材料 ~- |
≡ |
5.9电击防护试鞋
5.9.1直接接触防护试險
按照GB"4208的方法进行直接接触防护试验.通过IPXXC试验试具进行试验,将试具推向充电桩 外壳的任何开口,试验用力(3±0.3) N:如试具能进入一部分或全部进入,应在每一个可能的位置上活 动,但挡盘不得穿入开口,且不应触及危险带电部件.
5.9.2开门保护试险
对于充电桩盖子或门打开可造成带电部位露出的充电桩,在充电前,不使用工具打开充电桩盖子或 门,充电桩应无法启动充电:将充电桩连接试验系统,并设置在额定负載状态下运行,不使用工具打开 充电桩盖子或门,充电桩应切断交流供电回路,控制导引电路可保持通电.
5.9.3动力电源物入失电试险
将充电桩连接试验系统,在充电过程中.模拟停止交流供电,检查充电桩应能在IS内将充电接口电 压降至42.4VAC (峰值)以下.
5.10电气间隙和魔电距寓试験
用量规或游标卡尺测Jt充电桩規定部位的最小间隙和爬电距离应符合表4的规定.表4中的履电距 离是对基本绝缘的规定值.
»4电气间隙和座电距高
|
. _・定绝缘电压~ V |
■ 电气间隙 mm |
" ■电 IHK~~ mm |
|
. - σl≤6o~— |
~~10~ | |
|
6O<U1≤3OO~ |
Γθ | |
|
300<(∕l≤700 |
^S |
10.0 |
|
1.具有不同・定值七电路或控制电路导电部分之间的电气间隙与用电距离,应按■高额定绝缘电压选取. 2•小母线、汇流持或不同级的裸露的侍电导体之间,以及裸露的借电导体与未经绝缘的不带电导体之间的电气间験不 小于I2mm∙r电距K不小于20mm. | ||
|
注1:当主电路与控制电路或辅助电路的■定绝缘电压不一致时,其电气间狀和用电距离可分别按其■定值选取. 注2,印制板的电气间殖和*电距离参考GB 16935.1. 注3:加强绝缘的7电即寓是基本绝缘的两倍.____________________________________ | ||
NB/T 33008.2 —2018
5.11绝鼻性能试鞋
5.11.1绝鼻电阻试验
在充电桩非电气连接的各带电回路之间、各独立带电回路与地(金属外壳)之间按表5规定施加宜 流电压.绝缘电阻不小于1OMΩ.
5.11.2介电强度试險
在充电桩非电气连接的各带电回路之间、各独立带电回路与地(金属外壳)之间按表5规定施加Imin 工频交流电压(也可采用直流电压.试验电压为交流电压有效值的1.4倍),试验时.充电桩泄漏电流值 不应大于IOmA,试验部位不应出现绝缘击穿或闪络现象.
对采用绝缘材料外壳的充电桩进行试验,按照GB/T 7251.1—2013中10.9.4的方法进行试验.
5.11.3冲击耐压试物
在充电桩非电气连接的各带电回路之间、各独立带电回路与地(金属外壳)之间技表S规定施加3 次正极性和3次负极标准雷电波的短时冲击电压,每次间隙不小于5s,脉冲波形l,2∕50μs.电源阻抗500Ω. 试验时其他回路和外露的导电部分接地,试验过程中,试验部位不应出现击穿放电,允许出现不导致损 坏绝缘的闪络;如果出现闪络,则应复查介电强度,介电强度试验电压为规定值的75%.
»5绝缘试験的试験等级
|
順定维摩电压 V |
绝缘电眼试验仪Β的电压等级 V |
介电强度试验电压 kV |
冲击耐压试验电压 kV |
|
C∕l≤60 |
250 |
1.0 (1.4) |
±1.0 |
|
60VaW300 |
500 |
2.0 ¢2.8) |
±15 |
|
300VUiW700 |
1000 |
2.4 (3.36) |
±6.0 |
|
出厂试依时.介电芸度试验允许试验电压高于表中⅜!定位的10%,试验时间打.____________________ | |||
5.12接地试验
检查充电桩的接地部件应符合以下的规定:
a)充电桩金属壳体应设置接地螺栓,用量规或游标卡尺測量其直径不应小于6mm.且有接地标志.
b)充电桩的门、盖板、覆板和类似部件,应采用保护导体将这些部件和充电桩主体框架连接,用 量规或游标卡尺测量保护导体的截面积不应小于2∙5mm2.
c)通过电桥、接地电阻试验仪或数字式低电阻试验仪测量,充电桩内任意应该接地的点至总接地 之间的电阻不应大于(Mil.測量点不应少于3个;如果测*点涂敷防腐漆.需将防腐漆刮去. 露出非绝缘材料后再进行试验.接地壊子应有明显的标志.
5.13待机功耗试验
对于具备待机功能的充电桩(一机双充及以下),在额定输入电压下.仅保留其后台通信、状态指示 灯等基本功能的状态.充电桩的待机功耗不应大于15W.
47
NB/T 33008.2 —2018
5.14控制导引试喩
5.14.1充电控制状态试验
将充电桩连接试验系统,按照GB" 34657.1-2017中6.4.2规定的方法进行试验,试验结果应符合 对应合格评判的规定.对于一机多充式充电桩,应对每个充电接口分别进行试验,各接口的控制导引功 能应该独立运行完全隔离.
5.14.2充电连接控制时序试验
将充电桩连接试验系统,按照GB/T 34657.1-2017中6.4.3規定的方法进行试验,试验结果应符合 对应合格评判的规定.
5.14.3控制导引电压限值试验
将充电桩连接试验系统,按照GB/T 34657.1-2017中6.4.5规定的方法进行试验,试验结果应符合 对应合格评判的规定.
5.14.4保护接地连续性试险
将充电桩连接试验系统.按照GB/T 34657.1-20J7中6.4.4.4规定的方法进行试验,试验结果应符合 对应合格评判的规定.
5.14.5控制导引信号异常试验
将充电桩连接试验系统,按照GB/T34657.1—2017中6.441、6.4.4.2、6.4.4.3规定的方法进行试验, 试验结果应符合对应合格评判的规定.
5.14.6断开开关S2再闭合试験
将充电桩连接试验系统,按照GB/T346S7.1-2017中6.4.4.6规定的方法进行试验,检查充电桩应在 IOOms内切断交流供电回路,井持续输出PWM信号,且其持续输出PWM信号的时间不应低于设定值 (具备省电模式的充电桩,设定值不宜低于24h)∙在PWM持续输出时间内重新闭合开关S2时,检查充 电桩应能导通交流供电回路.
5.14.7过流试验
将充电桩连接试验系统,按照GB/T346S7.1-2017中6.4.4.5规定的方法进行试验,试验结果应符合 对应合格评判的规定.
5.15 *声试險
将充电桩放置在半消音室内,外部连接试验系统,并设置在额定负载状态下稳定运行.距充电桩前、 后、左、右水平位置Im处.离地面育度Im〜1.5m处测量噪声.测得的噪声最大值不应大于55dB (A).
5.16机械强度试藏
充电桩在-5C环境下存放2h后,用弹簧锋进行机械强度试验,撞击能量0.7J,分别对充电桩可接近 表面的不同部位各进行3次撞击.试验后,检査盖板和壳体没有损坏或损坏时不触及带电部件及影响充 电桩的使用:操动机构没有损坏:绝缘材料的敷层和护套没有损坏.如有需要,可以拆开壳体进行验证.
48
NB/T 33008.2 — 2018
5.17防护等级试险
5.17.1防止固体异物进入试验
按照GB" 4208的方法进行防止固体异物进入试验.
a)室外使用的充电桩应符合IP5X的规定.将充电桩放入密闭试验箱内进行试验.密闭试验箱内 的粉末循环泵使滑石紛悬浮,滑石粉用金属方孔孔筛滤过,滑石粉用量按试验箱容积计算 2kg∕m3,试验持续8h.试验后.观察滑石粉沉积■及沉积地点,应不足以影响充电桩的正常操 作或安全,并且通电后充电桩运行正常.
b)室内使用的充电桩应符合IP3X的规定,将边缘无毛刺的直径2.5mm的试棒以3.0N的试验用力 推入充电桩外壳开口处,试具的直径不能通过任何开口.
5.17.2防止水进入试載
技照GB" 4208的方法进行防止水进入试验.
a)室外使用的充电桩应符合IPX4的规定,可进行摆管喷水试验或喷头淋水试验.试验后.充电 桩充内无明显积水:或有进水,但不应影响充电桩的正常操作或没有破坏安全性.且通电后充 电桩运行正常.
D 摆管喷水试验.将充电桩放在摆管下,使摆管与垂直方向士 180.的范围内进行淋水,摟管 最大半径L6m,充电桩与摆管最大距离0.2m,摆管每孔流量0.07L7min.试验持续Iomin.
2)喷头淋水试验.使用喷头对充电桩进行淋水试验,水流■ I2.5L∕min,压力在50kPa~150kPa 的范围内.试验期间压力应维持恒定,喷头需要除去平衡重物的挡板,使充电桩外壳各个 可能的方向都受到激水.试验时间按充电桩外売衰面积计算Imin∕aΛ ■少Smin.
b)室内使用的充电桩应符合IPX2的规定.将充电桩固定在滴水台上,外壳在4个固定的位置在 两个互相垂直的平面上与垂线各傾斜15*.滴水流量3πun∕min,每一个傾斜位置持续试验 2∙5min.试验后.检查充电桩内无明显积水:或有进水,但不应影响充电桩的正常操作或破坏 安全性,且通电后充电桩运行正常.
5.18防俄雾试验
按照GB"2423.17-2008的方法进行试验.试验前将充电桩内印刷线路板、接插件等部件进行清洁, 尽置避免手接触试样表面.将试样放入盐雾试验箱,试验所使用的盐为高品质的氯化钠.干燥时,事化 钠的含量不超过0.1%,杂质的总含量不超过0.3%.盐溶液的浓度为(5土I) % (质量比),可通过将质 ■为(5±1)份的盐溶解在质量为95份的蒸憶水或去离子水中.试验中试验箱内温度为(35±2) C, PH值维持在6.5〜7.2内,持续时间48h.试验后小试样应在自来水下冲洗5min,然后用蒸憶水或者去髙 子水冲洗.然后晃动或用气流干燥去掉水酒.试样在标准恢复条件下放置.不少于Ih,且不超过2h.试 验后进行目视检査试样表面盐沉积■,且符合NB"33002-2018中7.3.2的规定.
5.19防锈(防氣化)试验
选取充电桩铁质外壳、暴露的铁制支架、零件以及非铁顺的金属外壳等代表性试样或邮件浸入四 氯化碳、三氯乙烷或等效脱脂剂中浸泡IOinin,去除所有的油脂,然后将部件浸入温度为(20±5) C 的氯化核含量为10%的水溶液中Iomin.将试样上的液滴甩掉,但不擦干.然后将试样放进装有温度为 (20±5) C的饱和水汽的空气的容器中,时间为IOmin.将试样置于温度为(1∞±5) C的加热容器中 烘干IOmin,再置于室温24h.试样表面应无任何锈迹.边缘上的锈迹和可擦掉的任何黄印可以忽略不计.
如果充电桩使用的外壳材料符合防锈(防飢化)相关要求,且没有对其进行过降低外壳性能的更改,
49
NB∕T33∞8.2 — 2018
则不需要按照5.19再进行外壳的试验.
5.20低温试載
充电桩放入环境试验箱,按照GB"2423.1-2008的"试验Ab:非散焦试验样品温度渐变的低温试 验”要求,试验温度:-20C (室外型)或-5C (室内型).待环境试验箱试验温度稳定后,充电桩设置 在順定负载状态下运行.充电桩显示功能、输入功能和通信功能应正常.试验温度持续2h后.在试验环 境下充电桩充电控制导引、显示功能、输入功能、通信功能和保护功能应正常.
5.21高温试验
充电桩放入环境试验箱,按照GB" 2423.2-2008的"试验Bb:非散热试验样品温度渐变的高温试 验”要求,试验温度:50C.待环境试验箱试验温度稳定后,充电桩设置在額定负載状态下运行.充电 桩显示功能、输入功能和通信功能应正常.试验温度持续2h后,在试验环境下充电桩充电控制导引、显 示功能、输入功能、通信功能和保护功能应正常.
5.22交变温热试验
充电桩放入环境试验箱,按照GB/T2423.4-2008的"试验Db:交变温热(12h+l2h循环)"要求, 试验温度:40C,循环次数:2次.在湿热试验结束前2h进行绝缘电阻和介电强度复试,绝缘电阻不应 小于IMα,介电强度技要求的75%施加测0电压.试验结束后.在环境箱内恢复至正常大气条件,通电 后充电桩充电控制导引、显示功能、输入功能、通信功能和保护功能应正常.
5.23电磁兼容试验
5.23.1概述
充电桩应符合本章节规定的电磁兼容试验以及抗扰度要求和发射要求.所有电磁兼容试验项目可按 照任何顺序进行试验.本章节涉及的电磁兼容要求是基于充电桩的端口和安装使用环境给出的•充电桩 嵯口主要分为外壳端口、交流电源输入端口、信号/控制端口、有线网络端口和传导电能传输端口(以下 简称CPT端口),各端口定义详见GBZT 18487.2—2017中3.1.制造商应说明充电桩的安装使用环境. 当制造商未规定充电桩的预期使用环境时,应实施最严格的发射和抗扰度试验,即采用*低的发射限值 和最高的抗扰度试验等级.
5.23.2充电粧的试验配■
所有试验应使用由制造商提供的典型的充电桩和通信电缆(在CpTiil口).若充电桩未提供电缆, 试验应在电缆的典型长度下进行.
5.23.3充电桩的试腺負載条件
充电桩的CpT端口应连接到AE (辅助设备),该AE包括由AN (人工网络)和/或ISN (阻抗稳定 网络)所形成的试验系统,并与可调电阻负就相连.若充电桩具有大,类似端口或连接器的端口,则应 选择足够数量的端口来模拟实际运行状况,并确保覆盖了所有不同类型的终端,如所有端口数量的20% 或至少4个端口.
5.23.4測试过程中的操作条件
试验计划中应规定充电粧的配置和运行模式,且试验报告中应准确记录试验时的实际条件.试验应在 充电桩规定的工作范围和额定输入电压下实臓,试验中应对待机模式和充电模式两种运行模式进行评估.
SO
NB/T 33008.2 —2018
5.23.5杭扰度试腺
5.23.5.1 概述
充电桩应考虑在待机模式和充电模式两种运行模式下进行试验.详见表6和表7.在充电模式下进 行试验时应调节阻性负载,使得充电桩在额定输出电压情况下.试验在额定功率的50%下进行.
5.23.5.2试验要求
根据充电桩安装使用环境,在非住宅环境中使用的充电桩试验要求见表6.在住宅环境中使用的充 电桩试验要求见表7.后续表中所有提及的"信号/控制端口”均指充电桩的电源输入侧的端口.充电桩 电源输出和负我侧无浪涌抗扰度要求,除非制造商说明书中规定的典型充电电缆超过30m.
«6交流充电粧抗扰度要求(非住宅环境)
|
试雜項目 |
参考标准 |
试验* 口 |
受试设各 的工作 模式 |
试验要求 |
单位 |
性能 判据 |
鲁注 |
|
静电放电抗扰度 |
GB/T 17626.2 |
外売 |
侍机和 充电模式 |
±6 (接触) ±8 (空P |
kV kV |
B |
— |
|
射頻电磁场II射 抗扰度 |
GWT 17626.3 |
外売 |
待机和 充电模式 |
10 (8OMHz~JGHz, 1.4GHZ 〜2.7GHz) |
V/m |
Λ |
履定的未调制 載波值试输等级 为有效值 |
|
电快速瞬变脉冲 群抗扰度 |
GWT 17626.4 |
交流电源 ■入 |
待机和 充电模式 |
±4 5/50 1∞ |
kV Tr/Th. n> ■复頻率.kHz |
B |
— |
|
有线网络 和信号/ 控制 |
待机和 充电模式 |
±2 5/50 100 |
kV Tr∕Th> ns IftM*. kHz |
B |
仅适用于连接 线缆总长超过3m 的* 口 | ||
|
CPT |
椅机模式 |
±2 5/50 100 |
kV Tr/Th > ns ■复强率.kHz |
B |
— | ||
|
浪涌抗扰度 |
GwT 17626.S |
交流电源 輸入 |
侍机和充 电模式 |
1.2/50 ( 8/20) 共模土4 差模士2 |
晔 kV kV |
B |
电压逐级能加 |
|
有线网络 和信号/ 控制 |
侍机和充 电模式 |
1.2/50 ( 8/20) 共模土 2 差模土 I |
μ∙ kV kV |
B |
(I)电压逐级 it加; (2)仅适用于 连接线缆总长超 过30m的* 口 | ||
|
10/700 ( 5/320) ±2 |
μ∙ kV |
B |
(1)适用于屏 薇接地(地线). 此试Ift不适用于 信号/控制端n: (2)仅适用于 连接线缆总长超 过30m的端口 |
Sl
NB/T 33008.2 — 2018
表6 (续)
|
试验項目 |
参考标准 |
试验端Fl |
受试设备 的工作 模式 |
诚险要求 |
单位 |
性俺 判据 |
备注 |
|
浪涌抗扰度 |
GBZT 17626.5 |
CPT |
待机模式 |
12SO (8/20) 共模土 2 差模士1 |
用 kV kV |
B |
(1)电压逐级能 加: (2)仅适用于连 接线续总长超过 30m的端口 |
|
射蘋场感应的传 导疆扰抗扰度 |
GB/T 17626.6 |
交流电源 輸入 |
待机和充 电模式 |
10 (O.15MHz~8OMHz) |
V (πm) |
A |
— |
|
行线网络 和信引 控制 |
椅机和充 电模式 |
IO (0.15MHZ 〜80MHZ) |
V (πm) |
A |
仅适用于连接 线缆总长超过 30m 的* 口 | ||
|
CPT |
待机和充 电模式 |
10 (0.15MH2~80MHz) |
V (tins) |
A |
— | ||
|
电压哲降和短时 中断抗扰度 |
GB/T 17626.11 (W16A) GBTT 17626.34 O16A) |
交流电1 •入 |
待机和充 电模式 |
40%.持续10周期 70%,持续25周期 80%.持续250周期 0%.持续250周期 |
— |
B B B C |
— |
«7交流充电粧抗扰度要求(住宅环境)
|
试Ift項目 |
■考标准 |
试验* 口 |
受试设备 的工作 模式 |
试駿要求 |
单位 |
性能 判据 |
各注 |
|
R电放电抗扰度 |
GB/T 17626.2 |
外売 |
侍机和充 电模式 |
±6 (接触) ±8 (空气) |
kV kV |
B |
— |
|
射頻电磁场制射 抗扰度 |
GB/T 17626.3 |
外売 |
待机和充 电模式 |
3 (80MHz~lGHz, l.4GHz~2∙7GHz) |
VΛn |
Λ |
规定的未调制 載波值试验等级 为有效值 |
|
电快速B变脓冲 群抗扰度 |
GBfT 17626.4 |
交流电1 ■入 |
待机和充 电模式 |
±2 5/50 1∞ |
kV Tr∕Th. nι 重复教率,kHz |
B |
— |
|
有线网络 和信号/ 控制 |
待机和充 电模式 |
±1 S/SO i∞ |
kV Tr∕Th> ns It复蘋率,kHz |
B |
仅适用于连接 线缆总长超过3m 的* 口 | ||
|
CPT |
待机模式 |
±2 5/50 IOO |
kV Tr/Th. ns ■复蘋率,kHz |
B |
仅适用于连接 线缆总长超过 30m 的* 口 | ||
|
浪涌抗扰度 |
GBZT 17626.5 |
交流电源 ■入 |
待机和充 电模式 |
1.2/50 ( 8/20) 共模土 2 差模土 I |
M« kV kV |
B |
电压逐IIMi加 |
|
有线网络 和信号/ 控制 |
待机和充 电模式 |
IZSo (8/20) 共模土 2 差模土 I |
μ∙ kV kV |
B |
(1)电压逐级 *m. (2)仅适用于 连接线缆总长超 过30m的*【1 |
52
NB/T 33008.2 —2018
«7 (续)
|
试验項目 |
参考标准 |
试验缩口 |
受试设务 的工作 模式 |
试验要求 |
单位 |
性能 判据 |
各注 |
|
射频场感应的传 导发扰抗扰度 |
GBTT 17626.6 |
交流电源 輸入 |
待机和充 电模式 |
3 (0.15MHZ 〜80MHZ) |
V (πn>) |
A |
— |
|
有线网络 和信号/ 控制 |
待机和充 电模式 |
3 (0.1SMHz-80MHz) |
V (πm) |
A |
仅适用于连接 线境总长超过 30m的端口 | ||
|
CPT |
待机和充 电模式 |
3 (O.15MHz-8OMHz) |
V (πns) |
A |
仅适用于连接 线境总长超过 30m的端口 | ||
|
电压哲降和短时 中断抗扰度 |
GB/T17626.11 (≤16A) GBTT 17626.34 (>16A> |
交流电源 輸入 |
椅机和充 电模式 |
40%.持续10周期 70%.持续25周期 80%.持续250周期 0%.持续2S0周期 |
— |
B B B C |
— |
5.23.5.3性能判据
充电粧制造商应提供电磁兼容试验过程中或试验后的功能描述和性能判据定义.性能判据等级如下: a)性能判据A.试验实施的过程中或试验后,充电桩应在制造商所定义的容许范围内,按照预期 继续运行.其运行状态不允许改变(即充电模式下继续保持充电,待机模式下保持闲置状态). 注t状态的改交包括PWM信号的变化.
b)性能判据B.试验完成后,充电桩应在制造商所定义的容许范围内,按照预期继续运行.此外. 在试验实施过程中,应保持充电桩的主要功能(在制造商所定义的容许范围内).次要功能(包 括显示等)在试验过程中允许性能降级,但应在试验后恢复到初始状态.试验实施后,充电桩 不应改变其运行状态(即充电模式下继续保持充电,待机模式下保持闲置状态).
注L状态的改变包括PWM值号的变化.
注2:对于电压暫降和短时中斷抗扰度窝试.如果进行了充电过程中规定的人工操作,如刷卡或者充电启动尊. 可视为符合性能判据B.
c)性能判据C.试验实施的过程中和试验后,充电桩为故障保护状态.如己符合GBbl8487.1一 2015中定义的安全要求.这种状态需要用户干預以重启充电或自动恢复充电.
5.23.6发射试験
5.23.6.1 概述
发射试验均在充电模式下进行.调节阻性负荷,使得充电桩在额定输出电压情况下,发射测量在功 率分别为额定功率的20%、50%和80%状态下进行.
5.23.62低頻疆扰的限值和试験条件
表8规定了低频豎扰现象的评估要求.
53
NB/T 33008.2 —2018
表8低頻口扰现徵的评估要求
|
试验项目 |
■考标准 |
试验* 口 |
备注 |
|
电压波动和 闪烁 |
GBZT 17625.2 (每相族定电流W16A) GB/T 17625.7 (每相it定电流>16A 且W75A) |
交流电1 輸入 |
(I)不适用于采用机电式开关的充电桩: (2)充电粧在需在待机模式下窝试 |
5.23.6.3射頻B扰的限值和试验条件
基于本部分的目的,充电桩按照其应用环境进行分类.这些定义详见GB 4824-2013第5章并汇总 如下:
a) A类设备是非家用和不直接连接到住宅低压供电网设施中使用的设备.A类设备应满足A类限 值.对于A类设备,产品附带的使用说明书应包含以下警告:此设备不能应用于居住环境,在 这类环境中可能无法对无线电通信提供充分的保护.
b) B类设备是家用设备和直接连接到住宅低压供电网设施中使用的设备.B类设善应满足B类限值. 表9規定了射频骚扰的评估要求.
«9射頻疆扰的评估要求
|
试险项目 |
参考标准 |
试验端口 | |
|
传导Ii扰 (15OkHz~3OMHz) |
GB 4824—2013 |
交流电源■入 |
对于任何A类或B类设各Ii扰电压崖值见GB 4824—2013中的表2或衰3 |
|
GBZT 18487.2—2017 8.3.3 |
CPT |
— | |
|
GBZT 18487.2—2017 8.3.4 |
有线网络和信号/ 控制* 口 |
1)单独连接到CAN总线的网络《1 口无须进行符 合性验证: 2)充电桩的有线网络*口,如它们将连接到公 共交换电话网络(PSTN)的物理用户线,需要进 行測» 3)充电桩的信号/控制端口.若它们将连接到本 地监督或电力调度系统,旨在通过多个本地供电设 ■进行电《1传输管理,需要进行测量_______ | |
|
IB-Ii 扰 (2Wfa~ 185kHz) |
GB/T 18487.2—2Q17 8.3.5.1 |
外充 |
保护车辆无钥匙进入系筑的更求 |
|
担射Ii扰 (30MHZ 〜IGHZ) |
GB 4824—2013 |
外売 |
对于任何类型A类或B类设备,Il射Ii扰限值 分别见GB 4824-2013中的衰4成衰5 |
*l*ΛM∙tt*7ΠM ■力 *3∙∙IM
:为*Λit及时.最准确.加权城的电力标准值息:
中华人民共和国 能源行业标准 电动汽车充电设备检唳试脸规范 NB/T 33008.1 ~3300β.2 — 2018 代ENB/T 33008.1 〜33008.2 — 2013
中国电力出版社出版、发行
<北京市东城区北京站西街19号100005 hnp7/www.ccpp.i(cc.com.a>) 北京传奇佳彩数码印刷有限公司印刷
•
2019年6月第一版 2019年6月北京第一次印刷 880*米X 1230・米16开本3.5印张105千字
印敷OOl-500册
筑一书号155198 • 1377定价53.00元
Mi权专青侵权必究 本书如有印装版量问IL我社菅第中
E-OZlZOO00S〜-O600K1/0N«:M
Bδe — w.∞ooωωx--.∞ooωω H- nz